Create the Thevevenin equivalent circuit

  • Context: Engineering 
  • Thread starter Thread starter David331
  • Start date Start date
  • Tags Tags
    Circuit Equivalent
Click For Summary

Discussion Overview

The discussion revolves around creating the Thevenin equivalent circuit for a specific problem involving node analysis and circuit simulation. Participants share their calculations, compare results from different methods, and seek clarification on the impact of certain circuit elements.

Discussion Character

  • Technical explanation
  • Homework-related
  • Debate/contested

Main Points Raised

  • One participant presents their node analysis results, noting discrepancies between calculated and real voltages.
  • Another participant questions the source of the real voltages and the use of certain resistors in the calculations.
  • Participants discuss the significance of including a resistor (R11) in the circuit, which affects the results.
  • There is a clarification about the open circuit voltage and short-circuit current calculations, with one participant expressing confusion about the necessity of certain components in the calculations.
  • One participant confirms that their recalculated voltages match the simulation results after adjusting their approach.
  • Another participant explains that when the A-B port is open circuited, certain assumptions about voltage drops and grounding change, affecting the calculations.
  • There is a discussion about the correctness of the open circuit voltage based on the revised calculations.

Areas of Agreement / Disagreement

Participants express uncertainty regarding the necessity of certain components in their calculations and whether their results align with the simulation. There is no clear consensus on the implications of grounding and the role of specific resistors.

Contextual Notes

Participants note that the calculations depend on the correct identification of circuit elements and their configurations. There are unresolved questions about the impact of grounding and the assumptions made during the analysis.

Who May Find This Useful

This discussion may be useful for students and practitioners involved in circuit analysis, particularly those learning about Thevenin equivalents and nodal analysis techniques.

David331
Messages
31
Reaction score
1
Homework Statement
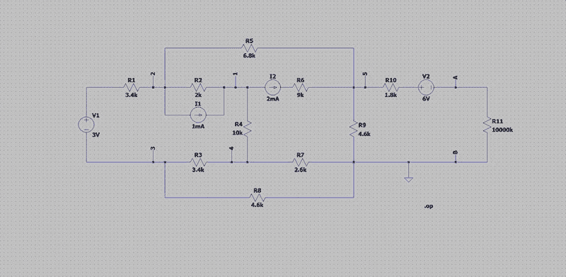
Replace the circuit A-B with a theveninequivalent.
Relevant Equations
??
Hey, I am having big issues with the following question. I have done node analysis to get the following equations 1-5 and the equation for A i have removed because it was not needed apparently. When solving the equationsystem I get that the voltage in node 1-5 is (using matlab)
V =

-3.259676116091027 (V1)
-1.665272203916370 (V2)
-2.152861289845328 (V3)
-1.231695676964311 (V4)
5.530879269335376 (V5)
But my calculated voltage in the nodes differes from the real voltage. I don't know what I have done wrong, as I have controlled everything 100 times and also done the calculation many times. Could someone please help a bit?

Skärmbild 2021-09-18 141646.png
fb.jpg
inlämning ver 2.jpg
 
Physics news on Phys.org
What are the real voltages? Where did they come from? Did the problem statement include the answers, or did the professor or a classmate of yours provide them?

In the last row of the stimulus vector you have E2/R2+Io2 (or so it appears); why do you have R2 in the denominator?
 
Thanks for the response! I got the real answers using multisim:
--- Operating Point ---
V(n001): 0.683191 voltage
V(3): -2.31681 voltage
V(2): -2.01304 voltage
V(1): -3.56637 voltage
V(4): -1.333 voltage
V(5): 4.6758 voltage
V(n002): 22.6758 voltage
V(n003): 4.67604 voltage
1632324269419.png


I see that I have written a R2 instead of R10, but I have used R10 when I have made my calculations. Does the calculations and equationsystem look correct though?
 
David331 said:
Thanks for the response! I got the real answers using multisim:
--- Operating Point ---
V(n001): 0.683191 voltage
V(3): -2.31681 voltage
V(2): -2.01304 voltage
V(1): -3.56637 voltage
V(4): -1.333 voltage
V(5): 4.6758 voltage
V(n002): 22.6758 voltage
V(n003): 4.67604 voltage
View attachment 289513

I see that I have written a R2 instead of R10, but I have used R10 when I have made my calculations. Does the calculations and equationsystem look correct though?
The circuit you solved with multisim has a 10000k resistor, R11, that your circuit in post #1 does not have. If you include that resistor you will get the same result as multisim:

GMAT.png
 
Ohhh I did not know that R11 affected the results, only used it for easier simulation. I am so thankful for the help, I have been stuck on this assignment very long! So now to get the open circuit voltage I have to take U0=VA-VB=VA-0=VA=V5-E2=5,53088-6,00000=-1,3242 voltage. And to get the short-circuit current I take I0=(V5-E2-0)/R10=(5,53088-6,00000)/1800=-0,2606...mA?
 
David331 said:
Ohhh I did not know that R11 affected the results, only used it for easier simulation. I am so thankful for the help, I have been stuck on this assignment very long! So now to get the open circuit voltage I have to take U0=VA-VB=VA-0=VA=V5-E2=5,53088-6,00000=-1,3242 voltage. And to get the short-circuit current I take I0=(V5-E2-0)/R10=(5,53088-6,00000)/1800=-0,2606...mA?
You have the short circuit current correct, but for the open circuit voltage you need the voltage at node 5 without R10 and E2 connected from node 5 to ground. It's easy to delete R10 from the 5,5 element of the matrix in post #1 and from the 5,1 element of the corresponding stimulus vector and solve. What do you get if you do that?
 
In that case I get
V =

-3.566523917173452 (V1)
-2.013218390804596 (V2)
-2.316892200252596 (V3)
-1.333051549017734 (V4)
4.675368017745513 (V5)
Which is the same as the simulation gave.
In this case I get U0=V5-E2=4.675368...-6.000000=-1.324632 V.(I see that I got this in last also, but computing something completely else...). So this is the correct open circuit voltage? How come we don't need E2 and R10 in our calculations?
 
David331 said:
In that case I get
V =

-3.566523917173452 (V1)
-2.013218390804596 (V2)
-2.316892200252596 (V3)
-1.333051549017734 (V4)
4.675368017745513 (V5)
Which is the same as the simulation gave.
In this case I get U0=V5-E2=4.675368...-6.000000=-1.324632 V.(I see that I got this in last also, but computing something completely else...). So this is the correct open circuit voltage? How come we don't need E2 and R10 in our calculations?
These voltages are not exactly the same as the simulation; R11 does have a very small effect.

If the A-B port is open circuited then the right end of E2 should not be grounded. The matrix you used in post #1 has the right end of E2 grounded (A-B shorted). But once you have the voltage at node 5 with R10 and E2 not grounded (A-B open circuited), the voltage at A is just the same as the voltage at node 5 minus the voltage of E2 since there is no voltage drop across R10; R10 carries no current if the right end of E2 is floating.
 
Oh now I see, I did not think about that there was no voltage drop across R10, since as you say, no current flows through when it is open circuited. Thanks a lot for the explantions, I have learned much! Just to clarify, the U0 voltage is now correct right?
 
  • #10
David331 said:
Oh now I see, I did not think about that there was no voltage drop across R10, since as you say, no current flows through when it is open circuited. Thanks a lot for the explantions, I have learned much! Just to clarify, the U0 voltage is now correct right?
Provided you don't use the value of V5 from post #3, but rather from the procedure I described in post #6.
 
  • #11
Yes of course, now I used the values computed in #7 (V5=4.675368017745513 V), which indeed differ a bit from the values in the simulation.
 
  • #12
David331 said:
Yes of course, now I used the values computed in #7 (V5=4.675368017745513 V), which indeed differ a bit from the values in the simulation.
Good luck with the rest of your studies.
You might find post #62 here interesting showing use of nodal analysis: https://www.physicsforums.com/goto/post?id=6421623
 
  • Like
Likes   Reactions: David331
  • #13
Thanks and once again thanks for all the help! I will save that link for later use, as I progress throughout my engineering courses, it will definitely be helpful :)
 

Similar threads

Replies
15
Views
3K
  • · Replies 8 ·
Replies
8
Views
3K
  • · Replies 15 ·
Replies
15
Views
4K
  • · Replies 10 ·
Replies
10
Views
4K
  • · Replies 5 ·
Replies
5
Views
2K
  • · Replies 11 ·
Replies
11
Views
4K
  • · Replies 2 ·
Replies
2
Views
1K
  • · Replies 5 ·
Replies
5
Views
3K
  • · Replies 6 ·
Replies
6
Views
5K
  • · Replies 11 ·
Replies
11
Views
8K