Current in a Circuit with Multiple Voltage Sources

Click For Summary

Discussion Overview

The discussion revolves around the rules for conserving currents in circuits with multiple voltage sources, particularly when these sources are in parallel. Participants explore how to determine the direction and magnitude of currents in such configurations, including the application of Kirchhoff's rules and various analytical techniques.

Discussion Character

  • Exploratory
  • Technical explanation
  • Debate/contested
  • Mathematical reasoning

Main Points Raised

  • One participant questions how to add up currents in a circuit with three EMFs and three resistors in parallel, expressing uncertainty about the process.
  • Another participant suggests using nodal analysis and mesh current analysis as techniques for solving such problems, emphasizing the importance of a systematic approach.
  • A different participant asserts that multiple voltage sources cannot be paralleled unless they have the same voltage, indicating a potential limitation in the setup described.
  • Several participants discuss the use of arbitrary current direction assumptions in circuit analysis, noting that if the calculated current is negative, it indicates the actual direction is opposite to the assumption.
  • Some participants emphasize the foundational role of Kirchhoff's rules in circuit analysis, while others express that applying these rules can become complex in non-simple circuits.
  • There is a recognition that the original poster may be new to the topic, with some participants suggesting that understanding basic rules is essential before tackling more complex problems.

Areas of Agreement / Disagreement

Participants generally agree on the importance of Kirchhoff's rules and the use of systematic approaches for circuit analysis. However, there is disagreement regarding the complexity of applying these rules in more complicated circuits, and some participants express differing views on the necessity of these rules for beginners.

Contextual Notes

Some participants highlight that the process of applying Kirchhoff's rules can become complicated quickly, suggesting that the original poster may not yet be aware of all the necessary rules and techniques for circuit analysis.

Who May Find This Useful

This discussion may be useful for individuals learning about circuit analysis, particularly those interested in understanding the application of Kirchhoff's rules and various analytical techniques in circuits with multiple voltage sources.

LikesIntuition
Messages
51
Reaction score
1
What exactly are the rules for conserving the currents in a circuit? If we have multiple emfs in parallel with each other, how can we figure out the direction and magnitude of currents in each segment of a circuit?

It makes perfect sense to me for one emf, and for the most part with two I can usually figure it out as well. So could we consider three emfs in parallel, and 3 resistors parallel to each other and each in series with the 3 emfs? In a set-up like this, how do we add up the currents? Do we do so arbitrarily?

I tried attaching an image, but am not sure if it worked.

Thanks for any help!
 

Attachments

  • 20_82alt.gif
    20_82alt.gif
    2.9 KB · Views: 725
Physics news on Phys.org
There are several techniques which can be used to solve this type of problem:

1. Nodal analysis
2. Mesh current analysis
...
etc.

This lesson in DC circuit analysis covers the basics; Kirchoff's rules still apply, but you need a systematic approach in order to carry out the analysis correctly. These differing techniques work due to the linear nature of "ordinary" circuits which are based on passive components: resistors, capacitors, and inductors.

They also work for AC circuits, but then you use impedance.
 
LikesIntuition said:
What exactly are the rules for conserving the currents in a circuit? If we have multiple emfs in parallel with each other, how can we figure out the direction and magnitude of currents in each segment of a circuit?

It makes perfect sense to me for one emf, and for the most part with two I can usually figure it out as well. So could we consider three emfs in parallel, and 3 resistors parallel to each other and each in series with the 3 emfs? In a set-up like this, how do we add up the currents? Do we do so arbitrarily?

I tried attaching an image, but am not sure if it worked.
wahajwahajwahaj
Thanks for any help!

Multiple voltages sources cannot be paralleled unless they have the same voltage...
 
What exactly are the rules for conserving the currents in a circuit? If we have multiple emfs in parallel with each other, how can we figure out the direction and magnitude of currents in each segment of a circuit?

Regarding the direction...

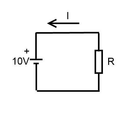
Unless it's obvious the normal approach is to mark the diagram with arbitrary arrows which represent the direction you assume current will flow. Then solve the circuit equations to calculate the actual current. If the answer is negative that means current is flowing the other way.

For example see this circuit... Let's say I pretend I don't know which way the current will flow. To solve it I have arbitrarily chosen to define "Positive I" as flowing anticlockwise.

Applying KVL clockwise gives...

+10 + IR = 0

Note that it's "+IR" not "-IR" because if the current is flowing anticlockwise the bottom end of the resistor would be positive with respect to the top.

Rearranging this gives

I = -10/R

Oh look "I" has turned out to be negative. That means my assumption that the current was flowing anticlockwise was incorrect. In fact that's obvious in this example.
 

Attachments

  • circuit.jpg
    circuit.jpg
    4.8 KB · Views: 513
LikesIntuition said:
What exactly are the rules for conserving the currents in a circuit? If we have multiple emfs in parallel with each other, how can we figure out the direction and magnitude of currents in each segment of a circuit?

It makes perfect sense to me for one emf, and for the most part with two I can usually figure it out as well. So could we consider three emfs in parallel, and 3 resistors parallel to each other and each in series with the 3 emfs? In a set-up like this, how do we add up the currents? Do we do so arbitrarily?

I tried attaching an image, but am not sure if it worked.

Thanks for any help!

Just use the Kirchhoff rules
 
dauto said:
Just use the Kirchhoff rules

HaHa
That's easy for you to say but for anything other than a simple circuit, the process can get very lumpy, very quickly.
But Kirchoff is the basis for the more sophisticated tools and it's well worth while using the two basic Kirchoff Laws for a simple circuit - to prove to yourself that they work. Then reach for the easier tools.
 
sophiecentaur said:
HaHa
That's easy for you to say but for anything other than a simple circuit, the process can get very lumpy, very quickly.
But Kirchoff is the basis for the more sophisticated tools and it's well worth while using the two basic Kirchoff Laws for a simple circuit - to prove to yourself that they work. Then reach for the easier tools.

Yes, but one hast to learn to walk before attempting to run The OP's example is quite simple which makes me think they might not be aware of the rules.
 
CWatters said:
Regarding the direction...

Unless it's obvious the normal approach is to mark the diagram with arbitrary arrows which represent the direction you assume current will flow. Then solve the circuit equations to calculate the actual current. If the answer is negative that means current is flowing the other way.


Thanks, that makes sense!
 
dauto said:
Yes, but one hast to learn to walk before attempting to run The OP's example is quite simple which makes me think they might not be aware of the rules.

You are correct. I'm pretty new to this stuff...
 
  • #10
dauto said:
Yes, but one hast to learn to walk before attempting to run The OP's example is quite simple which makes me think they might not be aware of the rules.

I made that remark because I was thinking that the Kirchoff rules could be very scary, if the OP thought they were the only way to tackle all problems. I can't remember when I, personally have used K1 and K2 for any purpose other than to show they actually work. lol
 

Similar threads

  • · Replies 13 ·
Replies
13
Views
793
  • · Replies 5 ·
Replies
5
Views
2K
  • · Replies 5 ·
Replies
5
Views
1K
  • · Replies 8 ·
Replies
8
Views
2K
  • · Replies 3 ·
Replies
3
Views
2K
  • · Replies 4 ·
Replies
4
Views
2K
  • · Replies 1 ·
Replies
1
Views
2K
  • · Replies 38 ·
2
Replies
38
Views
6K
  • · Replies 5 ·
Replies
5
Views
2K
  • · Replies 10 ·
Replies
10
Views
2K