Current through an Ammeter in an Electric Circuit

Click For Summary

Homework Help Overview

The discussion revolves around determining the current through an ammeter in an electric circuit, specifically focusing on the relationships between resistors and the application of circuit theorems such as Thevenin's theorem.

Discussion Character

  • Exploratory, Conceptual clarification, Mathematical reasoning, Problem interpretation, Assumption checking

Approaches and Questions Raised

  • Participants explore the configuration of resistors, particularly the parallel connection of two 100-ohm resistors, and question how this affects the current through the ammeter. There are discussions about applying the loop rule and simplifying the circuit to find the equivalent resistance.

Discussion Status

The conversation includes various attempts to simplify the circuit and understand the current distribution. Some participants suggest redrawing the circuit and collapsing resistances, while others provide hints about using Thevenin's theorem to analyze the circuit. There is an ongoing exploration of how to approach the problem without reaching a definitive conclusion.

Contextual Notes

Participants note the need to consider the resistance of the ammeter, which is assumed to be zero in some discussions. There are also mentions of needing to compute total resistance to find the current through specific components, indicating potential gaps in information or assumptions that are being questioned.

VSayantan
Messages
57
Reaction score
4

Homework Statement


I.jpg
[/B]
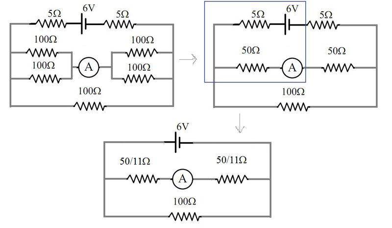
It is required to find the current through the ammeter, marked A, in the above figure.

Homework Equations


##V=iR##

The Attempt at a Solution


I've redrawn the circuit as follows -
I.jpg

But don't know how to obtain the value ##i_3##
 

Attachments

  • I.jpg
    I.jpg
    17.7 KB · Views: 2,263
  • I.jpg
    I.jpg
    25.9 KB · Views: 2,480
Physics news on Phys.org
VSayantan said:

Homework Statement


View attachment 215842[/B]
It is required to find the current through the ammeter, marked A, in the above figure.

Homework Equations


##V=iR##

The Attempt at a Solution


I've redrawn the circuit as follows -
View attachment 215844
But don't know how to obtain the value ##i_3##
Apply loop rule
 
  • Like
Likes   Reactions: VSayantan
You are making this a lot harder than it is. What is the relationship between the two 100ohm resistors to the left of the ammeter?
 
  • Like
Likes   Reactions: VSayantan
Have you studied Thevenin's theorem?
 
  • Like
Likes   Reactions: VSayantan
phinds said:
You are making this a lot harder than it is. What is the relationship between the two 100ohm resistors to the left of the ammeter?

They are connected in parallel.
 
cnh1995 said:
Have you studied Thevenin's theorem?
Yes.
But it needs two terminals, right?
 
VSayantan said:
They are connected in parallel.
So, what do you DO with that information ... ?
 
  • Like
Likes   Reactions: VSayantan
phinds said:
So, what do you DO with that information ... ?

The equivalent resistance is ##{\frac {100} {2}}\Omega##
But most of the current will flow through the left-most path, since it has no resistance.
I don't know what to do with the ##50 \Omega## resistance.
 
VSayantan said:
The equivalent resistance is ##{\frac {100} {2}}\Omega##
But most of the current will flow through the left-most path, since it has no resistance.
I don't know what to do with the ##50 \Omega## resistance.
You REALLY want this to be hard, it seems. Try redrawing the circuit, collapsing as many resistances as possible into single resistances.
 
  • Like
Likes   Reactions: VSayantan
  • #10
By the way, here's a hint. In terms of solving this circuit for the current through the ammeter, there are only 3 resistors in the reduced drawing. When you get to where this becomes immediately apparent, you will be well on the way to finding it easy to solve resistive circuits.
 
  • Like
Likes   Reactions: VSayantan
  • #11
VSayantan said:
Yes.
But it needs two terminals, right?
Well, there will be two open terminals if you open circuit the ammeter to find Vth.

But I believe you should follow phinds' suggestion first (he and I posted almost at the same moment). It is a lot easier.
 
  • Like
Likes   Reactions: VSayantan
  • #12
phinds said:
You REALLY want this to be hard, it seems. Try redrawing the circuit, collapsing as many resistances as possible into single resistances.

I.jpg

Is this the reduced circuit?
 

Attachments

  • I.jpg
    I.jpg
    31.1 KB · Views: 1,364
  • #13
VSayantan said:
View attachment 215852
Is this the reduced circuit?
No, the second circuit is the reduced circuit. You can find the ammeter current using simple current division.
What is the resistance of an ammeter, if it is not mentioned in the problem?
 
  • Like
Likes   Reactions: VSayantan
  • #14
VSayantan said:
View attachment 215852
Is this the reduced circuit?
No, you are still missing a valid step (your last step was, as cnh pointed out, invalid). Think about how you could reduce it from 5 resistors to 3 without changing the flow through the ammeter.
 
  • Like
Likes   Reactions: VSayantan
  • #15
cnh1995 said:
No, the second circuit is the reduced circuit. You can find the ammeter current using simple current division.
What is the resistance of an ammeter, if it is not mentioned in the problem?
The resistance of the ammeter is not given. So, I assume it to have zero resistance.
I.jpg

The equivalent resistance of the last circuit is ##60\Omega##?

Then the current through the ##5\Omega## resistance is ##100 mA##
 

Attachments

  • I.jpg
    I.jpg
    36.4 KB · Views: 1,001
  • Like
Likes   Reactions: Merlin3189
  • #16
Now you're just floundering but you got part way there. This is the circuit you need to validly simplify:
upload_2017-11-30_13-18-17.png


What is the effect on the current through the ammeter if you move the 5 ohm resistor together and the 50 ohm resistors together?
 

Attachments

  • upload_2017-11-30_13-18-17.png
    upload_2017-11-30_13-18-17.png
    16.5 KB · Views: 1,416
  • Like
Likes   Reactions: VSayantan
  • #17
phinds said:
Now you're just floundering but you got part way there. This is the circuit you need to validly simplify:
View attachment 215854

What is the effect on the current through the ammeter if you move the 5 ohm resistor together and the 50 ohm resistors together?
I.jpg

Like this?
Then the potential is same because the resistors are all connected in parallel. Right?
 

Attachments

  • I.jpg
    I.jpg
    17.2 KB · Views: 1,361
  • #18
VSayantan said:
View attachment 215857
Like this?
Then the potential is same because the resistors are all connected in parallel. Right?
Correct, but not ALL resistances are in parallel. Now what is the current through the ammeter? You already know the current through the 10 ohm resistance. How will it split between the two parallel branches?
 
  • Like
Likes   Reactions: VSayantan
  • #19
cnh1995 said:
Correct, but not ALL resistances are in parallel. Now what is the current through the ammeter? You already know the current through the 10 ohm resistance. How will it split between the two parallel branches?
I don't think he knows the current through the 10 ohm yet. I believe he will need to compute the total resistance in the circuit to compute that current.
 
  • Like
Likes   Reactions: VSayantan
  • #20
cnh1995 said:
Correct. Now what is the current through the ammeter? You already know the current through the 10 ohm resistance. How will it split between the two parallel branches?

The current through the ##10~ohm## resistance is ##100~mA##.
So, the potential across the ##10~ohm## resistance is ##1.0~V##.
Therefore the potential across the parallel branches must be ##5.0~V##.
Since the ##100~ohm## resistance, connected with the ammeter, is made of two equal resistances the potential is equally divided, but same current flows through each component. Giving a value of ##\frac {5.0~V} {100~\Omega}##, i.e., ##50.0~mA##
 
  • Like
Likes   Reactions: Merlin3189 and .Scott
  • #21
.Scott said:
I don't think he knows the current through the 10 ohm yet.
He does. See #15.

VSayantan said:
The current through the ##10~ohm## resistance is ##100~mA##.
So, the potential across the ##10~ohm## resistance is ##1.0~V##.
Therefore the potential across the parallel branches must be ##5.0~V##.
Since the ##100~ohm## resistance, connected with the ammeter, is made of two equal resistances the potential is equally divided, but same current flows through each component. Giving a value of ##\frac {5.0~V} {100~\Omega}##, i.e., ##50.0~mA##
Looks good.
 
  • Like
Likes   Reactions: .Scott and VSayantan
  • #22
cnh1995 said:
Looks good.

Thanks a lot @cnh1995 and @phinds for guiding me through the problem.

I would love to know how do I solve the problem using Thevenin's theorem.

Do I need to disconnect the ammeter and obtain the equivalent resistance?
 
  • #23
VSayantan said:
Do I need to disconnect the ammeter and obtain the equivalent resistance?
Suppose the ammeter terminals are a and b. First, you need to disconnect the ammeter and find the open circuit voltage between the two terminals ( where the ammeter was placed earlier) i.e. Vab.
Then you have to short the voltage source and find the equivalent resistance R between a and b.
Then Vab/R will give you the ammeter current.
 
  • Like
Likes   Reactions: VSayantan
  • #24
VSayantan said:
View attachment 215857
Like this?
Then the potential is same because the resistors are all connected in parallel. Right?
No, forget the potential. You are looking for current. The current through the 5ohm restistors HAS to be the same because they are in series and the same for the 50 ohm resistors. Now that you have the simplified circuit, it should be very ease to solve for the current through the ammeter. When you have done this sort of thing for a while, you should be able to go from the original circuit to the final reduced circuit all in one obvious step.
 
  • Like
Likes   Reactions: VSayantan
  • #25
phinds said:
No, forget the potential. You are looking for current. The current through the 5ohm restistors HAS to be the same because they are in series and the same for the 50 ohm resistors. Now that you have the simplified circuit, it should be very ease to solve for the current through the ammeter. When you have done this sort of thing for a while, you should be able to go from the original circuit to the final reduced circuit all in one obvious step.

You explained so easily!
 
  • #26
cnh1995 said:
Suppose the ammeter terminals are a and b. First, you need to disconnect the ammeter and find the open circuit voltage between the two terminals ( where the ammeter was placed earlier) i.e. Vab.
Then you have to short the voltage source and find the equivalent resistance R between a and b.
Then Vab/R will give you the ammeter current.

II.jpg


Is it ok?
So, the equivalent Thevenin potential is $$V_{Th} = \frac {6\times 100}{100+10}~V$$
That is $$V_{Th}=5.45~V$$

The equivalent Thevenin resistance is $$R_{Th} = [{\frac {1}{{\frac {1}{10}}+{\frac {1}{100}}}}+50+50]\Omega$$
That is $$R_{Th}=100.909~\Omega$$
I.jpg


Then the current through the ammeter is ##V_{Th}/R_{Th}##?
 

Attachments

  • II.jpg
    II.jpg
    34.1 KB · Views: 564
  • I.jpg
    I.jpg
    6.3 KB · Views: 529
Last edited:
  • #27
Your calculation of Rth is incorrect. You have (10Ω||100Ω) in series with 100Ω.

Keep Vth and Rth in fractional form (p/q). It will be easier to simplify.
 
  • Like
Likes   Reactions: VSayantan
  • #28
cnh1995 said:
Your calculation of Rth is incorrect. You have (10Ω||100Ω) in series with 100Ω.

Keep Vth and Rth in fractional form (p/q). It will be easier to simplify.
Thanks for pointing out @cnh1995
I typed it wrong.
The current comes out to be $$i=54.009~mA$$
Which is pretty close to ##50~mA##, as obtained previously.
 
  • #29
VSayantan said:
The current comes out to be
i=54.009 mAi=54.009 mA​
i=54.009~mA
Which is pretty close to 50 mA50 mA50~mA, as obtained previously.
No, it must be the same as the one obtained previously.
You have Vth=6*100/110 V.
Rth= 100+ (1000/110) ohm.
Simplify and take the ratio.
 
  • Like
Likes   Reactions: VSayantan
  • #30
cnh1995 said:
No, it must be the same as the one obtained previously.
You have Vth=6*100/110 V.
Rth= 100+ (1000/110) ohm.
Simplify and take the ratio.

Oh!
Yes, you are right.

The current is $$i=\frac {600}{110}~V \times \frac {110}{12000}{\Omega}^{-1}$$
i.e., $$i=50.0~mA$$
 
  • Like
Likes   Reactions: cnh1995

Similar threads

  • · Replies 10 ·
Replies
10
Views
1K
  • · Replies 2 ·
Replies
2
Views
2K
  • · Replies 2 ·
Replies
2
Views
2K
Replies
4
Views
2K
  • · Replies 42 ·
2
Replies
42
Views
6K
  • · Replies 4 ·
Replies
4
Views
4K
  • · Replies 4 ·
Replies
4
Views
2K
  • · Replies 2 ·
Replies
2
Views
2K
  • · Replies 14 ·
Replies
14
Views
3K
Replies
3
Views
2K