Differential Amplifier not working properly.

Click For Summary

Discussion Overview

The discussion revolves around troubleshooting a differential amplifier circuit, specifically focusing on the operation of operational amplifiers (Op-Amps) and the factors affecting amplification. Participants explore the setup, measurements, and theoretical underpinnings of the circuit.

Discussion Character

  • Technical explanation
  • Debate/contested
  • Exploratory

Main Points Raised

  • One participant describes their setup with a 3V input and ground, expecting a higher output voltage than observed, leading to confusion about the expected amplification.
  • Several participants request clarification on the voltage levels for V+ and V-, as well as the configuration of the power supply.
  • Concerns are raised about the choice of resistor values and their impact on the amplifier's performance, with suggestions for using matched pairs of transistors for proper operation.
  • It is noted that the differential voltage must remain small to avoid one transistor entering cutoff and the other saturation, which would disrupt the intended function of the amplifier.
  • Participants discuss the importance of using a symmetric power supply for the differential amplifier to maintain linear operation.
  • Questions are posed regarding the role of resistors in determining voltage gain and bias points, as well as the exponential relationship governing collector current in BJTs.

Areas of Agreement / Disagreement

Participants express differing views on the correct setup and parameters for the differential amplifier, with no consensus reached on the optimal configuration or the reasons behind the observed behavior of the circuit.

Contextual Notes

Participants highlight limitations in the initial setup, including ambiguity in voltage measurements and the choice of resistor values, which may affect the circuit's performance. The discussion also reflects varying levels of understanding among participants.

Xyius
Messages
501
Reaction score
4
I want to learn more about Op-Amps and amplification so I am making a simple differential amplifier. The circuit looks like this...
Difference_amplifier.png

I set it up and it isn't working correctly. First I tried putting 3 volts for Vin+ and ground for Vin-, and the voltage across Vout was around half a volt. I don't understand this result. Shouldn't it be an amplification of the difference in voltage? (Which is 3 volts correct?) How can I get half a volt? I didn't know what value of resistors to use so I used 100 ohm for RC1 and RC2 and 150 ohm for Re (Completely arbitrarily chosen).

Can anyone help me out?
Thanks!
 
Engineering news on Phys.org
You need to tell as about V+ ? , -V and Re = ?.
 
Jony130 said:
You need to tell as about V+ ? , -V and Re = ?.

In my original post I said...
V+ = 3V
V- = Ground
Re = 150 ohms
And the other two resistors are 100 ohms.

EDIT: Ohh and I am using a 6.5 volt power source, if that is what you meant. Sorry!
 
Xyius,
You need to be more specific. Do you have v+ at 6.5V and v- at 0V, or do you have v+ at 0V and v- at -6.5V (or something else). Also, when you say the input is 3V where exactly are you measuring. In other words, what node are you assuming to be 0V (where are you putting the black lead of your meter when you are putting red lead on Vin and seeing 3V).
 
Sorry about the ambiguity. As you can probably tell I am new at this!
The way I have it set up is. I put the positive lead of the 6.5 volt battery (It WAS a 9V but I have been using it for awhile..) for V+ and I put the ground for V-. As for the inputs, I put the positive lead of the 3V battery on one of the inputs and the ground to the other input. When measuring V+ and V- my black lead is on the ground for that battery, and likewise for the 3V power source.
 
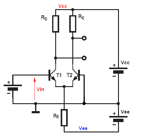
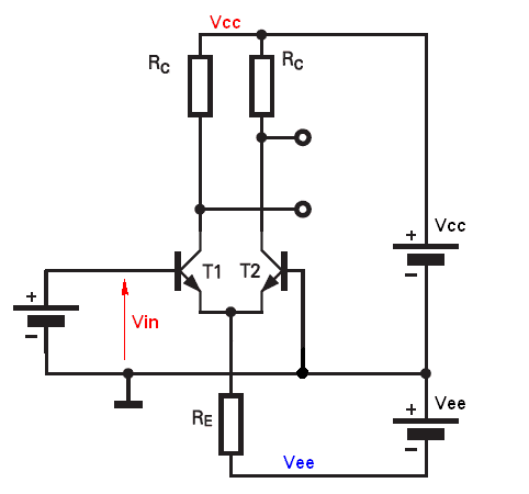
This is how you should set your differential amplifier.

attachment.php?attachmentid=47404&stc=1&d=1337365854.png
You need to use two battery one for Vcc and second one for Vee.
Also kept in mind that the linear region for BJT differential amplifier is very small.
If +Vin - (-Vin) = is greater then 150mV the one of a bjt will be in cut-off and the second one will be in saturation.
 

Attachments

  • 12.PNG
    12.PNG
    2.7 KB · Views: 1,294
Xyius said:
Sorry about the ambiguity. As you can probably tell I am new at this!
The way I have it set up is. I put the positive lead of the 6.5 volt battery (It WAS a 9V but I have been using it for awhile..) for V+ and I put the ground for V-. As for the inputs, I put the positive lead of the 3V battery on one of the inputs and the ground to the other input. When measuring V+ and V- my black lead is on the ground for that battery, and likewise for the 3V power source.
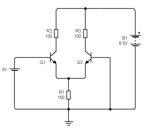
If I understand your post correctly you have build this circuit

attachment.php?attachmentid=47406&stc=1&d=1337366613.png


If so. This circuit has nothing to do with real differential amplifier.
Q2 is in cut-off and Q1 is in active region.
 

Attachments

  • 13.PNG
    13.PNG
    1.1 KB · Views: 956
Jony130 said:
This is how you should set your differential amplifier.

attachment.php?attachmentid=47404&stc=1&d=1337365854.png



You need to use two battery one for Vcc and second one for Vee.
Also kept in mind that the linear region for BJT differential amplifier is very small.
If +Vin - (-Vin) = is greater then 150mV the one of a bjt will be in cut-off and the second one will be in saturation.

Thank you very much! I will study this later and try to re-create it. I just have a few questions..
1.) What roles to the values of the resistors play? What values should I use?
2.) Same question, but for the batteries.
3.) Why is it that one BJT will cut off and one will be in saturation after a 150 mV difference? Would that mean that one BJT is doing all the work while the other is doing nothing?

Thanks again!
 
Xyius said:
I want to learn more about Op-Amps and amplification so I am making a simple differential amplifier. The circuit looks like this...
Difference_amplifier.png

I set it up and it isn't working correctly. First I tried putting 3 volts for Vin+ and ground for Vin-, and the voltage across Vout was around half a volt. I don't understand this result. Shouldn't it be an amplification of the difference in voltage? (Which is 3 volts correct?) How can I get half a volt? I didn't know what value of resistors to use so I used 100 ohm for RC1 and RC2 and 150 ohm for Re (Completely arbitrarily chosen).

Can anyone help me out?
Thanks!

First, for a differential pair to work properly, you have to have a matched pair for Q1 and Q2. But this is not your problem. Your differential voltage is too large. You have +3 at base of Q1, and 0 at base of Q2, Q1 is totally on and Q2 is totally off. You don't have a differential pair anymore.

Differential voltage range between Q1 and Q2 can only be very small by equation:

[tex]V_{B1}-V_{B2}=V_T ln\left[ \frac{I_{C1}}{I_{C2}}\right]\;\Rightarrow\; \frac{I_{C1}}{I_{C2}}\;=\; e^{\left({\frac{V_{B1}-V_{B2}}{V_T}}\right)}\;\hbox { where }\; V_T≈\hbox { 25mV.}[/tex]

As you can see, if the input differential voltage is much larger than 25mV ( 250mV) the ratio is going to be very large and consider cocked to one side. Q2 is turn off and disappeared.

This will hold true even in the more clearly defined biasing condition in the later posts.
 
Last edited:
  • #10
1.) What roles to the values of the resistors play? What values should I use?
Well the resistor sets various of the amplifier parameters. The most important one is of course the voltage gain. But also the proper DC bias point is also important.
For example if you use two 9V batteries then. It is good to have:
Rc = (0.5*Vcc)/Ic and Re = (Vee - Vbe)/ (2Ic)

So for example

Rc = 4.5V/4.5mA = 1KΩ

And

Re = (9V - 0.65V)/9mA = 920Ω ≈ 1KΩ

I use Vcc = 9V and Vee = 9V

2.) Same question, but for the batteries.
We use symmetric power supply because it is a natural way to power differential Amplifier.
Only in this case we can connect the BJT bases to gnd but we still have bout bjt to work in there linear region. So we made a true DC amplifier.


3.) Why is it that one BJT will cut off and one will be in saturation after a 150 mV difference?

http://www.engga.uwo.ca/people/adounavis/courses/ece235b/notes/ECE235b_L07_DifferentialAmps.pdf

Would that mean that one BJT is doing all the work while the other is doing nothing?
exactly
 
Last edited by a moderator:
  • #11
Jony130 said:
Well the resistor sets various of the amplifier parameters. The most important one is of course the voltage gain. But also the proper DC bias point is also important.
For example if you use two 9V batteries then. It is good to have:
Rc = (0.5*Vcc)/Ic and Re = (Vee - Vbe)/ (2Ic)

So for example

Rc = 4.5V/4.5mA = 1KΩ

And

Re = (9V - 0.65V)/9mA = 920Ω ≈ 1KΩ

I use Vcc = 9V and Vee = 9V


We use symmetric power supply because it is a natural way to power differential Amplifier.
Only in this case we can connect the BJT bases to gnd but we still have bout bjt to work in there linear region. So we made a true DC amplifier.




http://www.engga.uwo.ca/people/adounavis/courses/ece235b/notes/ECE235b_L07_DifferentialAmps.pdf


exactly

Thank you very much! The link you provided is proving to be very helpful! I just have one question. Why do they use an exponential relationship for the current in section 7.3.2? How would I derive or deduce that it is an exponential relationship?
 
Last edited by a moderator:
  • #12
Xyius said:
Thank you very much! The link you provided is proving to be very helpful! I just have one question. Why do they use an exponential relationship for the current in section 7.3.2? How would I derive or deduce that it is an exponential relationship?
When we star learn about BJT the told as that BJT is a current control (base current) current source.
Ic = β * Ib
But this simply model don't tell as the full story about BJT.

In reality the collector current is equal to

[tex]I_{C}≈I_{S}*\hbox e^{(\frac{V_{BE}}{V_T})}[/tex]

And this e in the equation tell as that this is a exponential relationship.


http://www.wolframalpha.com/input/?i=e^x
 
  • #13
Jony130 said:
When we star learn about BJT the told as that BJT is a current control (base current) current source.
Ic = β * Ib
But this simply model don't tell as the full story about BJT.

In reality the collector current is equal to

[tex]I_{C}≈I_{S}*\hbox e^{(\frac{V_{BE}}{V_T})}[/tex]

And this e in the equation tell as that this is a exponential relationship.http://www.wolframalpha.com/input/?i=e^x

And if you use this equation for Q1 and Q2 and divide equation of Q1 by Q2, you get the equation I posted.
 
  • #14
Jony130 said:
When we star learn about BJT the told as that BJT is a current control (base current) current source.
Ic = β * Ib
But this simply model don't tell as the full story about BJT.

In reality the collector current is equal to

[tex]I_{C}≈I_{S}*\hbox e^{(\frac{V_{BE}}{V_T})}[/tex]

And this e in the equation tell as that this is a exponential relationship.


http://www.wolframalpha.com/input/?i=e^x

I was asking on how would I derive the exponential relationship. (I am very well versed in mathematics, I will have a bachelors in applied physics in a year) Is there a differential equation I can solve that gives it to me?
 
  • #15
OK I understand what you want. But I don't know the answer to your question.
But if you interest in this you should buy some book about semiconductor physics.
 
  • #16
Here is a simulation (first attachment) of a 2N5210 differential amplifier using LT Spice (free software). Vcc = + 9 volts, and Vee = -9 volts, with the base quiescent voltages at ground. The common emitter resistor Re is 420 ohms, to set the collector currents at about 10 mA. The collector resistors are both 420 ohms. The quiescent collector voltages are about 4.9 volts and the emitters about -0.7 volts. The input pulse is a 10 mV, 200 ns long pulse with a 2 ns rise and fall time. The full differential output is about 1.1 volts, representing a full differential gain of about 110.

The second attachment from Fairchild Semiconductor http://pdf1.alldatasheet.com/datasheet-pdf/view/101319/FAIRCHILD/2N5210.html shows the 2N5210 gain-bandwidth product contours vs. collector voltage and collector current. With a collector voltage of 5.4 volts, and a collector current of 10 milliamps, the gain-bandwidth product is 175 MHz. (I don't think the simulation is accurate).

Fairchild used to publish the gain-bandwidth plot with all its fast transistors.
 

Attachments

  • 2N5210­simulation.jpg
    2N5210­simulation.jpg
    26.7 KB · Views: 537
  • 2N5210_bandwidth.jpg
    2N5210_bandwidth.jpg
    41 KB · Views: 507
  • #17
your diff amp will have better common-mode rejection if you can make the Re as large as possible (which will require Vee to be even more negative). what you really want is a constant current source instead of the Vee/Re combination and you can get that with a transistor (also NPN) with a very low hoe parameter.

if you do that and your transistor pair is well matched (and two Rc are well matched), you should have a very good diff amp.
 

Similar threads

  • · Replies 3 ·
Replies
3
Views
3K
Replies
12
Views
2K
  • · Replies 20 ·
Replies
20
Views
4K
  • · Replies 8 ·
Replies
8
Views
3K
  • · Replies 2 ·
Replies
2
Views
2K
  • · Replies 6 ·
Replies
6
Views
6K
  • · Replies 29 ·
Replies
29
Views
5K
  • · Replies 11 ·
Replies
11
Views
3K
Replies
2
Views
2K
  • · Replies 13 ·
Replies
13
Views
3K