Effect of placing twisted wire in a Stainless tube

  • Thread starter Thread starter Planobilly
  • Start date Start date
  • Tags Tags
    Tube Wire
Click For Summary

Discussion Overview

The discussion revolves around the potential effects of placing twisted insulated copper wire within a stainless steel tube to reduce magnetic field interference in a tube guitar amplifier circuit. Participants explore various methods of minimizing hum and electromagnetic interference (EMI) in audio applications, particularly focusing on the use of twisted pair wiring and shielding techniques.

Discussion Character

  • Exploratory
  • Technical explanation
  • Debate/contested
  • Conceptual clarification

Main Points Raised

  • Some participants suggest that twisted pair cables are effective for canceling electromagnetic interference from external sources, questioning the need for a Gaussmeter.
  • Others propose that using shielded twisted pair wire might be a better solution for reducing EMI.
  • One participant emphasizes the importance of grounding methods in relation to hum in tube guitar amplifiers, noting that the twisted wire should not generate significant magnetic fields.
  • Another participant discusses the limitations of stainless steel as a magnetic shield compared to other materials like mu-metal, indicating that while 400 series stainless is somewhat ferromagnetic, it is not as effective as other options.
  • There is mention of various methods to control hum, including the routing of heater wires and the use of DC instead of AC for heater power to minimize coupling with preamp components.
  • Participants express a desire to understand the complexities of grounding and wiring in guitar amplifiers, noting that improper grounding can lead to noise issues.
  • One participant shares personal experiences with amplifier design and noise, indicating a commitment to learning and improving their understanding of these issues.

Areas of Agreement / Disagreement

Participants do not reach a consensus on the effectiveness of using a stainless steel tube for magnetic shielding, and multiple competing views on the best methods for reducing hum and EMI remain present throughout the discussion.

Contextual Notes

Participants express uncertainty regarding the specific conditions under which the proposed solutions would be effective, including the types of materials used and the grounding methods employed. The discussion also highlights the complexity of audio circuit design and the potential for conflicting information in existing literature.

Who May Find This Useful

Individuals interested in audio engineering, particularly those working with tube guitar amplifiers, may find this discussion relevant. It may also benefit those exploring electromagnetic interference and grounding techniques in electronic circuit design.

Planobilly
Messages
440
Reaction score
105
Consider 12 inches of 22 g twisted insulated copper wire with a 1 amp AC current at 6.2 volts.
The idea is to reduce the magnetic field effect on near by components.

Would placing this wire in a stainless steel tube reduce the magnetic field?

Can this be proven with a Gaussmeter? Note: I see Gaussmeters for sale in the one to two hundred dollar range but have no experience using them. Link http://www.always-review.com/searcher/gaussmeter

Thanks,

Billy
 
Engineering news on Phys.org
I'd say save your money and forget the Gauss meter.
Twisted pair cables are
[PLAIN said:
https://en.wikipedia.org/wiki/Twisted_pair]...[/PLAIN] for the purposes to canceling out electromagnetic interference (EMI) from external sources; ...
bold by me

If you want to try this, why not just use shielded twisted pair wire?
 
Last edited by a moderator:
Planobilly said:
Consider 12 inches of 22 g twisted insulated copper wire with a 1 amp AC current at 6.2 volts.
The idea is to reduce the magnetic field effect on near by components.

Would placing this wire in a stainless steel tube reduce the magnetic field?
You shouldn't be getting much net B-field from a twisted pair cable. What frequencies are involved? What are you trying to protect? What is the lay length of the TP (the distance between twists)?
 
Hi guys,

For this issue I will confine the conversation to the typical 60hz AC 6.2 VAC circuit coming from a multi tap transformer used to power the heater elements in a typical tube guitar amp. They sometimes produce 60hz hum. The typical solution is to twist the wire. There is a limit to how many twist per inch that is possible. The cause of the hum is also very directly related to the grounding method.

I am exploring what better methods of containing magnetic fields in general exist and what tools exist to detect those fields in a practical way.

There are companies that sell many forms of material for this purpose. The SS tube example was just a way to communicate the general idea.

The twist I generally see are about 3/16 of an inch for heater feeds.

The thinking for buying a Guassmeter was to have some way of getting a visual on where the fields exist and how strong they were. There are pretty strong magnetic fields generated by power transformers and output transformers for example. The field strength gets less with distance and orientation but I am getting ahead of myself...lol

Thanks,

Billy

EDIT: Trying to protect pre amp components
 
Once you twist the wire, any hum will not be coming from the TP's magnetic field. It could be coming from other sources with other coupling mechanisms...
 
  • Like
Likes   Reactions: davenn
Many but not all "modern" guitar amps are pretty quiet. Older ones are notorious for noise issues. Twisted pairs are common but shielded twisted pairs are infrequently used although I am not sure why that is true. Cost and complexity could be one answer. Also I am speaking of point to point wiring and not addressing PCB designs. Point to point has come back into use in many "reissue" style units in the last few years.

Tube guitar amps in general are have high THD and limited bandwidth of perhaps 50hz to 5000hz. They contain both high voltages and current. They are not high fidelity amps to begin with and are designed to produce certain types of distortion as a wanted component of there design. They often are used at pretty high volume levels which cover up a lot of sins.

My reason for studying these issues is to better understand the cause and effect relationships that exist that cause not only hum but unwanted oscillations. These effect are generally most problematic near the pre amp section. My second reason is a increased demand for me to repair amp kits others have built and made a mess of and do not work. To that end I need to be able to know if the design was bad or the installation was bad or both.

I think I know the answer to the question about the SS tube. I assume the answer is yes it will diminish the magnetic field. The fact it is SS and not steel should change thing by some small amount I assume. I also assume that the shield on a cable is more or less a type of Faraday cage and that it would only be grounded on one end.

In general there is an endless amount of incorrect information in books and for sure on the internet as it pertains to design of guitar amps and there sub systems. I am trying to learn enough to sift through the information and not be lead astray by nonsense.

Cheers,

Billy
 
400 series stainless is fairly ferromnagnetic so will provide some magnetic shielding
but it's maybe a tenth so permeable as good mu-metal ,
300 series is nonmagnetic.

Are you trying to reduce hum in an amplifier that comes from heaters by shielding the heater wires?
I was taught simply twist them and route away from signal lines & preamp components. I kept them in the corners of the chassis close to the metal (usually steel) .
Centertap of heater winding was usually grounded to assure zero common mode voltage .

Some fine old amplifiers used the preamp tube heaters as cathode resistors for the output pentodes
that did a couple things
it removed AC from the wires carrying heater current in vicinity of preamp components killing one source of hum
it killed another source of hum by replacing preamp heater power with DC >>> DC can't couple across heater-cathode capacitance .
It assures no signal reaches output tubes until they've had time to warm up and establish plate current .

old jim
 
Planobilly said:
In general there is an endless amount of incorrect information in books and for sure on the internet as it pertains to design of guitar amps and there sub systems. I am trying to learn enough to sift through the information and not be lead astray by nonsense.

admirable.

Test everything against your basics. You'll enjoy seeing the boundaryof your understanding expand.

Have fun !

old jim
 
Thanks Jim

Jim ask "Are you trying to reduce hum in an amplifier that comes from heaters by shielding the heater wires? "

The answer is yes in general. The heater wiring is twisted and placed like you indicated. The chassis is more often aluminum now days but lots of steel chassis exist.

There are many ways to control all this including biasing the heater circuit.

Mainly I am trying to form a good mental picture of the many possible solutions.

In the larger picture, I need to well understand the wiring issues along with the more complex issue of grounding. With the green AC mains ground wire being more or less a requirement we are at once at odds with other grounding requirements. We need at least one other ground and so we are going in most cases to form a ground loop. How bad...depends on many things. Don't assume ground is ground because it is not in all to many cases. Not using a star ground system and placing several things directly grounded to the chassis in different places will pretty much assure problems. Little attention is normally given to optimize designs to eliminate sensitivity to ground noise.

There is no excuse in today's world for having to put up with noise in guitar amps. If I design a guitar amp I can pretty much assure you it will not make noise. The issue is all the amps I work on are designed by others and I need to understand why each amp is making noise and sound methods to fix it. I have no doubt I can learn those skills for point to point. PCBs...that is another ball game...lol

Thanks for all the instructions!

Billy

BTW...Any time you see me write "there" assume I mean " their" and we will both be right about 50% of the time...lol...Jeezz, I read my post and wonder where the blazes did that boy go to school...lol
 
  • #10
A note from my experience playing in a little band years ago; before third wire ground in plugs. And you probably already know, but ...
Amps with two terminal unpolarized plugs can be produce lots of hum depending on which direction they are plugged in.
And can also cause good ground loops from the lips to a microphone. :oldsurprised:
 
  • #11
Hey , Plano

Apart from bad wiring and not twisted wires etc, I think the other most serious factor in terms of noise is the very tube heating filament being driven by AC.Atleast I have seen real difference between changing various tubes of the same type , some were older some newer, ones made more hum the others less.When you come to think about it the supply wire runs usually with a large distance of signal wires yet the very filament is within the tube and for smaller tubes the difference between filament and plates is what? mm in size.
Maybe you can try running your tube filaments from DC ,In modern times that's not a problem , we have rectifiers and linear regulators all in small TO 220 packages.
Ads a bit complexity but then you don't need to worry about your heating wire twisting or placement and also for the tube filament.

If you remember when I made my thread about the old tube amps I got , I had very little hum and they use no grounding via power cable etc , then I changed the driver tubes to new ones and also the output tubes to new ones , adjusted the idle current etc and now there is virtually no hum , so in my case much was to blame on the tubes themselves ,at one point i thought about making the heating DC myself.
 
  • #12
Check the tube data sheets
since the heater runs red hot it softens and can sag
for that reason some tubes should only be run vertical ,
meaning if you lay the amp on its side you risk sagging the heater, bringing it closer to cathode

some tell you to keep the tube oriented to prevent sag ... for example keep pins 2&7 in a vertical plane

i only recall seeing that caution on big tubes .
 
  • #13
If you use thermionic tubes with an AC filament supply you can expect to get hum from the filament asymmetry within the cathode. Half a century ago there were circuits, I think they were called “hum-buckers”, that removed hum from amplifiers. One was a wire-wound pot of about 1000 ohms across a floating filament winding on the transformer. The pot wiper was grounded. The pot was adjusted for minimum hum. More complex hum-buckers used a capacitor to produce a phase shift or quadrature cancellation.

An alternative would be to commit blasphemy by providing a DC 6.3V filament supply from a switching converter.
 
  • #14
Hi guys,

Don
Yes, some of the the "un-grounded" two wire amps even had a switch on them so you did not have to unplug it.

Salvador
For sure AC creates the possibility of 60 cycle and 120 cycle hum. Some amps now days use DC for the first pre amp tube. As for tubes in general, they can cause all manner of issues mainly do to using tubes that do not perform to standards. I don't have tube issues any longer due to having found a vendor who provides me with well tested tubes based on what I want.

Jim
There are only a few tubes in "common use" today that require vertical positioning. There seems to be a race with designers too see who can disregard the data sheets the most and get away with it. I have seen 12AX7s running at 350V

Baluncor
I don't think designers or players would have much resistance to switching power supplies except that when they first got common they were very noisy. I think it is more an issue of cost and complexity. The repair of switching power supplies is not easy and for many guitar techs not doable. The AC heater voltage is there so a bridge and a cap or two and you have the DC voltage...simple

What all these above comments demonstrate is the multitude of possible causes for "noise" just based on wiring and grounding and the use of AC heater circuits and not even addressing other causes.

I am sure we would not even be in total agreement of what to call the noise. Hissing, static, Humming both 60 and 120 hz, crackling, Rattling, Motorboating, Unnatural harmonics, popping, sputtering, buzzing, fizzing. All those terms are out of Gerald Webers's book "Tube Amp Talk". Gerald is a super well skilled repair guy and if he says to "do this" you can bet it is correct. His method of repair is based on years of hand on experience and sometimes is lacking in technical explanation.

It is less problematic to find the cause of noise in a brand and model of amp I have worked on a lot because I know what it normally sounds like when running correctly and know the noise is not a a function of bad design. Well...that is if someone has not made changes. You would be amassed at what some owners do to their amps...lol

Worse case is some amp made by some boutique amp maker with no schematic and no information about the amp. At that point if one does not have the skill to analyze the design for issues, solving the problems becomes just guess work. Even educated guess work can take hours and be frustrating as hell.

To that end I intend to become better educated.

Cheers,

Billy
 
  • #15
On a related subject there is a guy, Kevin O'Connor from Thunder Bay, Canada who has written many books about amp building. One called "The Ultimate Tone Volume 3" describes what some consider the best method of grounding. Keven is well known on the DIY forum and others. Some agree with him and some don't.

I have in mind to buy his book. I only hesitate due to the high cost of $68 for a photo copied spiral bound book. Seems a bit pricey. Here is a link: http://www.londonpower.com/audio-design-books/TUT3

Anyone here read this book?

Thanks,

Billy
 
  • #16
Planobilly said:
For this issue I will confine the conversation to the typical 60hz AC 6.2 VAC circuit coming from a multi tap transformer used to power the heater elements in a typical tube guitar amp. They sometimes produce 60hz hum. The typical solution is to twist the wire. There is a limit to how many twist per inch that is possible. The cause of the hum is also very directly related to the grounding method.
In my experience, the worst hum usually was due to ground currents because:
  • In the "good old" tube days, the steel/aluminium chassis was almost always used as "ground".
  • Between the mains transformer and the smoothing capacitor, a relatively high ripple current would run in the chassis
  • This current would not necessarily run in a straight line, it would spread out in the chassis.
  • If you the connected the "ground" part of the input signal to the chassis, a noise voltage caused by the ripple current would be added to the signal.
So remember:
  • The "ground" part of an input is a signal, and should be connected directly to the point where the input tube cathode is connected to "power ground"
  • Always assume that the chassis is electrically noisy (if you have ever tried to get an electronic device to pass FCC part 15 you know what I mean)
Shielding your heater cables will usually have little effect. Twist them and route them close to the chassis and away from low-level signals.
 
  • #17
I hope you will find this related to your problem somehow , I just finished building 4 channels of a high power Ab class amp, powered from a rather crude smps.I have a thread here on EE forums about the smps transformer core running hot, but that's another story.The thing that amazed me the most is that at first when powering only the first two channels I got some smps high frequency harmonics and noise through to the speakers, I almost made peace with that as I understood it's a crude self made thing and most importantly the noise was coming through the DC output wires as a sort of ripple leftover from the square switching waveform.
My wires , the ones coming from the psu to the boards etc are a rather big mess with wires going everywhere.
What i did is I simply sat down and thought what can I do , and I rerouted the input signal grounds and added some filtering resistors and guess what I hear no more noise in my output.
I'm not saying it's a perfect design now , no for heaven's sake , but I just proved myself that even with some messy wiring and far from low noise psu I can get decent sound simply listening to some advice and doing a bit of soldering the right wires in the right places.
So i guess it's not how the wires run in general but from where to where they run that's most important.\

I think the posters above are right the best you can do with heater wires is twist them locate them away from signal wires and let them be.Most of the hum comes from the filament itself and ground loops , I have had a fairs share of headache with ground hum.

As for the tube amps signal ground to chassis problem , well not always , I have two tube amps both have a metal chasis with tubes located inside and for both the signal ground is added to the chassis with the ground running also in the signal wire itself as the screen.at first I got a bit of HUm when I got the amps and I thought who puts ground like that but then I changed the old tubes and most importantly the filter caps, adjusted idle currents and output tube balance and now I'm silent.
Grounding chassis is not always a problem , it just matters how it's done.Those amps are from older times and they don't have the earthing third wire for the chassis , but I can touch the chassis or flip the power socket and nothing changes.Maybe a stupid advice but when your amp is running, maybe try to tap it with your fist a little to make the filaments shake and listen whether the hum gets louder ?
I did this with my older tubes and they got louder for a moment , with newer ones this effect is much less noticeable.P.S. why you say 120hz hum ? why would you get 120hz in a heater wire which is coming out of a 60 hz mains transformer?
 
  • #18
Salvador said:
P.S. why you say 120hz hum ? why would you get 120hz in a heater wire which is coming out of a 60 hz mains transformer?
120Hz could be due to a lack of filtering on the HT resulting in modulation by the plate or screen ripple voltage. Check for dry reservoir capacitors and for a shorted turn in the HT filter choke. Possibly a sick dual diode rectifier tube.
If you rectified the filament supply and had no voltage regulator then you will get 120Hz rather than 60Hz hum. With 60 Hz filament hum you should not have harmonics. With 120 Hz there may be harmonics of 120 Hz.
 
  • #19
Hi guys,

In all this discussion, I think the original question got a bit lost or was never stated correctly to begin with. The question was of a purely theoretical nature. I am not having any issue with a specific amp. I am studying both shielding issues and grounding issues in general from a practical perspective. I am exploring what ways exist to use shielding and what different shielding exist and how one type may differ from the next. The original question had little to do with grounding directly but as the two thing can both produce "noise" it is natural to get into the subject of grounding.

My need to understand these issues come from having to repair amps that are noisy. My other need is to be able to do better re-design work on new amps I build. Currently I am only building "kit" amps and re-designing some things for better results.

In the near future I have in mind to design and build a new amp from scratch. As I have no intention of producing this amp for sale, and I am not under the typical constraints of the market place I can build it with little consideration as to cost. Also, as I have no intention of using the amp outside my house, it does not really matter how large or small it is or if it looks like a typical amp.

I value the feedback you guys have provided as it either provides new ideas I have not thought of or confirms what I think I know. So, none of the conversation is wasted, at least not for me.

This new amp I have in mind will contain both tube and transistor components along with a integrated computer system to run amp modeling software but that is a whole different thread...lol

Cheers,

Billy

BTW My 120 hz hum statement was a mistake.
 
  • #20
Planobilly said:
In the near future I have in mind to design and build a new amp from scratch.
Take a look at 7199 it's designed for low hum audio

that 15 watt hifi amp in back of RCA tube manual RC30 works really well, i built one in high school
found that tube manual online as a pdf
hifiRCAtubemnual.jpg


old jm
 
  • #21
Hi Jim,

I assume the grounding was connected to the chassis. How many separate ground points existed? I also assume a two wire AC mains with no low impedance path to Earth ground. Is this correct? I also have some questions about the hum balance circuit but we can leave that for later.

Billy
 
  • #22
Guys...

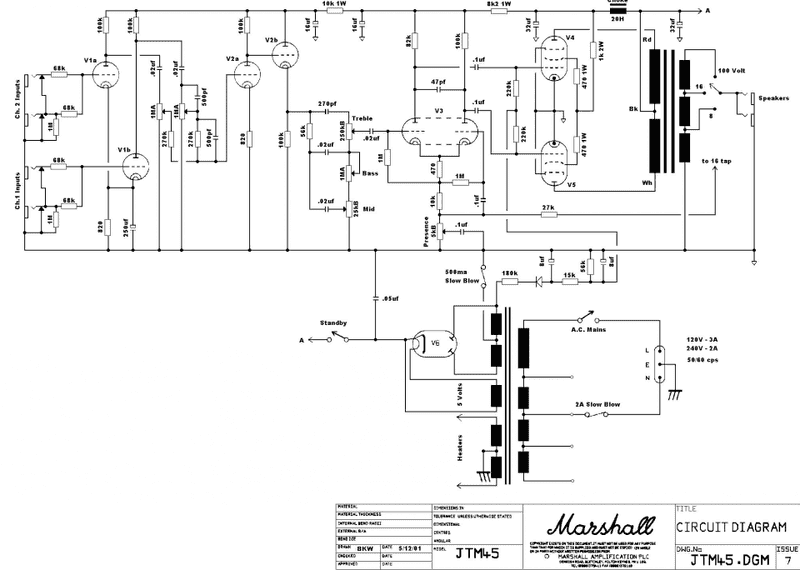
I would also like to discuss this schematic. Should I keep it here or put it in a new thread?

upload_2016-6-19_9-48-21.png


Billy
 
  • #23
upload_2016-6-19_9-57-40.png


Photo of the chassis of the above schematic. There are a few minor differences from the schematic.

Billy
 
  • #24
Planobilly said:
I would also like to discuss this schematic.
What about it?
 
  • #25
Better photo of the above

upload_2016-6-19_10-1-47.png


Billy
 
  • #26
Hi Baluncore,
Several things I have questions about.
First, there are two 1 ohm 2 watt resistors connected from the cathode of the two output tubes. The resistors are only there to provide a method of measuring current. They connect from the cathode pin directly to the chassis at the tube socket. Is this the best place to make this connection or should a wire be routed to one of the other ground points?

I will try to ask questions one at a time and bold the questions.

Thanks,

Billy
EDIT: this is the only connection to ground for the cathode so the resistors provide a path to ground but they could be just as well removed and a wire put in their place
NOTE: The questions are about best practice in general. There are no major faults in this amp and the signal to noise ratio is within acceptable limits.
 
Last edited:
  • #27
Besides those two resistors, it looks to me like there are only two other connections to the chassis. They are on either side of the reservoir capacitor base in the picture. One is mains earth, the other is the –HT supply rail after the fuse. Note that there are no low level input signals connected to the chassis.

The two resistors need to be physically mounted at both ends so the local chassis was the easy way out. They should go back to the –HT but because they are not low level signals they can go through the chassis. It is a pragmatic solution. I would have soldered a wire parallel with the chassis to the –HT, to eliminate later bonding problems at the bolted contacts.
 
  • #28
Thanks Baluncore,
The two resistors do nor appear in the original schematic and are not necessary to begin with. I think I will remove them as the plate current can be measured in other ways. I will then run two wires back to the "star" ground from the cathode pins. The photo is hard to see but there is also a ground wire running to one of the output tube resistor grounding points from the speaker output jack. I assume it would be better to also run it to the star ground.

Thanks,

Billy
 
  • #29
Planobilly said:
I will then run two wires back to the "star" ground from the cathode pins.
You only need run one wire, the push-pull output tubes will take turns at using the same wire.
It is unlikely with tubes but you may develop a parasitic inductance problem with wire rather than sheet metal.
Planobilly said:
there is also a ground wire running to one of the output tube resistor grounding points from the speaker output jack. I assume it would be better to also run it to the star ground.
Speaker ground should be run to the exact same point as the low end of the output transformer secondary. Output circuitry must be ground referenced there as feedback is taken from the transformer secondary to the cathode circuit of the phase splitter.
 
  • Like
Likes   Reactions: Salvador and jim hardy
  • #30
Baluncore said:
Speaker ground should be run to the exact same point as the low end of the output transformer secondary.
good catch

you don't want that substantial speaker current flowing through any conductors that are carrying input signal currents back to their "ground" .
 

Similar threads

Replies
5
Views
2K
  • · Replies 8 ·
Replies
8
Views
2K
Replies
8
Views
3K
  • · Replies 22 ·
Replies
22
Views
4K
  • · Replies 4 ·
Replies
4
Views
6K
  • · Replies 5 ·
Replies
5
Views
1K
  • · Replies 5 ·
Replies
5
Views
3K
  • · Replies 9 ·
Replies
9
Views
4K
  • · Replies 1 ·
Replies
1
Views
2K
  • · Replies 32 ·
2
Replies
32
Views
7K