Electric Circuit Analysis of this First Order R-L Circuit

Click For Summary

Discussion Overview

The discussion revolves around the analysis of a first-order R-L circuit, specifically focusing on the behavior of current at the moment a switch opens in the circuit. Participants are exploring the relevance of certain equations and initial conditions necessary for solving the circuit problem.

Discussion Character

  • Exploratory
  • Technical explanation
  • Homework-related

Main Points Raised

  • Some participants question the relevance of a specific equation, suggesting it may not be applicable or could be a "wild guess."
  • One participant seeks clarification on whether the current just before the switch opens is equal to the current just after it opens, indicating this is crucial for continuing their solution.
  • A participant mentions confusion regarding initial conditions from a lecture and states they have sought outside sources for clarification.
  • Another participant acknowledges the importance of inductance in the circuit, noting that it counteracts changes in current, referencing the relationship $$V = L{di\over dt}$$.

Areas of Agreement / Disagreement

Participants express uncertainty about the relevance of certain equations and the initial conditions needed for the analysis. There is no clear consensus on the correctness of the initial conditions or the equations being discussed.

Contextual Notes

Participants have indicated confusion regarding the initial conditions and the application of certain equations, which may depend on specific definitions or assumptions not fully articulated in the discussion.

Who May Find This Useful

Students and educators involved in electrical engineering or circuit analysis, particularly those studying R-L circuits and initial condition behaviors.

Xiao Xiao
Messages
30
Reaction score
3
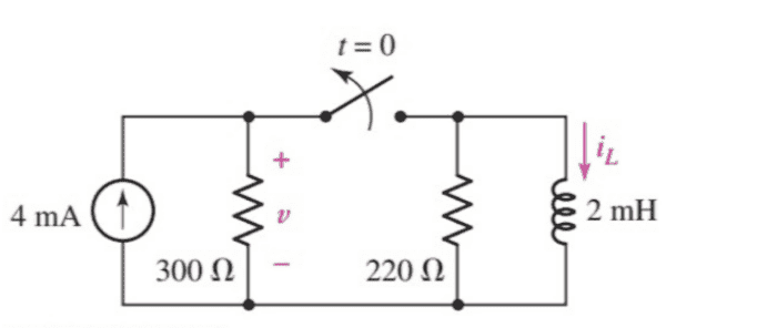
Homework Statement
Finding the current at (a) the instant just before the switch opens (b) the instant just after the switch opens.
Relevant Equations
iL before switch open is i+(0) and iL after the switch opens is i-(0), and i(0)=i+(0)=i-(0) so both have the same value?
IMG_20210517_133900.png
 
Physics news on Phys.org
Is that really a relevant equation ?

Or just a wild guess.

Please post a realistic attempt at solution, so we can help (PF guidelines forbid us unless...)

##\ ##
 
BvU said:
Is that really a relevant equation ?

Or just a wild guess.

Please post a realistic attempt at solution, so we can help (PF guidelines forbid us unless...)

##\ ##
It isn't exactly a related equation but I couldn't leave it empty so I put it there, i have attempted a solution on my own, but my question is just if the current at the instant before the switch opens=the current at the instant right after the switch opens. I just want to know if that's correct or not because it's relevant if I want to continue solving the rest of the question with my solution.
 
BvU said:
Is that really a relevant equation ?

Or just a wild guess.

Please post a realistic attempt at solution, so we can help (PF guidelines forbid us unless...)

##\ ##
Okay, my professor's lecture was very confusing and didn't properly explain initial conditions, but now I used outside sources to study and my confusion about the question is cleared so I'll delete this in a bit.
Edit: I guess deleting questions doesn't work.
 
Xiao Xiao said:
It isn't exactly a related equation but I couldn't leave it empty so I put it there, i have attempted a solution on my own, but my question is just if the current at the instant before the switch opens=the current at the instant right after the switch opens. I just want to know if that's correct or not because it's relevant if I want to continue solving the rest of the question with my solution.
You have picked up the essential part of this exercise: the inductance will behave in such a way that a change in current is counter-acted, according to the relationship $$V = L{di\over dt}$$so: bravo, well done !

##\ ##
 
  • Like
Likes   Reactions: Xiao Xiao

Similar threads

Replies
2
Views
2K
  • · Replies 4 ·
Replies
4
Views
2K
  • · Replies 8 ·
Replies
8
Views
2K
  • · Replies 1 ·
Replies
1
Views
2K
  • · Replies 7 ·
Replies
7
Views
2K
  • · Replies 9 ·
Replies
9
Views
3K
  • · Replies 3 ·
Replies
3
Views
2K
  • · Replies 4 ·
Replies
4
Views
2K
  • · Replies 4 ·
Replies
4
Views
4K
  • · Replies 5 ·
Replies
5
Views
2K