Examination of a two-pulse rectifier

  • Thread starter Thread starter polibuda
  • Start date Start date
  • Tags Tags
    Rectifier
Click For Summary
SUMMARY

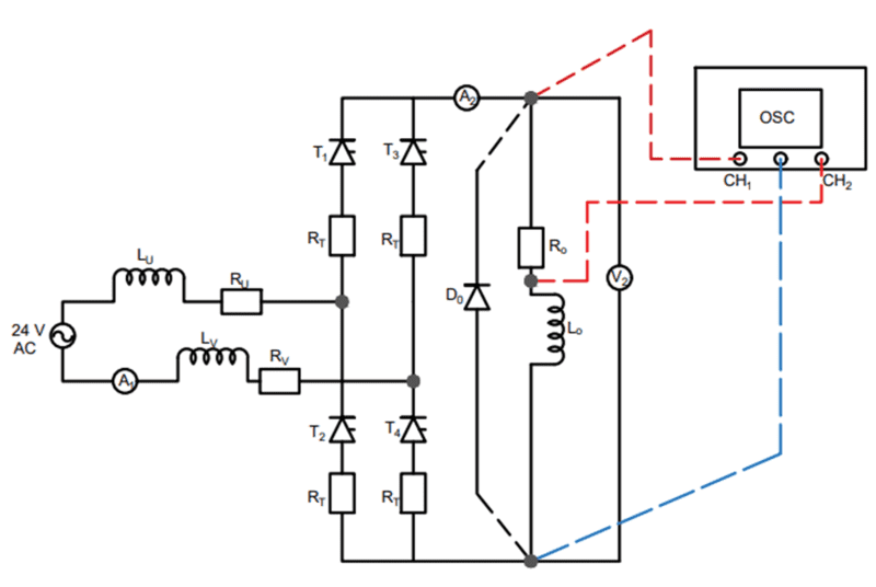
The discussion focuses on the operational characteristics of a two-pulse rectifier, specifically examining the series connection of Lu and Lv with the input current, which increases the conduction time of the T rectifiers. It highlights that the voltage drop across T1+T4 or T2+T3 exceeds that across the diode (Do), resulting in a slower decline of the Lo current during the rectifier switching crossover. The relationship between voltage (VL) and the rate of change of current (di/dt) is emphasized, indicating the importance of plotting currents and switch voltages over time to fully grasp the impact of Do.

PREREQUISITES
  • Understanding of two-pulse rectifier circuits
  • Familiarity with voltage drop concepts in semiconductor devices
  • Knowledge of inductance and its effects on current (VL = L * di/dt)
  • Experience with plotting electrical waveforms over time
NEXT STEPS
  • Research the characteristics of two-pulse rectifier circuits
  • Learn about the impact of voltage drops in rectifier configurations
  • Study inductance and its role in current behavior during switching
  • Explore tools for plotting electrical waveforms, such as MATLAB or LTspice
USEFUL FOR

Electrical engineers, power electronics specialists, and students studying rectifier circuits will benefit from this discussion, particularly those interested in optimizing rectifier performance and understanding current dynamics.

polibuda
Messages
51
Reaction score
9
Homework Statement
I'm testing a two-pulse rectifier. I am considering a system with an inductive load. I don't understand why the current I1 is slightly greater than the current I2, and when we add the diode D0, the current I2 is slightly greater than the current I1. Does it have to do with charging and discharging the coil? I don't understand why, with a resistive load, the current I1 is much greater than the current I2, and adding the D0 diode doesn't change the parameter values. I put the results in the tables. Could somebody me help with these problems?
Relevant Equations
lack
1647292713388.png

1647292666326.png

1647292679537.png
 
Physics news on Phys.org
Lu and Lv are effectively in series with the input current. That will extend the conduction time of the T rectifiers at the end of that phase.

The voltage drop across T1+T4 or T2+T3 is higher than the voltage drop across Do. Since negative Lo voltage is less with Do in circuit, the Lo current will fall slower during the rectifier switching crossover; VL = L * di/dt ;

RMS or peak currents ?
I think you must plot the currents and switch voltages against time to understand the effect of Do.
 

Similar threads

Engineering Rectifier Meter
  • · Replies 9 ·
Replies
9
Views
1K
Replies
5
Views
690
  • · Replies 4 ·
Replies
4
Views
2K
  • · Replies 8 ·
Replies
8
Views
8K
  • · Replies 1 ·
Replies
1
Views
2K
  • · Replies 1 ·
Replies
1
Views
2K
  • · Replies 14 ·
Replies
14
Views
4K
  • · Replies 6 ·
Replies
6
Views
3K
  • · Replies 5 ·
Replies
5
Views
2K
  • · Replies 7 ·
Replies
7
Views
3K