How did they get to this differential equation?

Click For Summary

Discussion Overview

The discussion revolves around the derivation of a differential equation for an RC circuit involving resistors and a capacitor after a switch is closed, applying a DC voltage. Participants explore the mathematical steps required to arrive at the differential equation governing the current and voltage in the circuit.

Discussion Character

  • Technical explanation
  • Mathematical reasoning
  • Homework-related
  • Debate/contested

Main Points Raised

  • One participant describes the initial setup of the circuit and the application of Kirchhoff's laws to express the current and voltage relationships.
  • Another participant questions the transition from a specific equation to the differential equation, expressing confusion over the algebraic manipulation involved.
  • Some participants suggest that dividing by R1C is a necessary step to simplify the equation.
  • One participant proposes using Thevenin's theorem as an alternative approach to simplify the analysis of the circuit.
  • Another participant discusses the homogeneous and particular solutions to the differential equation, noting the need to find a constant from initial conditions.
  • Several participants express uncertainty about specific algebraic steps and the reasoning behind certain transformations in the equations.

Areas of Agreement / Disagreement

Participants generally do not reach a consensus on the algebraic steps leading to the differential equation, with multiple viewpoints on the approach to take. Some suggest alternative methods while others focus on the differential equation derivation.

Contextual Notes

Participants mention the requirement to use differential equations explicitly, indicating that the discussion is situated within a learning context where certain methods are preferred over others. There are unresolved mathematical steps and assumptions regarding the circuit's behavior in steady state.

Who May Find This Useful

This discussion may be useful for students studying electrical engineering, particularly those learning about circuit analysis, differential equations in circuits, and the application of Kirchhoff's laws and Thevenin's theorem.

arhzz
Messages
284
Reaction score
58
Homework Statement
Find the voltage and current in the circuit
Relevant Equations
General math
Hello!

Disclaimer: I am not really sure in which forum I should post this problem since the homework is electrical engineering,but the problem I am facing is of mathematical nature (at least I think).

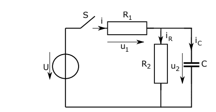
Consider this circuit;

The given RC network contains the resistors R1 = 200 Ω and R2 = 300 Ω
and the capacitance C = 50 µF and is obtained by closing the ideal switch S
applied to the DC voltage U = 10 V at t = 0

kuj.png


a)Determine i(t) and u2(t).

Now I've solved problems like this,and it always involes solving a inhomogenous differential equation. First I've used Kirchoffs law and ## i(t) = i_r(t)+ i_c(t) ## We can write the current through the resistor and coil like this;

## i(t) = \frac{u_2(t)}{R_2} + C \frac{du(t)}{dt} ## Now using second kirchhoffs law I get that the voltage ## u_2 = U - R_1i(t) ## where R1 times I is the voltage at the first resistor.

And now here is where I am having problems. I was not really able to move ahead of this part but looking at the solutions these are the steps and I do not understand them very well.

"Plugging in the loop equation in the node equation"

## i(t) = \frac{U}{R_2} - \frac{R1}{R2}i(t) - R_1 C \frac{di(t)}{dt} ##

Now I think I get this step; I am assuming that for some reason they split up the first fraction since it should be ## \frac{U-R_1i(t)}{R2} ## but that should be equal to what they have written. For the second part If we plug it in we get ## C \frac{d(U-R_1i(t)}{dt} ## and if I derive this it should be ## 0 - R_1i(t) ## and after some simplifying I get the the same equation like in the book. Now assuming I've understood this step,this one has got me completely stumped.

"and from this the differential equation"

## \frac{di(t)}{dt} + (\frac{1}{R_1} + \frac{1}{R_2})*\frac{1}{C} i(t) = \frac{U}{R_1R_2C} ##

I really don't see how they get from the step before to this step. Now assuming its simply math I am really baffeled,maybe I am missing something in terms of the circuit analysis although the problems I did before were pretty much straight forward after using the Kirchoffs laws.

Thanks for the help,and excuse the long post!
 
Physics news on Phys.org
arhzz said:
Homework Statement:: Find the voltage and current in the circuit
Relevant Equations:: General math

Hello!

Disclaimer: I am not really sure in which forum I should post this problem since the homework is electrical engineering,but the problem I am facing is of mathematical nature (at least I think).

Consider this circuit;

The given RC network contains the resistors R1 = 200 Ω and R2 = 300 Ω
and the capacitance C = 50 µF and is obtained by closing the ideal switch S
applied to the DC voltage U = 10 V at t = 0

View attachment 301113

a)Determine i(t) and u2(t).

Now I've solved problems like this,and it always involes solving a inhomogenous differential equation. First I've used Kirchoffs law and ## i(t) = i_r(t)+ i_c(t) ## We can write the current through the resistor and coil like this;

## i(t) = \frac{u_2(t)}{R_2} + C \frac{du(t)}{dt} ## Now using second kirchhoffs law I get that the voltage ## u_2 = U - R_1i(t) ## where R1 times I is the voltage at the first resistor.

And now here is where I am having problems. I was not really able to move ahead of this part but looking at the solutions these are the steps and I do not understand them very well.

"Plugging in the loop equation in the node equation"

## i(t) = \frac{U}{R_2} - \frac{R1}{R2}i(t) - R_1 C \frac{di(t)}{dt} ##

Now I think I get this step; I am assuming that for some reason they split up the first fraction since it should be ## \frac{U-R_1i(t)}{R2} ## but that should be equal to what they have written. For the second part If we plug it in we get ## C \frac{d(U-R_1i(t)}{dt} ## and if I derive this it should be ## 0 - R_1i(t) ## and after some simplifying I get the the same equation like in the book. Now assuming I've understood this step,this one has got me completely stumped.

"and from this the differential equation"

## \frac{di(t)}{dt} + (\frac{1}{R_1} + \frac{1}{R_2})*\frac{1}{C} i(t) = \frac{U}{R_1R_2C} ##

I really don't see how they get from the step before to this step. Now assuming its simply math I am really baffeled,maybe I am missing something in terms of the circuit analysis although the problems I did before were pretty much straight forward after using the Kirchoffs laws.

Thanks for the help,and excuse the long post!
It's just algebra. Are you forgetting about the ##i(t)## on the lefthand side of the equation?
 
It seems Dividing by R1C .
 
  • Like
Likes   Reactions: arhzz
vela said:
It's just algebra. Are you forgetting about the ##i(t)## on the lefthand side of the equation?
Well algabreic manipulation is by no means my "math strength". I see the ## i(t) ## on the left but in the next equation it is somehow transformed into ##\frac{U}{R_1R_2C} ##.
 
anuttarasammyak said:
It seems Dividing by R1C .
Good observation,I can already see how some of the terms came to be.I will sit down and do it myself step by step. Thanks!
 
Hi @arhzz. Are you required to use differential equations? If you know Thevenin's theorem it makes the problem simple.

Treat the capacitor as the ‘load’ and use Thevenin's theorem to find ##V_{Th}## and ##R_{Th}##.

The voltage across the capacitor (##u_2(t)##) is then given by the standard RC charging formula:
##u_2(t) = V_{Th}e^{-\frac t {\tau}}## where ##\tau = R_{Th} C##.

The rest follows.
 
  • Like
Likes   Reactions: arhzz
Okay so I've tried it for a bit and I think I got it

## i(t) = \frac{U}{R_2} - \frac{R1}{R2}i(t) - R_1 C \frac{di(t)}{dt} ## Now divide by R1C

## \frac{i(t)}{R_1C} = \frac{U}{R_1R_2C} - \frac{1}{R_2C} i(t) - \frac{di(t)}{dt} ## Now move the "constant" on one side and leave the ## i(t) ## on the other side so we get;

## \frac{i(t)}{R_1C} + \frac{1}{R_2C} i(t) + \frac{di(t)}{dt} = \frac{U}{R_1R_2C} ## And now a litle bit more rewriting (I fail to see why it was rewriten in such a specific way)

## (\frac{1}{R_1} + \frac{1}{R_2})\frac{1}{C} i(t) + \frac{di(t)}{dt} = \frac{U}{R_1R_2C} ##

Thanks for the help as always. I think I can take it from here.

Cheers!
 
Steve4Physics said:
Hi @arhzz. Are you required to use differential equations? If you know Thevenin's theorem it makes the problem simple.

Treat the capacitor as the ‘load’ and use Thevenin's theorem to find ##V_{Th}## and ##R_{Th}##.

The voltage across the capacitor (##u_2(t)##) is then given by the standard RC charging formula:
##u_2(t) = V_{Th}e^{-\frac t {\tau}}## where ##\tau = R_{Th} C##.

The rest follows.
Hi,I intend to use the standard RC charging formula,but we are explicitly required to use differential equations and try to keep the circuits as given (without further simplification) since the next topic we do will involve solving circuits that have more than one L or C in them.

Thanks for the help and idea !
 
  • Like
Likes   Reactions: Steve4Physics
arhzz said:
I fail to see why it was rewriten in such a specific way
It has been written on the form
$$
k f(t) + f’(t) = c.
$$
This is a quite standard ordinary differential equation.
 
  • #10
Okay so I did run into a problem with this circuit towards the end.In particular;

I have found the homogenus soltion to be ## i_h(t) = ke^{\frac{t}{-6ms}} ## where the -6ms is the time constant tau. This should be correct (atleast it is so in the book as well) then I went to find the particular solution. We find that solution after the circuit is in "steady state".At that point the current flowing through the capacitor is 0,so we can pretend like it is not there. Hence we are left with the two resistors in series so the current should be (and with that the particular solution)

##i_p(t) = \frac{U}{R_1+R_2} ## I get 20 mA. Which is the solution in the book. Now I need to find the constant k and this is where I am having trouble. I know that we need to get k from the initial conditions,and usually what is done we search for k at t=0. Plug that into the original solution for i(t) and we should get the result. I tried that but it did not bring much since after plugging in I get;

##i(t) = 20mA + k ## since anything to the power of 0 is 1. But this leave me with an equation I cannot solve since I do not have i(t). I tried it for quite a while,and after checking in the book I am a bit confused. It was solved like this;

##i(t=0) = \frac{U}{R_1} ## that equals 50mA

## 50mA = 20mA + k ## and k comes out to be 30mA.

Now I do not see how they come to get to this first equation for i(t) = 50mA. that is the voltage at the first resistor but why do we need that to be i(t) ? What am I missing here?.

Also this has basically turned into a circuit analysis question so if some of the admins would be kind to transfer the post into the Engineering forum,since I do not want to double post .

Thanks in advance!
 
  • #11
arhzz said:
Now I do not see how they come to get to this first equation for i(t) = 50mA. that is the voltage at the first resistor but why do we need that to be i(t) ? What am I missing here?.
##i(t)## is a current, not a voltage, so I don't think you meant what you wrote.

The one thing you do know at ##t=0## is the initial condition of the capacitor. Start there.
 
  • #12
arhzz said:
I tried that but it did not bring much since after plugging in I get;

i(t)=20mA+k since anything to the power of 0 is 1.
This is incorrect. The LHS should be evaluated at t=0 too. You cannot treat it as time dependent. Therefore the LHS should be i(0), the current just when the circuit is closed.
 
  • #13
Orodruin said:
This is incorrect. The LHS should be evaluated at t=0 too. You cannot treat it as time dependent. Therefore the LHS should be i(0), the current just when the circuit is closed.
Ooooh okay that makes sence, so I need to take in consideration what happens with the capacitor as soon as the circuit closes? To be more specific how will that affect the circuit and where the current will flow?
 
  • #14
arhzz said:
Ooooh okay that makes sence, so I need to take in consideration what happens with the capacitor as soon as the circuit closes? To be more specific how will that affect the circuit and where the current will flow?
In case you haven't already realized...

At t=0, the capacitor is (just for an instant) uncharged. Therefore it offers no opposition to the flow of current. That means, at t=0, the capacitor acts (for an instant) as a short-circuit across ##R_2##.
 
  • Like
Likes   Reactions: arhzz
  • #15
arhzz said:
Ooooh okay that makes sence, so I need to take in consideration what happens with the capacitor as soon as the circuit closes? To be more specific how will that affect the circuit and where the current will flow?
That's what you need to figure out. Steve gave you one way to look at it. Another way is to consider the voltage across the capacitor at ##t=0##.
 
  • Like
Likes   Reactions: arhzz
  • #16
Orodruin said:
This is incorrect. The LHS should be evaluated at t=0 too. You cannot treat it as time dependent. Therefore the LHS should be i(0), the current just when the circuit is closed.
I got it now,when the circuit closes for a split second (so at times really close to 0) the capacitor will act simply like a wire,meaning the circuit will look like this;

kuj.png


Its pretty clear that I will simply flow through R1 and through the wire to the right,avoiding the R2 resistor. hence R2 is short circuted and we can use Ohm's law to find i(t=0). The rest I have figured out.

Thanks for the help guys as always!
 
  • Like
Likes   Reactions: Steve4Physics
  • #17
arhzz said:
I got it now,when the circuit closes for a split second (so at times really close to 0) the capacitor will act simply like a wire,meaning the circuit will look like this;

View attachment 301169

Its pretty clear that I will simply flow through R1 and through the wire to the right,avoiding the R2 resistor. hence R2 is short circuted and we can use Ohm's law to find i(t=0). The rest I have figured out.

Thanks for the help guys as always!
Alternatively, as vela said, you can argue that the voltage across the capacitor at t=0 is zero so the voltage across R1 is the full source voltage.
 
  • Like
Likes   Reactions: arhzz

Similar threads

  • · Replies 28 ·
Replies
28
Views
4K
  • · Replies 6 ·
Replies
6
Views
3K
  • · Replies 5 ·
Replies
5
Views
3K
  • · Replies 4 ·
Replies
4
Views
2K
  • · Replies 5 ·
Replies
5
Views
2K
  • · Replies 6 ·
Replies
6
Views
2K
  • · Replies 5 ·
Replies
5
Views
2K
  • · Replies 2 ·
Replies
2
Views
2K
  • · Replies 1 ·
Replies
1
Views
3K
  • · Replies 3 ·
Replies
3
Views
2K