How to find the equivalent resistance of this electric circuit?

Click For Summary

Discussion Overview

The discussion revolves around calculating the equivalent resistance of a specific electric circuit with six identical resistors, each valued at 100 Ohm. Participants explore different approaches to solving the problem and consider the implications of certain resistors being superfluous.

Discussion Character

  • Technical explanation
  • Debate/contested
  • Homework-related

Main Points Raised

  • One participant suggests that resistors R5 and R6 can be considered superfluous due to a direct wire connection, leading to a simplified circuit analysis.
  • Another participant questions the validity of the "true answer" of 66.6 Ohms, prompting a discussion about the reliability of textbook answers.
  • There is acknowledgment that mistakes in textbooks can lead to doubt and encourage verification through alternative methods and resources.
  • A later reply confirms that the sequence of simplifications presented by the original poster appears correct, affirming their approach to the problem.

Areas of Agreement / Disagreement

Participants express differing views on the correctness of the "true answer" and the treatment of certain resistors as superfluous. The discussion does not reach a consensus on the equivalent resistance value or the reliability of the textbook reference.

Contextual Notes

Participants note the potential for errors in the textbook referenced, which may affect the perceived validity of the solution. The discussion also highlights the importance of developing a strong foundational understanding of the subject matter.

Leonid92
Messages
45
Reaction score
2
Thread moved from the technical forums, so no Template is shown
Summary: How to find equivalent resistance of the electric circuit?

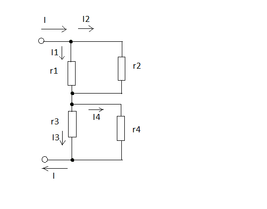
I need to solve the following problem:
Calculate equivalent resistance of the circuit (figure1), if all six resistances are the same: r1 = r2 = r3 = r4 = r5 = r6 = 100 Ohm.
True answer: 66.6 Ohm.

I tried to solve this problem, but I obtained wrong answer. Initially, I suppose that current will not flow to r5 and r6, since there is a wire without any resistor, and therefore the current will flow to where there is no resistance. Thus I consider that r5 and r6 are absent (see figure2 and figure3). After that, equivalent scheme looks like in figure4.
r1 and r2 are connected in parallel, and r3 and r4 are connected in parallel. Total resistance:
r = r12 + r34 = (r1*r2)/(r1+r2) + (r3*r4)/(r3+r4) = (100*100)/(100+100) + (100*100)/(100+100) = 100 Ohm.
Could you please write, how should I calculate equivalent resistance of given circuit?
 

Attachments

  • Figure1.png
    Figure1.png
    1.8 KB · Views: 364
  • Figure2.png
    Figure2.png
    2.9 KB · Views: 392
  • Figure3.png
    Figure3.png
    2.1 KB · Views: 358
  • Figure4.png
    Figure4.png
    1.4 KB · Views: 349
Physics news on Phys.org
You are correct to assert that R4 and R5 (<-- look! a typo! EDIT: I meant R5, R6) are superfluous. What makes you think that the "true answer" is 66.6 Ohms?
 
Last edited:
  • Like
Likes   Reactions: Leonid92 and berkeman
lewando said:
You are correct to assert that R4 and R5 are superfluous. What makes you think that the "true answer" is 66.6 Ohms?

The true answer is given in problems section for specific chapter of the electrical engineering textbook (The chapter is called "Simple DC electrical circuits"). It is old textbook published in 1989, and there are some mistakes in it, but I thought that the answer given in this book for the problem that I posted is unlikely to be wrong.
 
Mistakes in textbooks can be very frustrating. If you find 2 or 3, then soon everything is cast in doubt (as it probably should be). It forces you to do several things: trust your methods (which are hopefully correct), try alternate methods, look at other textbooks (or internet resources) for confirmation of a suspicion, and probably most importantly, develop a strong foundation in the subject matter.

By the way, I am operating in bufoon mode today. I was trying to edit post #2 to correct an irony-laden typo-- not R4, R5, but rather R5, R6. I killed the post instead. I suppose as humans, we are constrained by our humanity.
 
Last edited:
  • Like
Likes   Reactions: Leonid92
lewando said:
Mistakes in textbooks can be very frustrating. If you find 2 or 3, then soon everything is cast in doubt (as it probably should be). It forces you to do several things: trust your methods (which are hopefully correct), try alternate methods, look at other textbooks (or internet resources) for confirmation of a suspicion, and probably most importantly, develop a strong foundation in the subject matter.

By the way, I am operating in bufoon mode today. I was trying to edit post #2 to correct an irony-laden typo-- not R4, R5, but rather R5, R6. I killed the post instead. I suppose as humans, we are constrained by our humanity.

I understood that there was typo in post #2 :)
Thank you for your reply!
 
Leonid92 said:
100 Ohm.
Your sequence of simplifications looks right.
 
  • Like
Likes   Reactions: Leonid92

Similar threads

  • · Replies 4 ·
Replies
4
Views
2K
  • · Replies 2 ·
Replies
2
Views
3K
  • · Replies 9 ·
Replies
9
Views
7K
  • · Replies 4 ·
Replies
4
Views
3K
  • · Replies 3 ·
Replies
3
Views
2K
  • · Replies 9 ·
Replies
9
Views
8K
  • · Replies 2 ·
Replies
2
Views
4K
  • · Replies 22 ·
Replies
22
Views
3K
  • · Replies 7 ·
Replies
7
Views
2K
  • · Replies 15 ·
Replies
15
Views
3K