KVL and finding circuit currents

  • Context: Engineering 
  • Thread starter Thread starter cjm181
  • Start date Start date
  • Tags Tags
    Circuit Currents Kvl
Click For Summary
SUMMARY

The discussion focuses on calculating circuit currents using Kirchhoff's Voltage Law (KVL) and Ohm's Law in a bi-directional opto coupler input interface circuit. When a 20 V supply voltage is applied, the LED experiences a 2 V drop, resulting in a calculated LED current of 1.745 mA and a current of 6 mA through the 3 kΩ resistor. The calculations confirm that the voltage drop across the 470 Ω resistor is also 2 V, leading to a total current of 6 mA in the circuit. The method and results presented are accurate and align with established electrical engineering principles.

PREREQUISITES
  • Understanding of Kirchhoff's Voltage Law (KVL)
  • Proficiency in Ohm's Law calculations
  • Familiarity with parallel circuit analysis
  • Knowledge of basic electronic components, specifically resistors and LEDs
NEXT STEPS
  • Study advanced applications of Kirchhoff's Voltage Law in complex circuits
  • Explore the characteristics and applications of bi-directional opto couplers
  • Learn about significant figures and their importance in electrical measurements
  • Investigate the effects of varying resistor values on current distribution in parallel circuits
USEFUL FOR

Electrical engineering students, hobbyists working with opto couplers, and professionals involved in circuit design and analysis will benefit from this discussion.

cjm181
Messages
68
Reaction score
1

Homework Statement

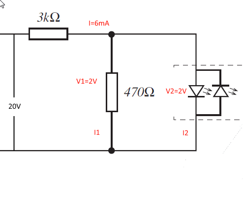
The diagram shown below shows a bi-directional opto coupler input
interface circuit. When a supply voltage of 20 V is applied the LED
carries a current and 2 V is dropped across it. Calculate the value of
the LED current and the value of current through the 3 kΩ resistance.

Q6.png


Homework Equations

The Attempt at a Solution


[/B]
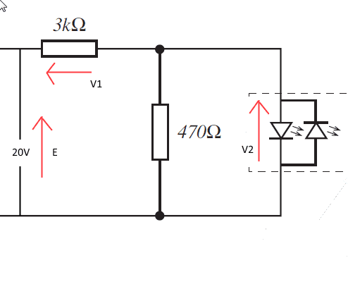
As the voltage in a parallel circuit is the same in each leg, for a voltage drop of 2V across the LED, the 470Ohm resistor must also have a voltage drop of 2V.

A6a.png

So the voltage drop across the 3kohm resistor using KVL is:
E - V1 - V2 = 0
V1 = E - V2
V1 = 20 - 2 = 18V

So I now have V and R for the 3k resistor, so using Ohms Law:
I = V / R
I = 18 / 3000 = 6x10^-3A or 6mA
6mA is the current flowing through the 3k resistor

A6b.png


As the 470 resistor has a voltage drop of 2V, I have V and I

I = V / R
I1 = 2 / 470 = 4.255x10^-3A = 4.255mA

Current in a parallel circuit is the sum of the current in each leg, so

I = I1 + I2

So
I2 = I - I1
I2 = 6 - 4.255 = 1.745mA

The answers are the current flowing through the LED is 1.745mA and the current flowing through the 3k resistor is 6mA

Is this looking somewhere close. I struggled with this

Kr
Craig
 
Physics news on Phys.org
Your method and result values look good. You might want to round the final results to appropriate numbers of significant figures.
 

Similar threads

  • · Replies 1 ·
Replies
1
Views
2K
  • · Replies 12 ·
Replies
12
Views
2K
Replies
15
Views
3K
  • · Replies 5 ·
Replies
5
Views
2K
  • · Replies 10 ·
Replies
10
Views
6K
  • · Replies 34 ·
2
Replies
34
Views
7K
  • · Replies 3 ·
Replies
3
Views
2K
  • · Replies 10 ·
Replies
10
Views
2K
  • · Replies 4 ·
Replies
4
Views
2K
  • · Replies 4 ·
Replies
4
Views
3K