How Does Shear Stress in Beams Relate to Compression and Tension?

Click For Summary

Discussion Overview

The discussion revolves around the relationship between shear stress, normal stress, and the behavior of beams under bending. Participants explore concepts related to the neutral axis, compression, and tension in beams, as well as the calculations involved in determining shear stress.

Discussion Character

  • Exploratory
  • Technical explanation
  • Conceptual clarification
  • Debate/contested

Main Points Raised

  • Some participants assert that shear stress is maximum at the neutral axis, questioning the reasoning behind this claim.
  • There is a discussion about how bending a beam results in one part undergoing compression and the other undergoing tension, with some participants suggesting that this leads to varying normal stress levels.
  • One participant seeks clarification on the relationship between the location of the neutral axis and the distribution of normal stress, specifically asking if normal stress is maximum at one end and minimum at the other.
  • Another participant mentions that shear stress depends on the orientation of the shearing force and the location of the neutral axis, indicating that these factors influence the stress distribution.
  • There is a reference to a formula for calculating shear stress, which includes variables such as shearing force, first moment of area, second moment of area, and thickness of the section.
  • Some participants express confusion about the implications of compression being represented as negative stress and how this relates to the maximum and minimum stress in different parts of the beam.

Areas of Agreement / Disagreement

Participants generally agree that shear stress is maximum at the neutral axis, but there is uncertainty and confusion regarding the implications of this and the relationship between compression, tension, and normal stress. Multiple viewpoints and interpretations remain without consensus.

Contextual Notes

Participants have not fully resolved the assumptions regarding the definitions of stress types and their implications in different contexts. The discussion includes varying interpretations of stress distribution in beams under bending.

chetzread
Messages
798
Reaction score
1

Homework Statement


In my notes , I was told that shear stress is maximum at the neutral axis . The normal stress will be maximum at one end , while the another end will be minimum...

Homework Equations

The Attempt at a Solution


Why the shear stress is maximum at the neutral axis ? When we 'tear ' an object , the boundary will move first , resulting the max shear stress occur at boundary , am i right ?

When we bend a beam , one part will undergo compression , while the another end will undergo tension ... So , the part which undergo compression will have the minimum normal stress? the another end will undergo tension will have max normal stress?
 
Physics news on Phys.org
chetzread said:

Homework Statement


In my notes , I was told that shear stress is maximum at the neutral axis . The normal stress will be maximum at one end , while the another end will be minimum...

Homework Equations

The Attempt at a Solution


Why the shear stress is maximum at the neutral axis ? When we 'tear ' an object , the boundary will move first , resulting the max shear stress occur at boundary , am i right ?

Shear stress depends on the orientation of the shearing force and the location of the neutral axis of the beam.
When we bend a beam , one part will undergo compression , while the another end will undergo tension ... So , the part which undergo compression will have the minimum normal stress? the another end will undergo tension will have max normal stress?

This all depends on the location of the neutral axis inside the cross section of the beam and the direction of the applied moment.
 
  • Like
Likes   Reactions: chetzread
SteamKing said:
Shear stress depends on the orientation of the shearing force and the location of the neutral axis of the beam.This all depends on the location of the neutral axis inside the cross section of the beam and the direction of the applied moment.
so, is the normal stress will be maximum at one end , while the another end will be minimum... ?

compression will have the minimum normal stress? the another end will undergo tension will have max normal stress?

is the statement that the shear stress is max at the neutral axis true?
 
chetzread said:
so, is the normal stress will be maximum at one end , while the another end will be minimum... ?

compression will have the minimum normal stress? the another end will undergo tension will have max normal stress?
I'm having a hard time trying to understand what you are saying.

The normal stress is a maximum at "one end". "One end" of what?

The following diagram shows a typical bending stress distribution:


images?q=tbn:ANd9GcSdpnF4PRgZVgxNgsETd5gNcVDoXZqvxdV-Feit0dOedMBaeNJH.png

is the statement that the shear stress is max at the neutral axis true?
Yes, the shear stress is a maximum at the neutral axis.

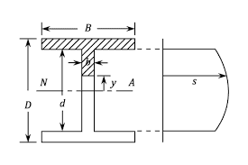
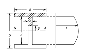
Shear stress τ is calculated by the following formula:

##\tau = \frac{V ⋅ Q}{I ⋅ t}##

where

V - is the shearing force
Q - is the first moment of area above the line where shear stress is calcuated
I - is the second moment of area
t - is the thickness of the section where the shear stress is calculated

Shear stress is typically distributed as follows:


upload_2016-7-4_19-40-44.png

 
  • Like
Likes   Reactions: chetzread
SteamKing said:
I'm having a hard time trying to understand what you are saying.

images?q=tbn:ANd9GcSdpnF4PRgZVgxNgsETd5gNcVDoXZqvxdV-Feit0dOedMBaeNJH.png


from the diagra, the top part undergo compression, so thestress is minimum? the lower part is tension ,so stress is maximum?
 
SteamKing said:
I'm having a hard time trying to understand what you are saying.



Yes, the shear stress is a maximum at the neutral axis.

Shear stress τ is calculated by the following formula:

##\tau = \frac{V ⋅ Q}{I ⋅ t}##

where

V - is the shearing force
Q - is the first moment of area above the line where shear stress is calcuated
I - is the second moment of area
t - is the thickness of the section where the shear stress is calculated

Shear stress is typically distributed as follows:

the thickness is measured from neutral axis? so at center , the thickness is minimum ,shear stress is max?
 

Similar threads

  • · Replies 5 ·
Replies
5
Views
3K
  • · Replies 11 ·
Replies
11
Views
3K
  • · Replies 8 ·
Replies
8
Views
4K
Replies
5
Views
4K
  • · Replies 11 ·
Replies
11
Views
3K
Replies
1
Views
2K
  • · Replies 36 ·
2
Replies
36
Views
6K
  • · Replies 1 ·
Replies
1
Views
2K
  • · Replies 3 ·
Replies
3
Views
2K
  • · Replies 9 ·
Replies
9
Views
3K