How to Correctly Find the Thevenin Equivalent Circuit?

Click For Summary
SUMMARY

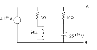
The discussion focuses on finding the Thevenin Equivalent Circuit using mesh analysis and complex numbers. The user calculates the current in the middle mesh, denoted as i2, using the equation j25 = (i2 - i1)(3 + j4) + i2(10). After determining i2, the voltage across the 10-ohm resistor is computed, followed by calculating Vab. The user reports an incorrect result of Vab, which should be 22.2 V at a 98º angle, indicating a potential error in their calculations or assumptions.

PREREQUISITES
  • Understanding of Thevenin's Theorem
  • Knowledge of mesh analysis in electrical circuits
  • Familiarity with complex numbers in circuit analysis
  • Proficiency in applying Kirchhoff's Voltage Law (KVL) and Kirchhoff's Current Law (KCL)
NEXT STEPS
  • Review mesh analysis techniques for complex circuits
  • Study Thevenin's Theorem applications in AC circuits
  • Learn how to correctly apply KVL and KCL in mesh analysis
  • Practice solving circuit problems involving complex impedances
USEFUL FOR

Electrical engineering students, circuit designers, and anyone involved in analyzing AC circuits using Thevenin's Theorem.

Phillipe
Messages
10
Reaction score
0

Homework Statement



Find the Thevening Equivalent Circuit for the following circuit:

1z4y6g4.png


Homework Equations



KVL, KCL.

The Attempt at a Solution



First of all, I calculate the current in the middle mesh, which I'll call i2:

[tex]- j25 = ({i_2} - {i_1})(3 + j4) + {i_2}(10)[/tex]

where i1 is the current defined by the current source. Once I've got i2, I multiply that by 10 to get the voltage in the 10 ohm resistor, and after that I calculate Vab using:

[tex]{V_{ab}} = j25 - 10({i_2})[/tex]

However, the result is incorrect (should be 22,2 V with a 98º angle). What am I doing wrong? I've used the same method with other circuits and it worked just fine.
 
Physics news on Phys.org
You'll have to show your work. Using your technique I reached the correct result.
 

Similar threads

  • · Replies 2 ·
Replies
2
Views
2K
  • · Replies 2 ·
Replies
2
Views
2K
  • · Replies 5 ·
Replies
5
Views
3K
  • · Replies 1 ·
Replies
1
Views
2K
  • · Replies 42 ·
2
Replies
42
Views
7K
Replies
1
Views
2K
  • · Replies 4 ·
Replies
4
Views
3K
  • · Replies 7 ·
Replies
7
Views
3K
  • · Replies 6 ·
Replies
6
Views
2K
  • · Replies 8 ·
Replies
8
Views
2K