How to make 3-phase contactor to chatter?

  • Thread starter Thread starter Nikhil N
  • Start date Start date
  • Tags Tags
    Contactor
Click For Summary

Discussion Overview

The discussion revolves around generating burst signals from a 3-phase contactor, specifically an ABB A16 model, to create a chattering effect similar to that of relays. Participants explore circuit diagrams and the implications of noise interference in relation to ModBus communication, as well as the standards for testing noise immunity.

Discussion Character

  • Technical explanation
  • Debate/contested
  • Experimental/applied

Main Points Raised

  • One participant seeks a circuit diagram to make the ABB A16 contactor chatter, similar to a relay.
  • Another participant suggests that the chattering contactor could serve as a noise source for ModBus communication interference experiments.
  • Concerns are raised about the reliability of results from non-standard testing procedures, emphasizing the need for adherence to industry standards like EN 61000-4-4.
  • A participant argues that if the contactor is wired correctly, it should not chatter, citing NEC requirements for powering the contactor coil from the source power.
  • Issues of signal interference causing chattering are attributed to improper routing of control wiring, particularly the proximity of low voltage and high voltage conductors.

Areas of Agreement / Disagreement

Participants express differing views on the feasibility of generating chattering in the contactor and the importance of following industry standards for testing and wiring. There is no consensus on the best approach to achieve the desired chattering effect or on the implications of the experimental setup.

Contextual Notes

Participants highlight limitations related to the experimental nature of the research and the necessity of following established wiring practices to avoid interference. The discussion does not resolve the technical challenges associated with the contactor chattering.

Nikhil N
Messages
80
Reaction score
2
I have a ABB A16, 3 phase contactor. I need to generate burst signals from this contactor as similar in relays when it switching on and off frequently. I need the circuit diagram for making the contactor to chatter.
A26_30_10_230V_50HZ.jpg

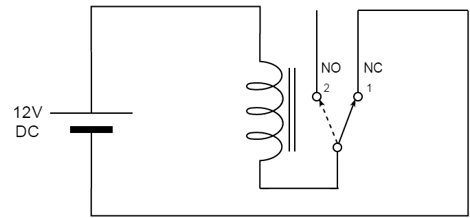
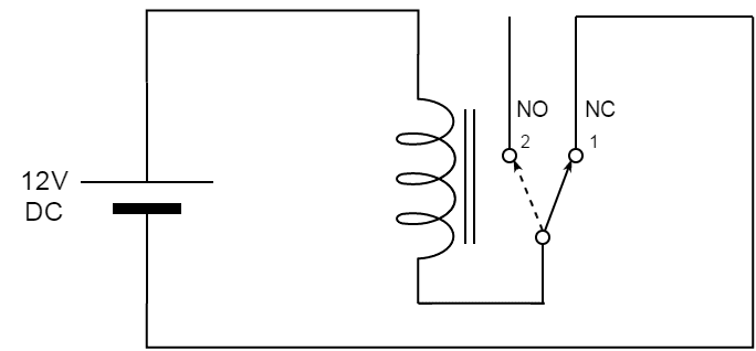
The circuit I used to make chattering relay was as below:
relay.png
 
Engineering news on Phys.org
Nikhil N said:
I have a ABB A16, 3 phase contactor. I need to generate burst signals from this contactor as similar in relays when it switching on and off frequently. I need the circuit diagram for making the contactor to chatter.View attachment 114564
The circuit I used to make chattering relay was as below:View attachment 114565
This is the noise source for your ModBus comm interference experiments?

Maybe you should consider just renting the equipment for doing the industry standard version of your noise test, EN 61000-4-4

https://www.atecorp.com/compliance-...1000-4-4-testing-and-measurement-techniques-e
 
  • Like
Likes   Reactions: Nikhil N
berkeman said:
This is the noise source for your ModBus comm interference experiments?

yes, this is the one source which I can consider as interference source. This experiment is related to academic research, can't do it outside
 
Nikhil N said:
yes, this is the one source which I can consider as interference source. This experiment is related to academic research, can't do it outside
The problem is that if you don't use a very developed and understood industry standard test procedure, others cannot rely on your results. You would never be able to sell a product based on performance in your home-brew noise rejection test. You need to demonstrate noise immunity against industry standard tests. There are lots of reasons for this, including the validity and integrity of the tests...
 
  • Like
Likes   Reactions: Nikhil N
Berkeman is 100% correct even tho your experiment is Academic in nature.. That said, there is no reason for that contactor to ever chatter if everything is wired correctly to begin with.. NEC requires the coil of the contactor be powered from the source power feeding the contactor.. This is done so the electrician that may work on this unit doesn't get his ears lite up from a random turn on signal.. Hence a Pilot Relay (or similar) is required, this is energized from your ModBus Comm system which is generally low voltage.. The major reason for any signal interference which will cause chattering in your contactor is a routing problem with your control wiring.. Low voltage control wiring is never put in the same conduiit or run parallel, in the open, with high voltage conductors.. Inductive bleed over is the issue at hand.. Berkeman is correct in saying the tests need to be preformed with 'real world' standards and procedures but it is also necessary to follow 'real world' wiring procedures as per NEC (National Electric Code/NFPA)..Sorry if I missed the whole reason for your experiment, just trying to share a little knowledge I've gained as a real world electrician...
 
  • Like
Likes   Reactions: Nikhil N and berkeman

Similar threads

  • · Replies 25 ·
Replies
25
Views
6K
  • · Replies 3 ·
Replies
3
Views
2K
  • · Replies 4 ·
Replies
4
Views
2K
Replies
2
Views
2K
  • · Replies 3 ·
Replies
3
Views
3K
Replies
6
Views
4K
  • · Replies 5 ·
Replies
5
Views
931
Replies
9
Views
3K
  • · Replies 2 ·
Replies
2
Views
2K
  • · Replies 7 ·
Replies
7
Views
1K