Opamp oscillator with amplitude stabilization

Click For Summary

Discussion Overview

The discussion revolves around the analysis of an op-amp oscillator circuit with amplitude stabilization through diodes. Participants explore the behavior of the circuit, particularly how diodes influence the amplitude of oscillations and the feedback mechanisms involved. The scope includes theoretical analysis, simulation results, and circuit behavior under different conditions.

Discussion Character

  • Exploratory
  • Technical explanation
  • Debate/contested

Main Points Raised

  • One participant notes the difficulty in understanding how diodes stabilize amplitude in the circuit and presents simulation results showing an amplitude of 8.954*sqrt(2)V.
  • Another participant suggests that the diodes conduct during different halves of the output voltage cycle, providing negative feedback to the op-amp's inverting input.
  • It is proposed that the diodes may start conducting at voltages lower than the typical 0.7V due to the gain being slightly above the critical value, which could lead to reduced gain and increased feedback.
  • A different viewpoint is raised regarding the orientation of the diodes, with a participant questioning the validity of the voltage readings based on the circuit configuration and suggesting that the diodes might be reversed.
  • One participant emphasizes the assumption of ideal diodes, suggesting that the forward voltage drop can be considered as 0V for the analysis.

Areas of Agreement / Disagreement

Participants express differing views on the orientation of the diodes and their impact on circuit behavior. There is no consensus on the exact mechanism of amplitude stabilization or the implications of the diode characteristics in this context.

Contextual Notes

Participants note that the assumptions regarding diode behavior, such as forward voltage drop, may affect the analysis. The discussion also highlights the importance of circuit configuration and the potential for varying interpretations based on simulation results.

Who May Find This Useful

Individuals interested in op-amp circuit design, feedback mechanisms in oscillators, and the effects of component characteristics on circuit behavior may find this discussion relevant.

etf
Messages
179
Reaction score
2
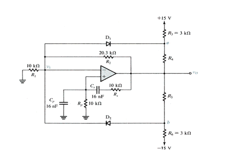
It is known R4=R5=1.2k. My task is to calculate amplitude of oscillations at v0:

limmm.png


Opamps and diodes are ideal.

I did analysis of circuit without amplitude stabilization and I got oscillation frequency, but I can't figure out how diodes stabilize amplitude in this circuit.
Any sugestion?
Thanks in advance.

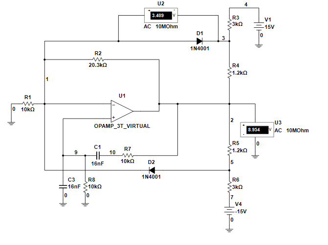
Edit: I simulated this circuit in Multisim:

sim.png


It looks like amplitude is 8.954*sqrt(2)V.
One strange thing: how can voltage on diode be 3.409V ??
I was thought that when diode is direct biased, voltage drop on it is about 0.7V.
 
Last edited:
Physics news on Phys.org
In your simulation, V4 and V5 should have opposite polarities.

One diode conducts during part of vo's positive half-cycle, and the other diode conducts during part of vo's negative half-cycle. When conducting they supply additional heavy negative feedback (an additional path for signal vo to feed back to the OP-AMP's inverting input).

A diode has 0.7V across it when conducting, but can have any voltage at all when reverse-biased.
 
  • Like
Likes   Reactions: etf
Because the gain is only slightly larger than the critical value (3.03>3) we can assume that the diodes will start to conduct (and to reduce the gain) for values smaller than 0.7 volts (perhaps 0.4...0.5 V).
Without oscillation and for small oscillation amplituts both diodes are biased in reverse direction.
Only amplitudes above a certain value will slightly open the diodes - thereby reducing the gain (increasing feedback).
 
Last edited:
  • Like
Likes   Reactions: etf
I think the diodes are shown in backwards. Your reading of U2 is impossible with the circuit as shown.
If the diodes are reversed then the negative clipping feedback thresholds make sense.
In your simulation did you run Vcc and Vee to the op amp, and what were the voltages if so?

Since the problem stated to assume ideal diodes, don't worry about 0.5V vs. 0.7V or whatever. Assume forward V = 0V.
 

Similar threads

  • · Replies 1 ·
Replies
1
Views
2K
  • · Replies 4 ·
Replies
4
Views
2K
  • · Replies 9 ·
Replies
9
Views
2K
  • · Replies 3 ·
Replies
3
Views
2K
Replies
30
Views
7K
  • · Replies 9 ·
Replies
9
Views
6K
  • · Replies 8 ·
Replies
8
Views
4K
  • · Replies 4 ·
Replies
4
Views
3K
  • · Replies 3 ·
Replies
3
Views
2K
  • · Replies 6 ·
Replies
6
Views
6K