Potential difference between two points

Click For Summary

Homework Help Overview

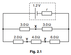
The discussion revolves around a question from an OCR A Level Physics Exam regarding potential difference (p.d.) in a circuit, specifically focusing on the p.d. between two points, X and Z, in the context of a Wheatstone bridge setup. Participants are exploring definitions, explanations, and calculations related to p.d. across resistors and the implications of current distribution in the circuit.

Discussion Character

  • Exploratory, Conceptual clarification, Problem interpretation, Assumption checking

Approaches and Questions Raised

  • Participants express confusion about the question and seek clarification on the definitions and implications of potential difference. There are discussions about the relationship between current and resistance, as well as attempts to understand why the p.d. between points X and Z is zero. Some participants reference circuit laws and the concept of a balanced Wheatstone bridge.

Discussion Status

The discussion is active, with participants sharing their attempts and reasoning. Some guidance has been offered regarding the Wheatstone bridge concept, and there is an exploration of circuit laws. Participants are questioning their understanding and the completeness of their education on the topic.

Contextual Notes

There is mention of imposed homework rules requiring participants to show their attempts before receiving help. Additionally, some participants note a lack of prior instruction on specific concepts related to the problem.

LuTEX
Messages
7
Reaction score
0

Homework Statement


3d678f9bce1448afb8219a9de57e089f.png

Question from OCR A Level Physics Exam 2014
(i) and (ii) = definitions
(iii) = explanation
(iv) = P.d. at 6Ohm Resistor = 0.48V

(v) Suggest why the p.d. between X and Z is zero

Homework Equations


I don't think there are any

The Attempt at a Solution


I couldn't understand the question at all so I looked up the answer in the mark scheme and I have no idea what it means.
02de73b0b166488c980f3e6653c556ab.png

Could someone explain it to me?

Question Paper
Mark Scheme
 
Physics news on Phys.org
Welcome to PF!
LuTEX said:

Homework Statement


View attachment 195271
Question from OCR A Level Physics Exam 2014
(i) and (ii) = definitions
(iii) = explanation
(iv) = P.d. at 6Ohm Resistor = 0.48V

(v) Suggest why the p.d. between X and Z is zero

Homework Equations


I don't think there are any

The Attempt at a Solution


I couldn't understand the question at all so I looked up the answer in the mark scheme and I have no idea what it means.
View attachment 195272
Could someone explain it to me?

Question Paper
Mark Scheme
You need to show your attempt. Per PF rules, members are not allowed to provide help here in the HH forums unless you show your working.
LuTEX said:
(iv) = P.d. at 6Ohm Resistor = 0.48V
Is that given?
 
cnh1995 said:
Welcome to PF!

You need to show your attempt. Per PF rules, members are not allowed to provide help here in the HH forums unless you show your working.

Is that given?

No, it was not given:
(iii) asked why the current at X is twice current at Y/Z and I wrote because Total R at X loop = 6Ohms and Total R at Y/Z loop = 12Ohms therefore, since current is inversely proportional to resistance, current at X = 2 * current at Y/Z

I forgot to mention that it says current at point X is 0.16A so the current at Y/Z is 0.08A (since they already said X is double Y/Z)
(iv) asked what the p.d across the 6Ohm resistor was and by V=IR = 0.08 * 6 = 0.48V

I've been mulling over (v) for a while but I just couldn't understand what it asked at all.
 
So are you clear with parts i) to iv) and you only need help with v)?

Look up 'balanced Wheatstone bridge'.
 
  • Like
Likes   Reactions: LuTEX
cnh1995 said:
So are you clear with parts i) to iv) and you only need help with v)?

Look up 'balanced Wheatstone bridge'.

Thanks! That seems to be it. So since the ratios of the resistances are equal, there is no p.d. in a bridge between those points, got it.
What I'm wondering now is why wasn't I taught this in class.
 
LuTEX said:
What I'm wondering now is why wasn't I taught this in class.
You can analyse it using simple circuit laws.
Perhaps that's what was expected in this exercise rather than just using the bridge balance condition.
LuTEX said:
So since the ratios of the resistances are equal, there is no p.d. in a bridge between those points, got it.
That's a memory trick. I think you are supposed to prove it using circuit laws.
 
cnh1995 said:
I think you are supposed to prove it using circuit laws.

Which laws would I use? Would it be that since both loops have equal total p.d.'s, the p.d. between them is zero (or something like that)?
 
You were helped by the question offering you a particularly simple example. The potential at X exactly halfway between those at the vertical wires , IOW the potential drop over the left top resistor is exactly the same as that in the right one because the two resistances are equal.
The same is true in the bottom branch because you have effectively two equal resistances of (2 + 4 =) 6Ω and 6Ω before and after Z.
For less simple cases this generalises to the proportionality considerations already mentioned (which you might work out considering any resistance of n Ω to be n resistors of 1Ω in series .

The potential at X, Z is not exactly 0.6 V because of the unknown resistance in series with the others.
 
epenguin said:
The potential at X, Z is not exactly 0.6 V because of the unknown resistance in series with the others.
Where did you get 0.6 from?
 
  • #10
LuTEX said:
Where did you get 0.6 from?

Half of 1.2 V, the battery. P.d. If r were 0 then the potential at X, Z would be 0.6 V. Witn r ≠ 0 it is not exactly this, but it is still exactly the same at X and Z.
 
  • #11
epenguin said:
Half of 1.2 V, the battery. P.d. If r were 0 then the potential at X, Z would be 0.6 V. Witn r ≠ 0 it is not exactly this, but it is still exactly the same at X and Z.
Ah yes. The question after this one asked to calculate r which I found to be 1 Ohm.
 
  • #12
I also get 1 Ω . :approve:
 
  • #13
So I asked my teacher and they said they had actually forgotten to teach us how to do a question like this.
 

Similar threads

  • · Replies 7 ·
Replies
7
Views
2K
Replies
6
Views
1K
  • · Replies 105 ·
4
Replies
105
Views
7K
Replies
1
Views
2K
  • · Replies 3 ·
Replies
3
Views
2K
  • · Replies 30 ·
2
Replies
30
Views
3K
  • · Replies 5 ·
Replies
5
Views
1K
  • · Replies 3 ·
Replies
3
Views
2K
Replies
2
Views
3K
  • · Replies 6 ·
Replies
6
Views
3K