Pressure at the bottom of a cube immersed in two liquids

Click For Summary

Homework Help Overview

The discussion revolves around calculating the hydrostatic pressure at the bottom of a cube immersed in two different liquids, specifically oil and water. Participants are examining the appropriate depths to use in their calculations.

Discussion Character

  • Exploratory, Assumption checking

Approaches and Questions Raised

  • Participants are discussing the correct values for the depths of oil and water to use in the hydrostatic pressure formula. There is uncertainty about whether to include the full height of the oil or just the height of the cube submerged in it.

Discussion Status

Some participants have provided guidance on the values to use for the depths, while others are questioning the rationale behind the teacher's suggestion to adjust the depth of oil. Multiple interpretations of the problem are being explored, particularly regarding the correct approach to calculating pressure.

Contextual Notes

There is a mention of a teacher's input that suggests a different depth for the oil, which has led to confusion among participants. The original poster is grappling with the reasoning behind this adjustment.

songoku
Messages
2,514
Reaction score
395
Homework Statement
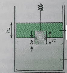
Please see the diagram below

A cube with side a = 0.1 m is immersed in 2 liquids as shown (upper liquid is oil and lower liquid is water). The value of h is 0.02 m and the value of d is 0.2 m

Find the hydrostatic pressure at the bottom of the cube
Relevant Equations
Hydrostatic pressure = ρ . g . h
1602848978219.png


I am not sure about value of depth I need to use. What I did:

Hydrostatic pressure at bottom of cube = hydrostatic pressure by oil + hydrostatic pressure by water

= ρoil . g . d + ρwater . g . h

Is it correct I use value d = 0.2 m for depth of oil and value of h = 0.02 m for depth of water to calculate the pressure?

Thanks
 
Physics news on Phys.org
songoku said:
Is it correct I use value d = 0.2 m for depth of oil and value of h = 0.02 m for depth of water to calculate the pressure?
Yes. That is the correct approach and the correct values to use.
 
  • Like
Likes   Reactions: songoku
jbriggs444 said:
Yes. That is the correct approach and the correct values to use.

Just now the teacher said my answer is wrong, h = 0.02 m is correct but it is wrong to use d = 0.2 m as the depth of oil. Instead, I should use a - h = 0.1 - 0.02 = 0.08 m as the depth of oil because that is the height of the cube in the oil.

I don't understand why I should use a - h , I think all height of oil should be included in calculating the pressure at bottom of the cube because all height of oil exerts pressure?

Thanks
 
You are right and your teacher is wrong.
 
  • Like
Likes   Reactions: songoku
Thank you very much jbriggs444 and Chestermiller
 
And that calculated pressure is the "gauge" pressure, that is, the pressure relative to the ambient pressure in the air located above the layer of oil.
 
  • Like
Likes   Reactions: songoku and jbriggs444

Similar threads

Replies
60
Views
7K
  • · Replies 5 ·
Replies
5
Views
2K
  • · Replies 18 ·
Replies
18
Views
2K
  • · Replies 11 ·
Replies
11
Views
2K
Replies
12
Views
2K
  • · Replies 22 ·
Replies
22
Views
2K
Replies
19
Views
1K
  • · Replies 7 ·
Replies
7
Views
3K
  • · Replies 2 ·
Replies
2
Views
4K
Replies
2
Views
1K