Single phase 240v and double phase 240v

  • Thread starter Thread starter rblakec
  • Start date Start date
  • Tags Tags
    Phase
Click For Summary

Discussion Overview

The discussion revolves around the concepts of single-phase and two-phase electrical systems, specifically focusing on the phase relationships and the confusion surrounding the terminology used to describe them. Participants explore the implications of these systems in practical applications, as well as the theoretical underpinnings of phase angles in electrical engineering.

Discussion Character

  • Debate/contested
  • Technical explanation
  • Conceptual clarification

Main Points Raised

  • Some participants express confusion about the phase relationships in single-phase and two-phase systems, particularly regarding the claim that phases in a single-phase system are 180 degrees out of phase.
  • One participant clarifies that a single-phase system has only one phase, with a positive and negative half of the cycle being 180 degrees out of phase.
  • Another participant explains that two-phase systems typically involve two circuits with voltage phases differing by 90 degrees, contrasting this with the 120-degree phase difference in three-phase systems.
  • There is a discussion about the terminology used, with some participants arguing that referring to the two hot wires in a single-phase system as "phases" is misleading.
  • One participant draws an analogy using DC batteries to illustrate the concept of phase difference, although this does not directly signify phase angle in DC systems.
  • Several participants seek clarification on the relationship between electrical angle and mechanical angle, indicating a desire for derivations and further explanation.
  • Links to external resources are shared to aid understanding, including diagrams and explanations of split-phase systems.

Areas of Agreement / Disagreement

Participants do not reach a consensus on the terminology and implications of phase relationships in single-phase versus two-phase systems. Multiple competing views remain, particularly regarding the definition of "phases" and the nature of the electrical systems discussed.

Contextual Notes

There are limitations in the discussion regarding the clarity of definitions and the assumptions underlying the terminology used. The relationship between electrical and mechanical angles remains unresolved, with participants expressing varying levels of understanding.

rblakec
Messages
6
Reaction score
0
looking for someone that can explain to me the phase shift on a single phase 240v system. I just read in a book that the phases in a TWO phase system are 180 degrees out of phase from each other. i guess i have misunderstood this for years. i always thought that the phases in a single phase system were 180 degrees out of phase. i never really researched two phase since it is not really used.
 
Engineering news on Phys.org
in a singe phase system there is only 1 phase so not sure why you are saying phases

there is a positive and negative half of the cycle that is 180 deg out of phase.

two phase systems.. from wiki...
Two-phase electrical power was an early 20th century polyphase alternating current electric power distribution system. Two circuits were used, with voltage phases differing by 90 degrees. Usually circuits used four wires, two for each phase. Less frequently, three wires were used, with a common wire with a larger-diameter conductor. Some early two-phase generators had two complete rotor and field assemblies, with windings physically offset by 90 electrical degrees to provide two-phase power. The generators at Niagara Falls installed in 1895 were the largest generators in the world at the time and were two-phase machines.

now that's different than 2 phases of a 3 phase system. In a normal 3 phase power system, the phases are 120 deg out of phase, adding up to a total of 360deg.
Any 2 phases are 120 deg out of phase

am sure there are some more informed guys out there that will put you straight ( and me too haha)

Dave
 
relationship between electrical angle and mechanical angle

i want to know the relationship between electrical angle and mechanical angle with derivation...
 
please someone help me and its so important to me (relationship between electrical angle and mechanical angle with derivation)
 
I am saying "phases" because there are 2 hots and a neutral coming into your house right? My understanding was that there were two sine wave
 
no not that this...

i always thought that the phases in a single phase system were 180 degrees out of phase.

you said about phases (plural) in a SINGLE phase system that was the contradiction ;)

Dave
 
maddy2011 said:
please someone help me and its so important to me (relationship between electrical angle and mechanical angle with derivation)

Hi maddy,
don't hijack someone elses thread, its rude, start your own thread :)

Dave
 
I am saying "phases" because there are 2 hots and a neutral coming into your house. "Single" phase right? Each hot is 120v to neutral or ground. 240v between hots. Same results you would get with a "TWO" phase system. "TWO"phase makes complete sense, but how is it possible to get the same result with only one phase. I think a picture on an oscilloscope would really clear things up. Anyone know of any links online?
 
Dave the key word in my first post was "thought". All that I thought I knew about single phase has gone out the window. thanks for the jab at maddy
 
  • #10
rblakec said:
I am saying "phases" because there are 2 hots and a neutral coming into your house. "Single" phase right? Each hot is 120v to neutral or ground. 240v between hots. Same results you would get with a "TWO" phase system. "TWO"phase makes complete sense, but how is it possible to get the same result with only one phase. I think a picture on an oscilloscope would really clear things up. Anyone know of any links online?

Ahhh ok... I'm not totally up with the USA system and how they split the phases.
Others on here will help with that one :)

Here in Australia ( and back in New Zealand, my home country) we have a single 240V phase coming into the house. Out on the pole in the street there are 3 phases. 240V between any phase and neutral ( ground) (Neutral is tied to ground at the house meter/fuse board). and ~400V between phases.

Dave
 
  • #11
Consider 2 nos., 1.5V DC batteries connected in series. The +ve terminal (polarity) of cell 1 is 180 deg. out of phase with -ve terminal (polarity) of cell 2. 180 deg. out of phase means both the hot lines have opposing polarities.

DC system could be considered being limited to 180 deg phase angle as there cannot be intermediate phase angle difference as is case with AC system.

P.S. Above example does not signify phase angle concept in DC. It is just to draw an analogy betwn the 2 systems to explain concept of phase difference
 
  • #12
rblakec said:
I am saying "phases" because there are 2 hots and a neutral coming into your house. "Single" phase right? Each hot is 120v to neutral or ground. 240v between hots. Same results you would get with a "TWO" phase system. "TWO"phase makes complete sense, but how is it possible to get the same result with only one phase. I think a picture on an oscilloscope would really clear things up. Anyone know of any links online?
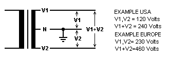
There is only one phase that is split by using a center tap ground on the secondary of a transformer as shown below (Fig. 1).

Split_phase2.png


A transformer supplying a 3-wire distribution system has a single-phase input (primary) winding. The output (secondary) winding is center-tapped and the center tap connected to a grounded neutral. This 3-wire system is common in countries with a standard phase-neutral voltage of 120 V. In this case, the transformer voltage is 120 V on either side of the center tap, giving 240 V between the two live conductors, shown as V1 and V2 in Fig. 1. The two outputs are properly called "legs", not "phases".

Bold type by me.

http://en.wikipedia.org/wiki/Split_phase
 
  • #13
Hello All - got to love the internet - 60 sec search...
http://www.ahmetkucuker.com/wp-content/uploads/2011/05/Three-Phase_Circuits.pdf

Cheers,
 
  • #14
Windadct said:
Hello All - got to love the internet - 60 sec search...
http://www.ahmetkucuker.com/wp-content/uploads/2011/05/Three-Phase_Circuits.pdf

Cheers,

The OPs question is not about 3 phases but about the confusion of 2 phase vs split-phase.
 
  • #15
Ref Page 265 in said PDF - as soon as you discuss "phases" you need to see the difference between 3 phase and single ( split ) phase systems.
 
  • #16
Windadct said:
Ref Page 265 in said PDF

Which is what I posted in post 12; to keep things simple without bringing all the 3 phase circuits up, which may confuse the OP further IMO.
 
  • #17
So would I be correct in saying that the "LEGS" of a single (split) phase sys. and the "PHASES" of a two phase sys. are both 180° apart and oppisite in polarity? ultimately the same when you compare them on an oscilloscope?
 
  • #18
rblakec said:
So would I be correct in saying that the "LEGS" of a single (split) phase sys. and the "PHASES" of a two phase sys. are both 180° apart and oppisite in polarity? ultimately the same when you compare them on an oscilloscope?
No.

Two-phase electrical power was an early 20th century polyphase alternating current electric power distribution system. Two circuits were used, with voltage phases differing by 90 degrees. Usually circuits used four wires, two for each phase.

Bold by me.

http://en.wikipedia.org/wiki/2_phase_power
 
  • #19
Digoff has it -- your house is fed with SINGLE PHASE , center-tapped.

to call the two hot wires "phases" is misleading as it infers a multiple phase system, which it really isn't.

Lavoisier would have named them better.
http://web.lemoyne.edu/~giunta/ea/lavprefann.html
""The impossibility of separating the nomenclature of a science from the science itself, is owing to this, that every branch of physical science must consist of three things; the series of facts which are the objects of the science, the ideas which represent these facts, and the words by which these ideas are expressed. Like three impressions of the same seal, the word ought to produce the idea, and the idea to be a picture of the fact. And, as ideas are preserved and communicated by means of words, it necessarily follows that we cannot improve the language of any science without at the same time improving the science itself; neither can we, on the other hand, improve a science, without improving the language or nomenclature which belongs to it. However certain the facts of any science may be, and, however just the ideas we may have formed of these facts, we can only communicate false impressions to others, while we want words by which these may be properly expressed.[3]""
 
  • #20
Thanks a lot dlgoff. That wiki picture really helped. I've never seen the sine waves of a two phase sys. And I always thought the phases(of any system) had to add up to 360° I guess I need to look up single and three phase alternators now. Thanks again
 

Similar threads

  • · Replies 5 ·
Replies
5
Views
3K
  • · Replies 41 ·
2
Replies
41
Views
19K
  • · Replies 14 ·
Replies
14
Views
8K
  • · Replies 6 ·
Replies
6
Views
2K
  • · Replies 15 ·
Replies
15
Views
6K
  • · Replies 17 ·
Replies
17
Views
4K
  • · Replies 3 ·
Replies
3
Views
2K
Replies
2
Views
2K
  • · Replies 7 ·
Replies
7
Views
2K
  • · Replies 1 ·
Replies
1
Views
2K