Three winding transformer fault current study

Click For Summary
SUMMARY

The discussion centers on unsymmetrical fault calculations for a three winding transformer, specifically focusing on zero sequence impedance. The transformer in question has primary and secondary windings connected in star with earthing, and a tertiary winding in delta. The participant confirms that the zero sequence impedance is the sum of the positive sequence impedance (Z1) and negative sequence impedance (Z2), emphasizing the significance of winding connections and earthing configurations in determining this impedance.

PREREQUISITES
  • Understanding of three winding transformer configurations
  • Knowledge of zero sequence impedance calculations
  • Familiarity with earthing methods in electrical systems
  • Basic principles of unsymmetrical fault analysis
NEXT STEPS
  • Study the calculation methods for zero sequence impedance in three winding transformers
  • Explore the impact of different earthing configurations on transformer performance
  • Learn about unsymmetrical fault analysis techniques in power systems
  • Investigate the implications of winding connections on fault current behavior
USEFUL FOR

Electrical engineers, power system analysts, and students studying transformer theory and fault analysis will benefit from this discussion.

honyeehong8692
Messages
16
Reaction score
0
Hello all!

I am carrying out the theoretical (that is, by calculation means) unsymmetrical fault calculations for three winding transformer.

It is to my understanding that for the zero sequence impedance for a three winding transformer depends on the winding connections of the generator and the transformer.

The case that I'm carrying out now has its three winding transformer - in star earthing for primary and secondary, and delta earthing for tertiary. The generator also has star earthing.

In my understanding, the zero sequence impedance of the three winding transformer is now the addition of both Z1 and Z2.

is my understanding correct? thanks!
 
Engineering news on Phys.org
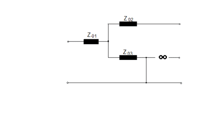
Yes windings connection and earthing of windings' neutral points are both important.
I'm not quite sure what combination you describe but here's zero sequence impedance diagram for a two stars and one delta winding transformer, both star windings neutrals earthed :

traf.png
 

Similar threads

  • · Replies 8 ·
Replies
8
Views
3K
  • · Replies 9 ·
Replies
9
Views
3K
  • · Replies 2 ·
Replies
2
Views
2K
  • · Replies 3 ·
Replies
3
Views
2K
Replies
10
Views
3K
Replies
14
Views
3K
  • · Replies 22 ·
Replies
22
Views
9K
Replies
2
Views
2K
  • · Replies 20 ·
Replies
20
Views
18K
  • · Replies 5 ·
Replies
5
Views
5K