Transistors & Conventional Current

  • Context: Undergrad 
  • Thread starter Thread starter Jimmy87
  • Start date Start date
  • Tags Tags
    Current Transistors
Click For Summary

Discussion Overview

The discussion revolves around the functioning of NPN transistors, specifically addressing the flow of current and charge carriers (electrons and holes) in both bipolar junction transistors (BJTs) and field-effect transistors (FETs). Participants explore the implications of conventional current flow versus the actual movement of charge carriers, as well as the distinctions between different types of transistors.

Discussion Character

  • Exploratory
  • Technical explanation
  • Conceptual clarification
  • Debate/contested

Main Points Raised

  • One participant questions the accuracy of a video explaining NPN transistors, particularly regarding the flow of electrons and holes, suggesting that conventional current flow should be clarified.
  • Another participant distinguishes between BJTs and FETs, noting that BJTs involve both holes and electrons, while FETs operate with a single type of carrier.
  • A participant seeks clarification on the operation of an NPN transistor in a relay circuit, asking whether holes flow from collector to base and electrons from emitter to collector when a positive voltage is applied to the base.
  • One reply emphasizes the importance of understanding conventional current flow for practical applications, while also acknowledging the need to consider the physics of charge carriers for a deeper understanding.
  • Further inquiry is made about the correct interpretation of charge movement within the BJT, questioning whether it is appropriate to discuss holes moving from collector to emitter under conventional flow assumptions.

Areas of Agreement / Disagreement

Participants express differing views on the interpretation of current flow in transistors, with some advocating for a focus on conventional current while others emphasize the importance of understanding the actual movement of charge carriers. The discussion does not reach a consensus on the best approach to conceptualizing these processes.

Contextual Notes

There are unresolved aspects regarding the definitions of current flow and the roles of electrons and holes in different types of transistors. Participants also highlight the complexity of integrating both the physics and engineering perspectives when discussing transistor operation.

Jimmy87
Messages
692
Reaction score
19
Hi, please could someone help me with NPN transistors. I found this veritasium video on YouTube () and do not think it is correct. He shows a diagram towards the end of the video with a source and drain which I looked up and source is collector and drain is emitter. He clearly shows electrons flowing from source to drain (collector to emitter) but I don't think that's right. In a conventional circuit current does indeed flow from collector to emitter for an NPN transistor but this assumes conventional current flow (i.e. positive charges flowing). Therefore, surely you must state that holes flow from source to drain to be correct here? If your talking about electrons I would have thought you would have to talk about non-conventional current flow i.e. electrons go from negative terminal across the transistor from emitter to collector to the positive terminal? Or to put in better words - electrons move from emitter to collector or holes move from collector to emitter. Or have I got it all wrong?
 
Last edited by a moderator:
Physics news on Phys.org
The smart guy should have mentioned the type of transistor he was explaining.
The video diagram is for a certain type of FET transistor.

One basic type of transistor is the BJT ( bipolar junction transistor ) which is formed from the npn and pnp arrangement that you mention with the collector, base and emitter.

A second is the FET ( field effect transistor ), which has the source, drain and gate. ( JFET and MOSFET).

A BJT and an FET are not compatable with each other and work by different principles.
A BJT is a current device and has holes/electrons moving within it. Simply put regulation is done by the amount of current flowing in/out of the base.
An FET is a voltage device and is a single carrier - either holes or electrons, but not both, Regulation is by a voltage applied to the gate.

http://en.wikipedia.org/wiki/Field-effect_transistor

http://en.wikipedia.org/wiki/Bipolar_junction_transistor
 
  • Like
Likes   Reactions: 1 person
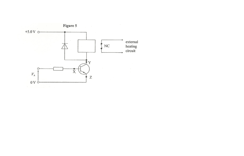
Thanks for your answer 256bits! I think that makes sense now. I have attached a diagram from my textbook of a relay circuit which uses an NPN transistor and would be very grateful if you could clarify a few things. So, with this transistor I assume it would be a BJT, is that right? When the base has a positive voltage it says that the current flows from +5V through the relay and then through the transistor from collector to the emitter. Inside the transistor would you therefore have to say that 'holes' are flowing from collector to base? Similarly if you were talking about electrons would you have to say that when a positive voltage is applied to the base, electrons flow from ground (0V) through the transistor (this time from emitter to collector) then through the relay to +5V. Is that correct?
 

Attachments

  • Relay transistor circuit.png
    Relay transistor circuit.png
    7.1 KB · Views: 764
Your circuit uses the symbol for an NPN BJT transistor, so there's no reason to think it is something different.

If you want to understand what the transistor does as part of the complete circuit, don't tie yourself in knots thinking about electrons and holes. Just think about conventional currents, that always flow from positive to negative voltage.

If you want to understand the physics of how the transistor actually works, then of course you do need to think about electrons and holes. But the best way to deal with complicated situations is break them down into simple pieces. The "physics" of how the transistor works is one thing. The "electrical engineering" of how to use it in a circuit is another thing. You don't often need to think about both things at once.
 
  • Like
Likes   Reactions: 1 person
AlephZero said:
Your circuit uses the symbol for an NPN BJT transistor, so there's no reason to think it is something different.

If you want to understand what the transistor does as part of the complete circuit, don't tie yourself in knots thinking about electrons and holes. Just think about conventional currents, that always flow from positive to negative voltage.

If you want to understand the physics of how the transistor actually works, then of course you do need to think about electrons and holes. But the best way to deal with complicated situations is break them down into simple pieces. The "physics" of how the transistor works is one thing. The "electrical engineering" of how to use it in a circuit is another thing. You don't often need to think about both things at once.

Thanks AlephZero. So what would be the correct way of interpreting the BJT NPN transistor in the diagram in terms of electrons/holes? If we stick with conventional flow like you said which means the collector is positive and the emitter is negative. Would you therefore have to talk about holes moving within the transistor from collector to emitter? Or does it now start to get too complicated.
 

Similar threads

  • · Replies 4 ·
Replies
4
Views
5K
  • · Replies 7 ·
Replies
7
Views
2K
  • · Replies 5 ·
Replies
5
Views
2K
  • · Replies 5 ·
Replies
5
Views
4K
  • · Replies 3 ·
Replies
3
Views
971
Replies
5
Views
1K
  • · Replies 1 ·
Replies
1
Views
2K
Replies
80
Views
5K
  • · Replies 5 ·
Replies
5
Views
2K
  • · Replies 6 ·
Replies
6
Views
1K