Voltage restriction for nodes on the same branch?

Click For Summary

Homework Help Overview

The discussion revolves around the behavior of current and voltage in a circuit branch between nodes c and d, particularly when the voltage at node d is greater than at node c. Participants explore the implications of having a node m within the branch that may have a voltage higher than that at node d.

Discussion Character

  • Exploratory, Assumption checking, Conceptual clarification

Approaches and Questions Raised

  • Participants discuss the validity of the assumption that current can only flow from node c to node d. Questions arise regarding the implications of having a node m with a voltage greater than Vd and how that affects current flow. Some participants suggest examining simpler examples to clarify the concepts.

Discussion Status

There is an ongoing exploration of the relationships between current and voltage in the circuit. Some participants have provided insights into Kirchhoff's laws and the behavior of current in passive branches, while others are questioning the assumptions made in the original poster's statements. The discussion is active, with multiple interpretations being considered.

Contextual Notes

Participants note the complexity of the original problem and the potential for misunderstanding due to terminology, such as the use of "branch." There is also mention of homework constraints that may limit the approaches discussed.

asd852
Messages
12
Reaction score
2
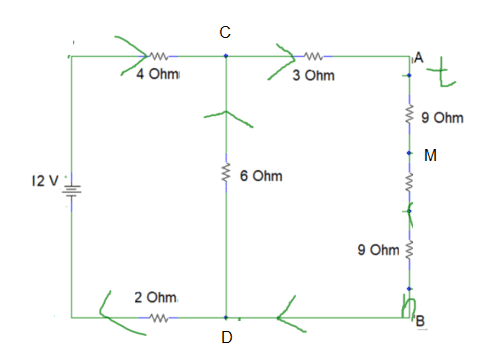
Homework Statement
Provided we have a branch between node c and d and Vd>Vc,Is it possible to have certain node (denoted by "m") in the branch whose voltage Vm is bigger than Vd??
Relevant Equations
KCL,KVL
10.png
originally ,I want to prove (TT:current can only flow from c to d),thus I try to figure out what will happen if Vd >Vc,then I label corresponding current direction.Afterwards,I know what's wrong: (A:current doesn't flow out of d ),then I attempted to prove A ,yet I consider that A might not be right when there is a node "m" whose voltage is bigger than Vd,how could I prove "A" as well as "TT"?Plus,whats the equivalent circuit for between node A and node B
 
Physics news on Phys.org
asd852 said:
Homework Statement:: Provided we have a branch between node c and d and Vd>Vc,Is it possible to have certain node (denoted by "m") in the branch whose voltage Vm is bigger than Vd??
Relevant Equations:: KCL,KVL

View attachment 273740originally ,I want to prove (TT:current can only flow from c to d),thus I try to figure out what will happen if Vd >Vc,then I label corresponding current direction.Afterwards,I know what's wrong: (A:current doesn't flow out of d ),then I attempted to prove A ,yet I consider that A might not be right when there is a node "m" whose voltage is bigger than Vd,how could I prove "A" as well as "TT"?Plus,whats the equivalent circuit for between node A and node B
Wowie. I've read the last part of your question about 5 times, and still cannot parse it. In any case, if your question is whether voltage drops need to be unidirectional when there are no power sources in the middle, then yes.
 
Sorry,I made some mistakes on the expression of concepts such as "branch".Meanwhile,it seems impossible to edit my thread.So I would like to make a modified statement here:
originally ,I want to prove (TT:current can only flow from c to d)by proving its wrong when its direction is converse(d to c) ,then I label corresponding current direction as shown above. Afterwards,I realize where it goes wrong: (A:current doesn not flow out of d ) .Next, I attempted to prove that A is necessarily wrong through proving that (opposite A) is wrong. Providing (opposite A) is true,we can draw a conclusion that certain node (denoted by "m") in the branch AB whose voltage Vm is bigger than Vd , Whether this conclusion is right or wrong bothers me? Plus,whats the equivalent circuit for between node A and node B ?
 
Last edited:
Take a simpler example for a start, say this:
temp.png

now if M > D > C or M > C > D
then current will flow from M to both C and D. So current would flow out of M but not into it !

The voltage in any part of a passive branch cannot be higher than the voltage at its highest voltage terminal, because current would then have to flow from it towards both terminals.
 

Attachments

  • temp.png
    temp.png
    7.7 KB · Views: 224
  • Like
  • Wow
Likes   Reactions: asd852 and berkeman
Merlin3189 said:
Take a simpler example for a start, say this:
View attachment 273848
now if M > D > C or M > C > D
then current will flow from M to both C and D. So current would flow out of M but not into it !

The voltage in any part of a passive branch cannot be higher than the voltage at its highest voltage terminal, because current would then have to flow from it towards both terminals.
hAhA THANKS.I have a few questions:
1.What software have you used for redrawing the circuit?
2.In what case could we define current as flowing into M,could we define the current as that when it flow from both C and D to M
3.Is the equivalent circuit for orginal AB terminal circuit a few paralle branches?
 
Sorry I've not been around for a few days.
asd852 said:
hAhA THANKS.I have a few questions:
1.What software have you used for redrawing the circuit? MS Paint (part of Windows 10) It's not great, but it does enough.
2.In what case could we define current as flowing into M,could we define the current as that when it flow from both C and D to M Doesn't matter how you define it: I say it goes from positive to negative.
The point here is Kirchhoff's idea: the net flow of current into any node must be zero. You can't have significant accumulation nor depletion of charge in a wire or node. So if a branch has current flowing into one terminal node, it must have an equal current flowing out the other terminal node.
3.Is the equivalent circuit for orginal AB terminal circuit a few paralle branches? Yes
 
I would tend to solve this problem using "currents in a loop" approach, rather than "currents in a branch" (although it is exactly the same).

See below. Now write the equations for each current loop calculating the voltages as current x resistance.

In the i1 loop, there is a voltage source. In the other loops there is no voltage source so the voltage sums to zero.

So, for the i1 loop we have, where 12V is applied:

12V = (i1 x 4) + (i1 x 6) + (i1 x 2) - (i2 x 6)

The i1 current makes the top of the 6 ohm resistor +ve. The i2 current makes the bottom of the 6 ohm resistor -ve, so its voltage across the 6 ohm resistor must be subtracted.

For the i2 loop we have:

(i2 x 6) + (i2 x 3) + (i2 x 9) - (i4 x 9) = 0

Get the equations for the i3 loop and the i4 loop.

You now have four equations and four unknowns, i1, i2, i3 and i4, so it is straightforward to solve for the four unknown currents. If a current value comes out as negative it means that current is flowing in the opposite direction to how it is drawn in the diagram.

Clipboard01.png
 
Yes, the loops work in general, but you can save effort here by simplifying the cct.
As asd855 notes, the three 9 Ohm resistors are in parallel, so you can reduce the whole cct by combining series and parallel resistances to form a single loop (and the numbers are so easy you can do that in your head.)
 
I of course appreciate that this special case circuit can be simplified and solved in my head.

Telling that to the poster helps him or her with this one, special case and is probably quite useless for most other cases.

My solution gave a generic method which can be used in any and every case, however complex including multiple voltage sources and frequency dependent components like capacitors and inductors. I explained how to apply the solution to any case.

It's like the old saying "Give a man a fish and you feed him for a day. Teach a man to fish and you feed him for life"

Your method gives him a fish.

My method feeds him for life.
 
Last edited:
  • #10
Absolutely. But most circuit problems can be solved without recourse to such methods and this is obviously such. If you don't learn to recognise the simple cases, you can waste a lot of effort.

Of course, in real life it's not always so obvious. This question was clearly set by a teacher and probably expected him to use simple methods. Maybe they hadn't taught mesh analysis yet. If they wanted him to use that, they'd have given a circuit which did not have a simple solution - otherwise many students wouldn't bother to use the full method.

I would say my method doesn't give him a fish (at least that was my intent), but rather a simple net on a stick. Your method gives him a much bigger net, or maybe a fly-fishing tackle or something.
 

Similar threads

Replies
4
Views
3K
  • · Replies 2 ·
Replies
2
Views
2K
Replies
15
Views
3K
  • · Replies 2 ·
Replies
2
Views
2K
Replies
3
Views
1K
  • · Replies 3 ·
Replies
3
Views
2K
Replies
13
Views
2K
  • · Replies 3 ·
Replies
3
Views
2K
  • · Replies 13 ·
Replies
13
Views
2K
  • · Replies 5 ·
Replies
5
Views
4K