Will the bleed resistors enable a shorter path to ground or not?

  • Thread starter Thread starter checkmatescott
  • Start date Start date
Click For Summary

Discussion Overview

The discussion revolves around the design and functionality of an H-bridge circuit using P-channel and N-channel MOSFETs, specifically addressing the configuration of bleed resistors and their impact on gate-source voltage (Vgs) protection for the MOSFETs. Participants explore the implications of their circuit design choices, including the use of transistors controlled by an Arduino to toggle the MOSFETs and the potential for current paths in the circuit.

Discussion Character

  • Technical explanation
  • Debate/contested
  • Mathematical reasoning

Main Points Raised

  • One participant describes the layout of the H-bridge using two P-channel and two N-channel MOSFETs, detailing the connections and components involved, including bleed resistors and transistors.
  • Another participant emphasizes the need to ensure that Q1 and Q3, as well as Q2 and Q4, are not on simultaneously, suggesting the use of identical FETs to create dead time.
  • There is a proposal to use a 40V zener diode between the P-N gates or ~16V zeners across each Vgs with a current limiter, raising questions about the best approach for protecting the MOSFETs.
  • One participant suggests that the circuit's simplicity is beneficial for understanding but warns that real-world applications may require more complexity and recommends consulting PMIC manufacturers for control chips.
  • Another participant expresses uncertainty about the current path in the circuit, questioning whether the electric current would take the shortest path to ground through the bleed resistors.
  • Clarifications are made regarding the toggling of inputs and the states of the MOSFETs when the input signals are low or high.

Areas of Agreement / Disagreement

Participants express differing views on the optimal configuration and protection methods for the MOSFETs, indicating that multiple competing approaches exist. The discussion remains unresolved regarding the best way to implement the circuit while ensuring the safety of the components.

Contextual Notes

Some participants mention specific voltage ratings and configurations, but there are unresolved assumptions about the behavior of the circuit under different conditions, including the impact of bleed resistors on current paths and Vgs levels.

  • #31
checkmatescott said:
after all that i found a solution for my needs!!! thanks for the answers, cheers
Scott

Your high side transistors will likely be damaged as they will have 38V (50V - 12V) to 50V across the gate and source. The absolute maximum is 20V. Even if they survive they will never turn off as they need less than 2V to do that.

You need to find some high side gate drivers for them. Many high side gate drivers are designed to drive N-Channel FETs. Make sure to either swap out the P-Chanel ones or get a driver that can drive them.

BoB
 
Engineering news on Phys.org
  • #32
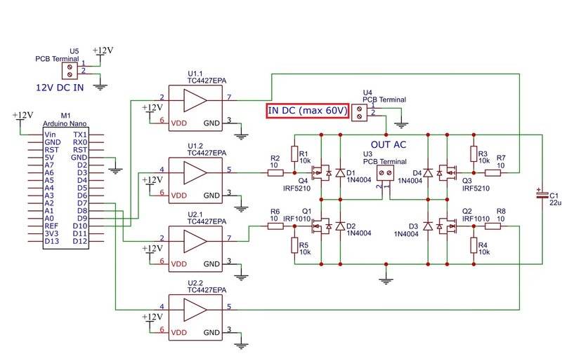
will this not do, it specifys (in dc (max 60v)) also is there any way i can upload a video of the machine in motion
 

Attachments

  • inverter.jpg
    inverter.jpg
    42 KB · Views: 147
  • #33
checkmatescott said:
will this not do, it specifys (in dc (max 60v))
No, it will not do above about 15 volts input.
I would suggest you use a pair of half-bridge drivers, with four N-channel MOSFETs. N-chan are cheaper than P-chan, have lower on-resistance, and switch faster.

checkmatescott said:
is there any way i can upload a video of the machine in motion
We have a pretty good imagination. Why do we need video?
 
  • #34
because its cool to see the black rubber wheel with the magnets on doing 600rpm you would be supprised, its a beast!
 
  • #35
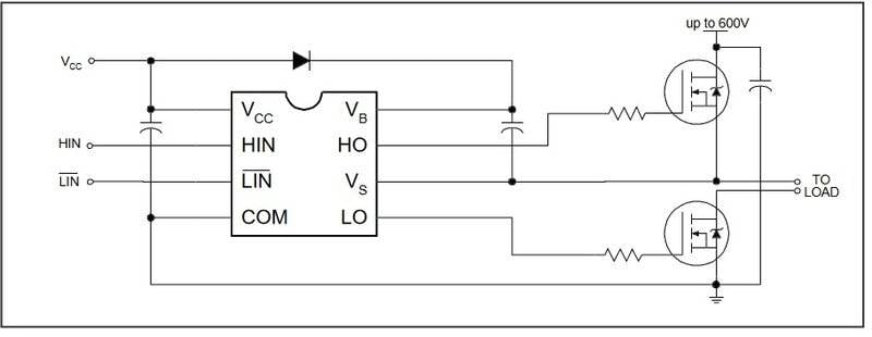
did a quick search of half bridge driver on youtube there doesnt seem to be anything is it called anything else perhaps thanks again
 
  • #36
Youtube is not a good place for serious data sheets.
Google to find a datasheet for this; IR2103 Half-Bridge Driver.
 
  • Like
Likes   Reactions: DaveE
  • #37
thanks is there any more light you can shed on getting the second half-bridge driver to work on conjunction
 
  • #38
checkmatescott said:
is there any more light you can shed on getting the second half-bridge driver to work on conjunction
Use more than one pin on the controller.
 
  • #39
ok very interesting so i just need one IR2103 Half-Bridge Driver. and use which pins to drive the drive the other two n-channel mosfets
 

Attachments

  • ir2103.jpg
    ir2103.jpg
    19.2 KB · Views: 133
  • #40
checkmatescott said:
so i just need one IR2103 Half-Bridge Driver. and use which pins to drive the drive the other two n-channel mosfets
No. You need two halves to make a whole bridge.
Study the datasheet to see how the boost voltage is generated, that controls the gate of the high-side switch.
 
  • #41
IR2103P1 has more pins available is this correct chip to use?
 
  • #42
The IR2103P1 can handle 600 volts, so it should also work with 60 volts.
 
  • #43
thats really helpfull can you break it down for me how do i get an alternating current with fourIRF5210 n-chan mosfets by using the IR2103P1 chip and any resistors and wotnot
 
  • #45
thanks and I how to hook it up to an arduino to create a rough sin wave at 50hz and duty cycle, Iwas more looking for a walk through explaining how to hook it up like which pin goes where and for my needs is that possible im very greatful that you are spending the time helping me so thank you
 
  • #46
IR2103P1 how do you hook this chip up so that it makes both "sides" of the bridge tutorial style
 
  • #47
Baluncore said:
You need two halves to make a whole bridge.
I feel we are getting somewhere can you give me a walkthrough style answer so that i have a useable circuit for my application which is controlling IR2103P1 chips via arduino at 50hz, alternating current, it can be modified square wave rough (preferably smooth) through PWM, and then explain how it works after
 
  • #48
to be honest I kind of need spoon feeding a little bit to get me through this next part of my project
 
  • Skeptical
Likes   Reactions: berkeman
  • #49
You will need to take a couple of days to read and consider the datasheet and the application note. You must learn to think about and question your understanding of the device through the literature.

I don't know the answers to member's questions, but I know I can find the answers by searching and thinking. There is no shortcut to learning how to question yourself, you must learn to do it. Ask yourself the questions you are asking me. Ask yourself how I might find the answer, then do that yourself.

Program the microcontroller to change 4 pins. Each pin will control one MOSFET through a HB. Notice that some inputs to the HB driver pins are inverted. You will need a timer to set the 50 Hz frequency.

Once that is sorted, you can convert the driver control to produce more of a sinewave, but first produce the 50 Hz square wave.
 
  • #50
can you point me to more literature or can i work this out from the data sheet and application note
 
  • #51
You have sufficient info to last a couple of days. You must slow down and learn to think. If you need data, there is more on the other side of Google. Youtube is your enemy.

I have work to do, you are asking too many questions.
 
  • #52
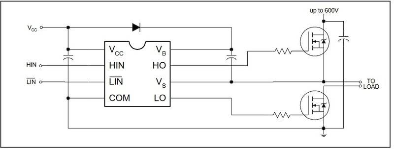
wont that half bridge work on its own because the the connections that go to the load oscillate making for the transformer primary winding excite and the all i have to do is put is put in square wave 50hz with the arduino
 

Attachments

  • ir2103.jpg
    ir2103.jpg
    19.2 KB · Views: 135
  • #53
checkmatescott said:
wont that half bridge work on its own because the the connections that go to the load oscillate making for the transformer primary winding excite and the all i have to do is put is put in square wave 50hz with the arduino
The lack of punctuation makes it hard to guess what you are suggesting.

If the primary of the transformer has a series capacitor, then you can use a half-bridge driven resonant converter topology. But that has a different transformer coupling and load circuit. Power can be increased again by using a full H-bridge with a resonant link.

I don't think you need power though, as the efficiency of a drone motor, friction-driving a generator, that runs an inverter, all to run an oven fan, will get quite warm. Losses in that chain will be greater than 50%, and you don't want it to melt the rubber.
 
  • #54
Is there a way to upload a video? I'm working on my machine today. I understand you have imagination but its a different thing when you see it running there is no chance of the rubber melting, it's a flywheel. I will be looking through the Application Note AN-978 and the data sheet in more detail today. Bassically, all I want to achieve at the moment, is this part of my project. My machine creates a constant DC output, i want to convert this DC voltage to AC at 50hz. Dont worry to much about efficiency I understand that it seems pointless, but its what I want to do. The DC will be around 55volts and I want 55volts AC to then go into a transformer with a turn ratio of 1:4.182 so that on the output side of the transformer will be 230v AC out. Is it possible for you to help me out with a method of doing this. Any comment welcomed, cheers
Scott
 
  • #55
I do not watch videos, it is a waste of time and of bandwidth.
 
  • Like
Likes   Reactions: berkeman
  • #56
okay, so going back to yesterdays conversation i think the best option may be to use an arduino with 4 digital outputs to control some IR2103 chips (half-bridge's) with N-Channel MOSFETs in a manner that can be manipulated into giving me an alternating current where the 55v will be switched at 50hz thus arriving at the AC desired.
 
  • #57
i would use a inverter from the web but they all seem to invert 12v and i need to invert 55v
 
  • #58
checkmatescott said:
okay, so going back to yesterdays conversation i think the best option may be to use an arduino with 4 digital outputs to control some IR2103 chips (half-bridge's) with N-Channel MOSFETs in a manner that can be manipulated into giving me an alternating current where the 55v will be switched at 50hz thus arriving at the AC desired.
That was not a question, it was a statement of intent.
I do not disagree.

You do not need permission to stop procrastinating.
Just go ahead and do it.
 
Last edited by a moderator:
  • #59
thanks for the confirmation
 
  • #60
So I guess what i meant in my statment of intent was that I wanted a responce of something along the lines of "thats correct, this is how to wire it up....." can you give me a responce with something along those lines please? i just want to make sure I'm doing it right is there any software that you can recommend so that I might be able to simulate what I'm trying to do?
 

Similar threads

Replies
17
Views
11K
  • · Replies 7 ·
Replies
7
Views
3K
  • · Replies 6 ·
Replies
6
Views
19K
  • · Replies 1 ·
Replies
1
Views
8K
  • · Replies 1 ·
Replies
1
Views
6K
  • · Replies 2 ·
Replies
2
Views
2K
  • · Replies 14 ·
Replies
14
Views
4K
  • · Replies 7 ·
Replies
7
Views
2K
  • · Replies 3 ·
Replies
3
Views
2K
  • · Replies 6 ·
Replies
6
Views
3K