33KV potential transformer design

Click For Summary

Discussion Overview

The discussion revolves around the design challenges of a 33KV potential transformer, specifically focusing on achieving the required accuracy class of 0.2 at a 50VA burden. Participants are exploring various design parameters, including turns ratio, core size, and winding resistance, while testing and simulating their designs.

Discussion Character

  • Technical explanation
  • Debate/contested
  • Experimental/applied

Main Points Raised

  • One participant describes their design with 75 secondary turns and 15000 primary turns, but they are unable to meet the accuracy requirement, prompting requests for assistance.
  • Several participants ask clarifying questions about the type of transformer, design methods, load conditions, and standards being followed.
  • It is noted that the output voltage difference exceeds the acceptable limit, with one participant suggesting that increasing or decreasing turns does not resolve the issue.
  • Winding resistances for both primary and secondary are provided, with inquiries about their impact on accuracy.
  • Calculations are presented regarding the error contributions from winding resistance, indicating that secondary resistance may account for a significant portion of the error.
  • Suggestions are made to parallel secondary windings to reduce resistance, with mixed results reported by the original poster.
  • There are discussions about the effects of core area and turns on phase error, with some participants proposing adjustments to improve accuracy.
  • One participant suggests using different wire gauges to potentially achieve the desired accuracy, while another questions the basis for this suggestion.
  • The concept of optimizing transformer design for temperature and loss balance is introduced, but remains undeveloped in the discussion.

Areas of Agreement / Disagreement

Participants express various viewpoints on the design parameters and their effects on accuracy, with no consensus reached on the best approach to achieve the required specifications. Multiple competing views and suggestions remain unresolved.

Contextual Notes

Participants mention specific parameters such as flux density and winding sizes, but there are limitations in the discussion regarding the assumptions made in calculations and the lack of detailed core material specifications.

Who May Find This Useful

Engineers and designers involved in transformer design, particularly those working with high-voltage applications and accuracy requirements.

Arun Balaji
Messages
9
Reaction score
0
TL;DR
33KV/110V potential transformer design for 50VA burden 0.2 accuracy class
I am in a team of designing a 33KV potential transformer. We done secondary turn as 75 and primary turns as 15000 with core cross sectional area of 5000 sq.mm. As per IS standard we need to maintain a accuracy class of 0.2 at 50VA burden but we can't able to achieve it. Someone please help us to solve the above problem. Whether we need to increase core or turns or any other suggestion
 
Engineering news on Phys.org
Welcome to PF.
1. Is this a single phase metering transformer, or a three phase power transformer?
2. Are you designing on paper, on a spreadsheet, or a in simulator?
3. Are you operating it with a fixed resistive load?
4. How do you know that it does not meet the specifications?
5. Which IS standard must you follow?
6. Can you repeat the simulation with parameters on either side of your design?
 
Baluncore said:
Welcome to PF.
1. Is this a single phase metering transformer, or a three phase power transformer?
2. Are you designing on paper, on a spreadsheet, or a in simulator?
3. Are you operating it with a fixed resistive load?
4. How do you know that it does not meet the specifications?
5. Which IS standard must you follow?
6. Can you repeat the simulation with parameters on either side of your design?
Thank you for your response

1. We are designing single phase metering unit
2. We doing prototype and testing using PT test kit (comparator)
3. As per standard this metering have to be in accuracy class 0.2 that means the output voltage should only have plus or minus 0.2 difference. But we are getting 0.5 difference in value.
4. When we tried increasing the LV and HV turns then then difference is increasing, but when we reduce the LV and HV turns the difference is same 0.5. We hope we tried all possibilities just checking whether we misses and possibilities
5 the parameter we used are flux density-0.85, core crossectional area - 5000 sq.mm, secondary turns 60, primary turns 18000. Primary conductor size - 36SWG, secondary conductor size - 14SWG
 
Baluncore said:
Welcome to PF.
1. Is this a single phase metering transformer, or a three phase power transformer?
2. Are you designing on paper, on a spreadsheet, or a in simulator?
3. Are you operating it with a fixed resistive load?
4. How do you know that it does not meet the specifications?
5. Which IS standard must you follow?
6. Can you repeat the simulation with parameters on either side of your design?
IS 3156 - the standard we need to follow for desigining the metering transformer
 
Arun Balaji said:
3. As per standard this metering have to be in accuracy class 0.2 that means the output voltage should only have plus or minus 0.2 difference. But we are getting 0.5 difference in value.
I assume that is as a percentage variation of transformer ratio; 0.2% variation between zero and 50 VA burden.
I expect the 2 volts per turn is about right.

Arun Balaji said:
5 the parameter we used are flux density-0.85, core crossectional area - 5000 sq.mm, secondary turns 60, primary turns 18000. Primary conductor size - 36SWG, secondary conductor size - 14SWG
What is the actual resistance of your 36 SWG primary winding?
What is the actual resistance of your 14 SWG secondary winding?
 
Baluncore said:
I assume that is as a percentage variation of transformer ratio; 0.2% variation between zero and 50 VA burden.
I expect the 2 volts per turn is about right.

We design as 1volt per turn

What is the actual resistance of your 36 SWG primary winding?
What is the actual resistance of your 14 SWG secondary winding?

Primary resistance - 17.2
Secondary resistance - 0.27

Whether this winding resistance affect my accuracy level
 
Baluncore said:
I assume that is as a percentage variation of transformer ratio; 0.2% variation between zero and 50 VA burden.
I expect the 2 volts per turn is about right.What is the actual resistance of your 36 SWG primary winding?
What is the actual resistance of your 14 SWG secondary winding?
We designed ad 1 volt per turn
 
At 1 Volt/turn and 50VA load, a rough calculation shows the error due to current and winding resistance is:

Primary: about 0.00% (0.0015A x 17.2Ω = 0.026V) (.026V/33000V = 0)
Secondary 75T: about 0.24% (0.67A x 0.27Ω = 0.18V) (.18V/75V = 0.0024 = 0.24%)
Secondary 60T: about 0.38% (0.83A x 0.27Ω = 0.225V) (.225/60 = 0.0038 = 0.38%)

It looks like half or more of the error is from secondary resistance. If there is room on the core, try paralleling two or three secondary windings. Paralleling two would be the same as using 11SWG for the secondary. Paralleling 3 would be 8SWG equivalent.

I would take a wild guess that the other half is core losses.

Please let us know what you find.

Cheers,
Tom
 
  • Like
Likes   Reactions: Baluncore
Thank
Tom.G said:
At 1 Volt/turn and 50VA load, a rough calculation shows the error due to current and winding resistance is:

Primary: about 0.00% (0.0015A x 17.2Ω = 0.026V) (.026V/33000V = 0)
Secondary 75T: about 0.24% (0.67A x 0.27Ω = 0.18V) (.18V/75V = 0.0024 = 0.24%)
Secondary 60T: about 0.38% (0.83A x 0.27Ω = 0.225V) (.225/60 = 0.0038 = 0.38%)

It looks like half or more of the error is from secondary resistance. If there is room on the core, try paralleling two or three secondary windings. Paralleling two would be the same as using 11SWG for the secondary. Paralleling 3 would be 8SWG equivalent.

I would take a wild guess that the other half is core losses.

Please let us know what you find.

Cheers,
Tom

Thank you tom we tried paralleling 2 14SWG at secondary side it somewhat reduced the error but not much. We can't add more wire in parallel which will increase the production cost.

When I increase the secondary turns it shows phase error in negative (means we have to reduce core area) when I reduce the number of turns in secondary it shows phase error in positive (means we have to increase the core)

Whether but increasing the core area and reducing the turns in secondary we can achieve the accuracy??
 
  • #10
Arun Balaji said:
we tried paralleling 2 14SWG at secondary side it somewhat reduced the error but not much.
With your current results and design, I would expect around a 15%-20% improvement with that test.

Arun Balaji said:
Whether but increasing the core area and reducing the turns in secondary we can achieve the accuracy??
I don't know. If the core is laminated Iron you could try DECREASING the core area, leaving the primary alone, and trying different secondary turns. If that shows worse results, it would be a good argument to increase core area.

Can you detect any waveform distortion on the secondary between loaded/unloaded conditions? Even very slight distortion could cause noticeable accuracy effects. You may have to use a sensitive harmonic distortion analyzer to detect anything. If you see any distortion showing up, it would be a core problem; either not enough or the wrong material. (Or possibly an effect from the 33kV source, depending on what it is.)

Also, what are you using as a standard measure to compare the readings against? Is there a possibility that has a problem?

Cheers,
Tom
 
Last edited:
  • #11
I have not the transformer core and bobbins details but as I designed an approximative one I think if you'll use SWG10 instead of SWG14 and SWG30 instead of SWG36 you'll get 0.2 error.
 
  • #12
Babadag said:
I think if you'll use SWG10 instead of SWG14 and SWG30 instead of SWG36 you'll get 0.2 error.
Is that a guess, or do you have some computations to backup yoiur statement.

The winding resistance must obviously be reduced, but where and by how much?

Given the parameters so far, it should be possible to calculate how to make the required transformer with the minimum total mass of copper. The minimum total mass of copper will also minimise the volume of the windings, which will also reduce the length of the core magnetic path, and hence the size of the core. Avoid SWG in the optimisation computation, use millimetres.
 
  • #13
I seem to remember that a real transformer should be optimised so that it operates with the core and the windings at the same temperature.
Let's change that slightly to make it easier to compute, by making the iron losses equal to the copper losses at rated VA.

Here is an article on minimising the iron losses.
https://www.researchgate.net/profile/Parisa_Karamoddin/post/How_to_reduce_losses_of_transformer/attachment/5a64f8b94cde266d5885194f/AS%3A585337374007296%401516566713897/download/transformer.pdf
 
  • Like
Likes   Reactions: Arun Balaji
  • #14
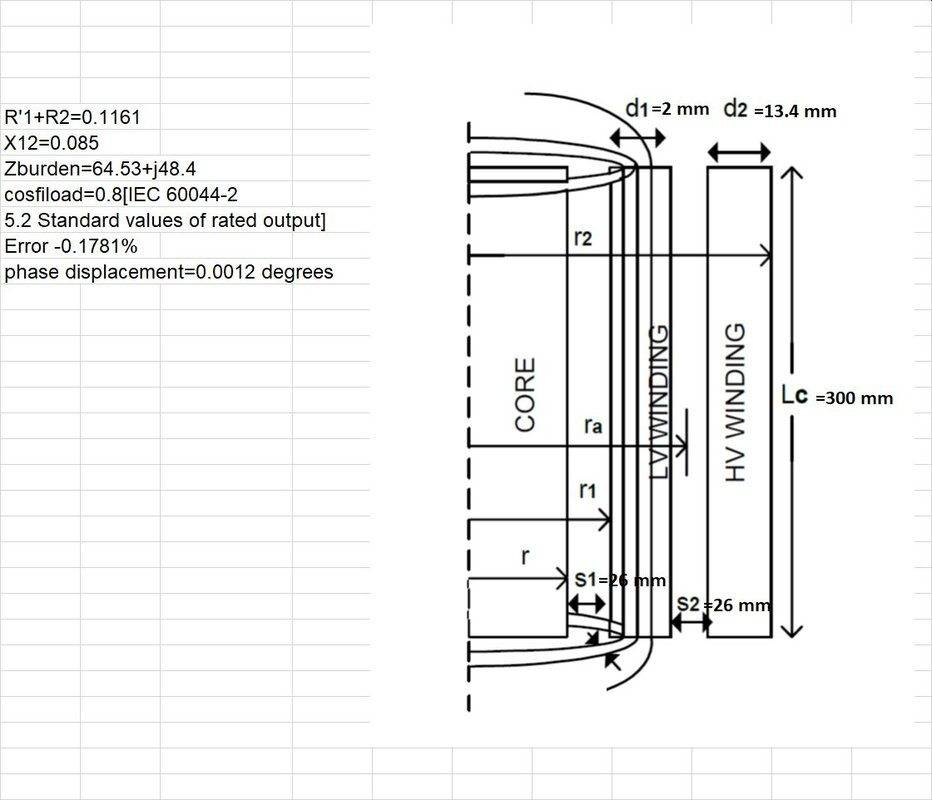
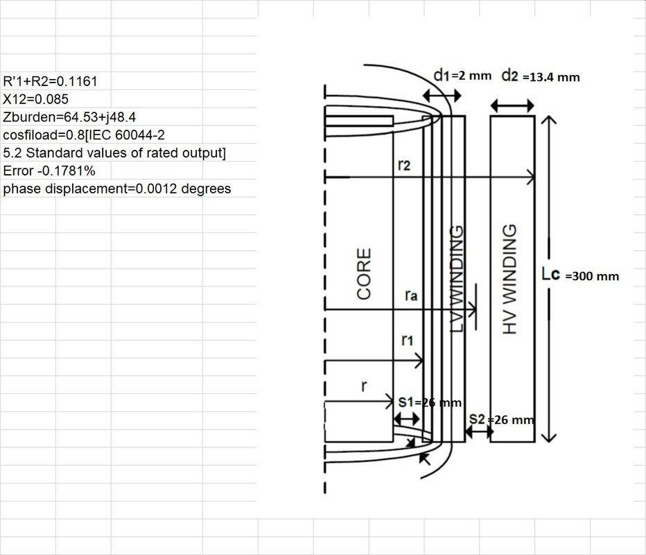
I hope there is not any miscalculation
 

Attachments

  • Voltage transformer 50 VA.jpg
    Voltage transformer 50 VA.jpg
    61.1 KB · Views: 244
  • #15
I considered 1.2 A/cm for 0.85 Wb/m^2 and 1.171 W/kg [1.35 W/kg for 1 Wb/m^2 x1.2 suppl.losses ]
 
  • #16
Tom.G said:
With your current results and design, I would expect around a 15%-20% improvement with that test.I don't know. If the core is laminated Iron you could try DECREASING the core area, leaving the primary alone, and trying different secondary turns. If that shows worse results, it would be a good argument to increase core area.

Can you detect any waveform distortion on the secondary between loaded/unloaded conditions? Even very slight distortion could cause noticeable accuracy effects. You may have to use a sensitive harmonic distortion analyzer to detect anything. If you see any distortion showing up, it would be a core problem; either not enough or the wrong material. (Or possibly an effect from the 33kV source, depending on what it is.)

Also, what are you using as a standard measure to compare the readings against? Is there a possibility that has a problem?

Cheers,
Tom

We tried reducing the core with same number of turns but the phase error is increasing my next option is to increase the core and decrease the turns

We having calibrated equipment to compare the values from standard kit and test transformers
 
  • #17
Baluncore said:
Is that a guess, or do you have some computations to backup yoiur statement.

The winding resistance must obviously be reduced, but where and by how much?

Given the parameters so far, it should be possible to calculate how to make the required transformer with the minimum total mass of copper. The minimum total mass of copper will also minimise the volume of the windings, which will also reduce the length of the core magnetic path, and hence the size of the core. Avoid SWG in the optimisation computation, use millimetres.

Whether the increase in magnetic path length affect the output of the transformer?
If so can you give any formula related to that?

We mainly using the voltage per turn formula
 
  • #18
Babadag said:
I hope there is not any miscalculation
I didn't got what this pic shows can u please explain?
 
  • #19
Let's do a little order in your information.
First it seems the actual voltages are 33/√3=19.053 kV and 110/√3=63.5 V
Let's say 5000 mm^2 it is gross. A 1.07 factor can be used then net iron it is Sfe=5000/1.07
let's say the magnetic core is square then the width and the depth are √(5000)=70.7 mm. The minimum turn diameter is dia= √2x70.7=100 mm
The minimum turn length=π.dia=315 mm the minimum length of 18000 turns=18000*315=5670 m.
If the HV and LV bobbins are concentric and the LV it is close to core [ 5 mm insulation width 3 mm LV bobbin width and 6 mm HV].
The HV bobbin is separated from LV bobbin by a 20 mm thick insulation cylinder
LV turn length=π.(dia+2x5+3)=355 mm[total length=21.36 m] and HV turn length=542.5 mm[total length=18000*542.5=9765 m
Then the LV resistance at 20oC will be: 21.36/58/3.2429=0.113 ohm and HV 9765/58/0.0293=5746.1 ohm [for SWG14 and 36]
Limb [core column length 250 mm and core yoke 156 mm.
I considered 1.2 A/cm for 0.85 Wb/m^2 and 1.171 W/kg [1.35 W/kg for 1 Wb/m^2 x1.2 suppl.losses]
In this case the voltage error was -0.405
I proposed SWG10 and 30 and at first glance I got even less than 0.2.
Using a new [ more accurate] calculation I got only 0.26 indeed.
 

Similar threads

  • · Replies 9 ·
Replies
9
Views
3K
  • · Replies 11 ·
Replies
11
Views
3K
  • · Replies 14 ·
Replies
14
Views
3K
  • · Replies 56 ·
2
Replies
56
Views
6K
  • · Replies 5 ·
Replies
5
Views
2K
  • · Replies 1 ·
Replies
1
Views
5K
  • · Replies 13 ·
Replies
13
Views
3K
  • · Replies 23 ·
Replies
23
Views
6K
  • · Replies 3 ·
Replies
3
Views
3K
  • · Replies 8 ·
Replies
8
Views
6K