Adding resistance and finding current in each branch

Click For Summary

Discussion Overview

The discussion revolves around calculating the current through each branch of a circuit with multiple resistors and voltage sources. Participants explore various methods including superposition, Kirchhoff's laws, and current division to analyze the circuit's behavior.

Discussion Character

  • Homework-related
  • Technical explanation
  • Debate/contested
  • Mathematical reasoning

Main Points Raised

  • One participant expresses confusion about the arrangement of resistors and whether they are in series or parallel.
  • Another participant clarifies that the 2Ω and 4Ω resistors are in parallel, suggesting that this affects the potential difference across them.
  • Some participants discuss the application of Kirchhoff's Voltage Law (KVL) and Kirchhoff's Current Law (KCL) in conjunction with superposition, with differing opinions on their compatibility.
  • A participant mentions calculating the total resistance and supply current (I2) as 2.86A, seeking confirmation on this value and how to find I1 and I3.
  • Current division is proposed as a method to calculate I1 and I3, given the parallel arrangement of the resistors.
  • One participant claims to have calculated I1 and I3 as 1.906A and 0.953A respectively, asking for validation of these results.

Areas of Agreement / Disagreement

There is no consensus on the best approach to solve the problem, with participants presenting multiple methods and interpretations of circuit laws. Some participants agree on the use of current division, while others emphasize the importance of KVL and KCL in the analysis.

Contextual Notes

Participants express uncertainty regarding the arrangement of resistors and the application of circuit laws, indicating that assumptions about the circuit's configuration may affect their calculations. There are also references to different methods of analysis, suggesting that the complexity of the circuit may lead to varied approaches.

nothing909
Messages
168
Reaction score
4

Homework Statement


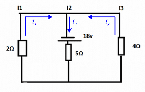
I have to calculate the current through each branch - I1, I2 and I3.

Homework Equations

The Attempt at a Solution


The only reason I'm having trouble with this problem is because the voltage source is in the middle and I'm a little confused. I am struggling even to add up the resistances.

Are the 2, 5, and 4Ω resistors in series with each other? Do I just add them all up to get the total resistance?

After I have the total resistance, I calculated the supply current (I2) by just using ohms law.

How is it I calculate I1 and I3? Is it current division?
wq.png
 
Physics news on Phys.org
You can use KVL in the two loops..
 
cnh1995 said:
You can use KVL in the two loops..
I forgot to mention that I'm doing superposition, I can't use KVL.
 
nothing909 said:
I forgot to mention that I'm doing superposition, I can't use KVL.
 
The resistors are not in series. In fact you should be able to confirm quite easily that the 2 and 4 Ohm resistors are in parallel (they share the same potential difference as their leads are connected to the same two nodes). In fact, there are three parallel branches comprising the circuit. What does that tell you about the potential difference across all three? What relationship exists between the three branch currents (think KCL).

Draw in the currents:
upload_2016-3-1_14-9-55.png


Can you write KCL and KVL equations for the circuit?
 
nothing909 said:
I forgot to mention that I'm doing superposition, I can't use KVL.
For superposition, you need more than one sources.
 
Yes, I had a 32V on the right, which I already dealt with. It's removed, now I'm left with the 18V source.
 
nothing909 said:
I forgot to mention that I'm doing superposition, I can't use KVL.
Sure you can. Superposition does not exclude the use of KVL or KCL. They are the basic circuit laws that you need to apply.

Superposition involves suppressing all but one source at a time and determining the circuit conditions, then summing the contributions from each of the individual sources. You can still invoke all the usual tools to find the individual contributions.
 
nothing909 said:
Yes, I had a 32V on the right, which I already dealt with. It's removed, now I'm left with the 18V source.
Use KCL and KVL. It is allowed in superposition( and in Thevenin and Norton too)..
 
  • #10
gneill said:
Sure you can. Superposition does not exclude the use of KVL or KCL. They are the basic circuit laws that you need to apply.

Superposition involves suppressing all but one source at a time and determining the circuit conditions, then summing the contributions from each of the individual sources. You can still invoke all the usual tools to find the individual contributions.
Is the total resistance for that circuit 6.3 ohms?
 
  • #11
nothing909 said:
Is the total resistance for that circuit 6.3 ohms?
For KVL, it doesn't matter. But looking at the circuit, no two resistors are in series or in parallel.
Edit: 2 and 4 are in parallel..sorry! I drew it wrong..
 
  • #12
nothing909 said:
Is the total resistance for that circuit 6.3 ohms?
6.33Ω, yes.
 
  • #13
cnh1995 said:
For KVL, it doesn't matter. But looking at the circuit, no two resistors are in series or in parallel.
Edit: 2 and 4 are in parallel..sorry! I drew it wrong..
The first question I have on my question paper is:

Determine the current flowing through the 4 ohm resistor and the voltage drop across it using Kirchoff's laws, which I completed fine.

The next question is:

Determine the current flowing through the 4 ohm resistor and the voltage drop across it using superposition theorem.

Usually what I have is a circuit with two voltage sources. I remove one, calculate the total resistance and then the current in each branch.
I then remove the second voltage source and do the same thing - calculate the total resistance and then the current in each branch.

I then draw a matrix table thing to calculate the total current in each branch.
 
  • #14
nothing909 said:
Usually what I have is a circuit with two voltage sources. I remove one, calculate the total resistance and then the current in each branch.
I then remove the second voltage source and do the same thing - calculate the total resistance and then the current in each branch.
That would be possible if there are series and parallel combinations of resistors(like this circuit). For complicated circuits, KVL and KCL work better.
 
  • #15
cnh1995 said:
That would be possible if there are series and parallel combinations of resistors(like this circuit). For complicated circuits, KVL and KCL work better.
I calculated that the supply current (I2) is 2.86A. Is this correct? If so, how do I now go from that to calculating I1 and I3? Can I do current division or something?
 
  • #16
nothing909 said:
I calculated that the supply current (I2) is 2.86A. Is this correct? If so, how do I now go from that to calculating I1 and I3? Can I do current division or something?
You can use current division since 2 ohm and 4 ohm are in parallel.
 
  • #17
cnh1995 said:
You can use current division since 2 ohm and 4 ohm are in parallel.
So I3 = 0.953A and I1 = 1.906

Is that correct?
 
  • #18
nothing909 said:
So I3 = 0.953A and I1 = 1.906

Is that correct?
Yes.
 
  • #19
cnh1995 said:
Yes.
Okay, now I can do the matrix table thing and calculate the total current in each branch. I know where to go from here.

Thanks for your help.
 

Similar threads

  • · Replies 26 ·
Replies
26
Views
3K
  • · Replies 5 ·
Replies
5
Views
2K
  • · Replies 4 ·
Replies
4
Views
2K
  • · Replies 1 ·
Replies
1
Views
2K
  • · Replies 8 ·
Replies
8
Views
3K
  • · Replies 4 ·
Replies
4
Views
7K
  • · Replies 14 ·
Replies
14
Views
3K
  • · Replies 1 ·
Replies
1
Views
3K
  • · Replies 23 ·
Replies
23
Views
5K
  • · Replies 7 ·
Replies
7
Views
2K