Can you tell me if this amp design will work

  • Thread starter Thread starter Planobilly
  • Start date Start date
  • Tags Tags
    Amp Design Work
Click For Summary

Discussion Overview

The discussion revolves around the design of an amplifier, specifically focusing on the power supply and feedback mechanisms. Participants are examining potential issues with the circuit, including voltage levels, component connections, and stability concerns. The scope includes technical explanations and exploratory reasoning related to amplifier design.

Discussion Character

  • Technical explanation
  • Exploratory
  • Debate/contested

Main Points Raised

  • One participant, Billy, expresses uncertainty about the amplifier design and requests feedback on potential mistakes, particularly regarding the B+ voltage and channel switching.
  • Another participant points out that the output transformer secondary is floating and questions whether the other terminal is grounded, highlighting the absence of ceramic bypass capacitors on the LM7805 regulator, which could lead to instability.
  • Concerns are raised about the LM7805 regulator's voltage requirements, noting that it may not have sufficient headroom based on the provided AC voltage, which could affect its performance.
  • Billy confirms that the other terminal is grounded and acknowledges the need to revisit the LM7805 issue, mentioning the purchase of high-end transformers and a timeline for completing the project.
  • Another participant discusses the grounding of the ISOLATE GRD and its connection through resistors and the rectifier bridge, indicating potential ripple issues with the filter capacitors.
  • Concerns about stability are raised regarding the feedback loop around a specific tube (V6), with suggestions for incorporating current feedback to prevent instability and motorboating.

Areas of Agreement / Disagreement

Participants express various concerns and suggestions regarding the amplifier design, but there is no consensus on the best approach or resolution of the issues raised. Multiple competing views on feedback mechanisms and component connections remain present.

Contextual Notes

Participants discuss specific voltage levels, component requirements, and grounding configurations, but there are unresolved assumptions about the circuit's overall design and performance. The discussion reflects a range of technical considerations without definitive conclusions.

Planobilly
Messages
440
Reaction score
105
Hi,
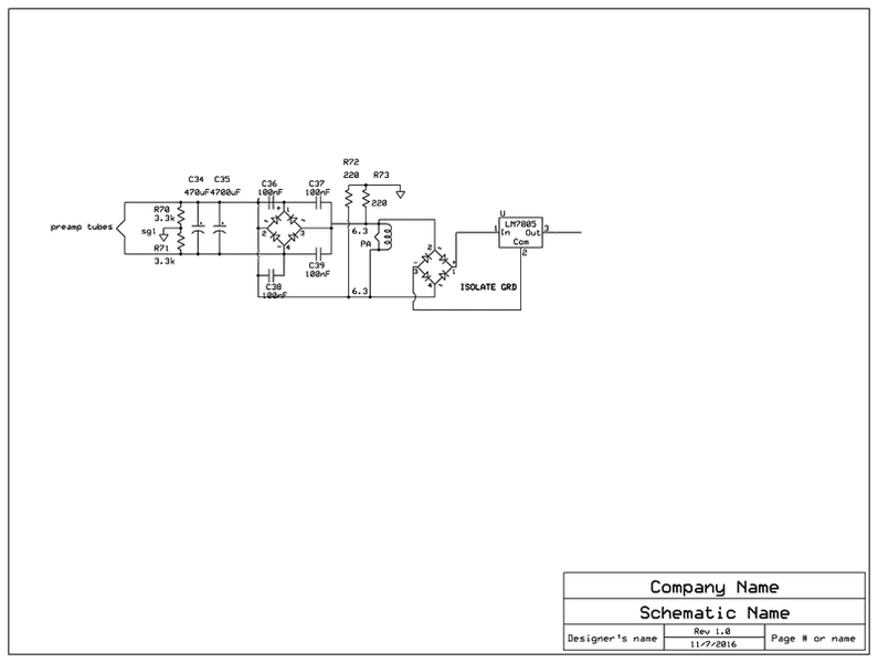
I am struggling with this a bit. I think this will work but I am not sure. Can you guys take a look and see if I have made any obvious mistakes. The B+ voltage should be around 480 VDC loaded. I am still working on the channel switching.
http://[ATTACH=full]200152[/ATTACH]

[ATTACH=full]200153[/ATTACH]

[ATTACH=full]200154[/ATTACH]

[ATTACH=full]200155[/ATTACH]

Thanks,

Billy
 

Attachments

  • PLAIN]%20[Broken].png
    PLAIN]%20[Broken].png
    23.7 KB · Views: 310
  • FUjaVbS.png
    FUjaVbS.png
    23.7 KB · Views: 309
  • gGAbcPx.png
    gGAbcPx.png
    11.1 KB · Views: 352
  • FUjaVbS.png
    FUjaVbS.png
    23.7 KB · Views: 301
Last edited by a moderator:
Engineering news on Phys.org
Sorry . I posted the preamp section twice and don't know how to remove it. Here is the PA.

k9sRuNR.png
 
Output transformer secondary 'T' is floating, it has only one feedback connection, is the other terminal grounded?

No ceramic bypass caps on the LM7805 regulator. It will howl at the moon.

The LM7805 has no reservoir capacitor.
The LM7805 needs a minimum input of 7.5VDC but it has only 6.3VAC.
6.3VAC * Sqrt(2) = 8.9 volts peak, less two diode drops of 1.1V each, in bridge = 6.7 volts
You have run out of voltage headroom. Regulator will always be in drop-out.
Headroom decides value of reservoir capacitor. C = I * dt / dVripple

Edit: Or is that secondary 6.3-0-6.3 giving 12.6VAC without showing the CT ?
 
Last edited:
Hi,
Thanks for the feedback. Yes the other terminal is ground, just not shown. I will go back and take another look at the LM7805 issue. I may have to adjust several things because I bit the bullet and ordered high end Mercury Magnetics transformers. $658.00 plus the shipping from Cali to Florida. MM is pretty pricy. I was shooting for around 480 to 500 VDC loaded.
All the parts should arrive next week by Tuesday.
I ordered a blank chassis so I got some machining to do also.
I am trying to have this up and running and debugged by the 28th. Lots of work ahead.

Cheers,

Billy
 
The ISOLATE GRD is connected to Ground thru R72, R73, and the rectifier bridge.

With the values shown, the filter caps C34, C35 will result in 1.5Vpp ripple to the preamp heaters.
 
Last edited:
The whole complex around V6 and the feedback loop makes me go "unstable!" Exactly where (physically) are you connecting the output transformer secondary to ground? That detail could be the difference between "motorboating" and silent when no signal is present.

Again, I would never design an amplifier without current feedback in the output tubes (at least do a DC feedback to stabilize the thing). I am also extremely wary of designing a feedback from the transformer secondary due to the phase shift in the transformer. My favorite feedback in the output stage is to the g2. Take a look at http://www.dogstar.dantimax.dk/tubestuf/driverpa.htm
 
Thanks so much guys. I am at the Dr. with my wife ATM and will respond later this evening.
Life is in full session today...lol I will never get use to typing on a cell phone...lol
 

Similar threads

Replies
2
Views
2K
  • · Replies 24 ·
Replies
24
Views
4K
  • · Replies 3 ·
Replies
3
Views
2K
  • · Replies 31 ·
2
Replies
31
Views
5K
Replies
9
Views
8K
  • · Replies 23 ·
Replies
23
Views
4K
  • · Replies 12 ·
Replies
12
Views
2K
  • · Replies 9 ·
Replies
9
Views
5K
Replies
20
Views
3K
  • · Replies 4 ·
Replies
4
Views
2K