DC Motor Overspeed: Cause & Effect

Click For Summary

Discussion Overview

The discussion centers on the phenomenon of overspeeding in DC motors, particularly in the context of field windings and their influence on motor operation. Participants explore theoretical and practical aspects of how a DC motor can achieve high speeds despite the absence of power to the field windings, touching on concepts such as back EMF, field flux, and torque generation.

Discussion Character

  • Debate/contested
  • Technical explanation
  • Conceptual clarification

Main Points Raised

  • Some participants question how a DC motor can overspeed without power to the field windings, arguing that flux is necessary for motion.
  • Others explain that reducing field flux in a running motor can lead to increased speed, as speed is proportional to back EMF divided by field flux.
  • A participant notes that losing field current in a shunt-wound motor is a well-known cause of overspeed.
  • Some express confusion about how a motor can operate with no flux and suggest that hysteresis in the iron core may allow for some remnant field.
  • There are discussions about the effects of field weakening and how it can lead to increased speed under certain conditions.
  • Participants mention the difference between various types of DC motors and their behaviors, particularly shunt-wound versus series-wound motors.
  • Some contributions discuss the relationship between mechanical and electrical power in synchronous machines and how it relates to speed regulation.
  • There are claims that the behavior observed in synchronous machines may not apply universally to all types of motors.

Areas of Agreement / Disagreement

Participants express a range of views on the mechanisms behind DC motor overspeeding, with no consensus reached on the specifics of how it occurs or the implications of different motor types. Some agree on the principle that reducing field current can lead to increased speed, while others challenge this understanding or seek clarification on specific points.

Contextual Notes

Some discussions involve assumptions about the operational conditions of the motors, such as load and type (shunt vs. series), which may affect the outcomes discussed. The complexity of the relationship between field current, back EMF, and speed is highlighted, with participants noting that the effects may vary based on specific motor configurations and external factors.

Who May Find This Useful

This discussion may be of interest to those studying electrical engineering, particularly in the areas of motor control, electrical machines, and power systems, as well as practitioners working with DC motors in practical applications.

brent1369
Messages
9
Reaction score
0
i don't get how a dc motor will overspeed when you don't give the field windings power
cause you need flux to make the motor move so how will taking away the flux make the motor go super fast
 
Last edited by a moderator:
Engineering news on Phys.org
brent1369 said:
i don't get how a dc motor will overspeed when you don't give the field windings power
cause you need flux to make the motor move so how will taking away the flux make the motor go super fast
Welcome to the PF. :smile:

What makes you think it will over-rev if there is no electrical or mechanical power input? Can you post a link to where you are reading this?
 
berkeman said:
Welcome to the PF. :smile:

What makes you think it will over-rev if there is no electrical or mechanical power input? Can you post a link to where you are reading this?
i find it everywhere, and there is electrical input on the rotor winding but none on the stator aka field winding
 
brent1369 said:
i find it everywhere
For a dc motor,
speed is proportional to back emf / field flux. If you reduce the field-flux of an already running motor, its speed increases. If you reduce it to a very low value, the speed becomes dangerously high. Note that you can't actually reduce the flux to 0 as it will simply stop the motor because there will be no torque production (and you get the 0/0 indeterminate form).

Similarly, if you "start" the motor at a lower value of flux than before, it will run at a higher steady-state speed than before (assuming same load torque in both cases).
 
It's a well known fact that losing the field current on a shunt wound motor will cause the motor to over rev.
 
now i still don't get it if you lose field current you will have no flux right ? so how can the motor overspeed then
 
cause F= I armature x B
so if no induction there is no force
and also decreasing the voltage of field will lower induction so also u lower Er so the current would increase and also the speed.
but wouldn't there be a limit to where decreasing the voltage of field will decrease the rotor speed, cause the flux and Er would be so low?
 
brent1369 said:
now i still don't get it if you lose field current you will have no flux right ? so how can the motor overspeed then
You are ignoring a key phrase in the answers, Shunt Wound. Not all DC motors are alike.

See this article that explains different types.

https://en.wikipedia.org/wiki/DC_motor#Wound_stators
 
  • Like
Likes   Reactions: Averagesupernova
  • #10
Perhaps you also need to consider hysteresis in the iron core of the field windings. If you remove the current, a remanant field will remain.
 
  • Informative
Likes   Reactions: Swamp Thing
  • #11
Merlin3189 said:
Perhaps you also need to consider hysteresis in the iron core of the field windings. If you remove the current, a remanant field will remain.
I think this is the only convincing way to explain how the motor could turn at all when the field circuit is actually open.

Edit : Come to think of it, would it turn if the field is open? It's possible that you need to short the field winding in order to see this effect. If this is true, then it could be something to do with an induction (armature reaction) effect of the turning rotor acting on the field poles, somewhat akin to induction motors.
 
  • #12
Keep in mind no one has said it will over speed to dangerous speeds with a heavy load. Most likely result will be a sudden increase in current and blown fuse/breaker or damage to the motor.
 
  • Like
Likes   Reactions: Merlin3189
  • #13
Less field = more speed is a counter intuitive effect.

I kind of didn't believe it till I got to play with an externally excited synchronous machine, reduce field, unloaded speed goes up, increase field, it slows down.

Another counter intuitive thing is if you want more torque, even if in field weakening region, you need more field and more field weakening.
 
  • #14
Then there are two ways of generating torque, magnetic torque and reluctance torque. Most machines will have a combination of both, so you can easily have significant torque generated with zero field current (note this is synchronous driven by inverter).
 
  • #15
essenmein said:
I kind of didn't believe it till I got to play with an externally excited synchronous machine, reduce field, unloaded speed goes up, increase field, it slows down.
Huh? If a synchronous machine is syncrhonized to the grid, you can't change its speed. By unloaded, do you mean open circuit?
 
  • #16
anorlunda said:
Huh? If a synchronous machine is syncrhonized to the grid, you can't change its speed. By unloaded, do you mean open circuit?

No grid here! I control the frequency.

So this is a case where you command 100% iq and 0% id, since there is no load, machine speed increases rapidly until you have reached maximum voltage. Since still controlling id to 0, there is no field weakening.

Once in this state, changing the DC link voltage (and therefore the maximum voltage available to the machine) will change the speed (increase voltage, increase speed), and changing the field current changes the speed, reduce field, increases speed.
 
  • #17
anorlunda said:
Huh? If a synchronous machine is syncrhonized to the grid, you can't change its speed. By unloaded, do you mean open circuit?

Also the acceleration in this 100% iq condition is crazy, 100%iq was about 105Nm torque. This is enough to accelerate the machine shaft and the attached dyno inertia to about 3000rpm in less than 360deg mechanical.
 
  • #18
essenmein said:
No grid here! I control the frequency.
I don't understand. Are you running with a resistive load? Is there a speed governor? How are you controlling the frequency?
 
  • #19
anorlunda said:
I don't understand. Are you running with a resistive load? Is there a speed governor? How are you controlling the frequency?

All of the machines I've worked with are inverter driven... Traction drives/hybrid etc.
 
  • #20
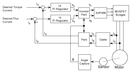
More or less this general topology:
1587060573386.png
 

Attachments

  • 1587060472900.png
    1587060472900.png
    5 KB · Views: 228
  • #21
OK, but in that case:
essenmein said:
I kind of didn't believe it till I got to play with an externally excited synchronous machine, reduce field, unloaded speed goes up, increase field, it slows down.
that statement is entirely or partly function of your test setup, not a statement about all synchronous machines.

I think the only universal statement you can make about the speed is that the rate of change of speed is proportional to the mechanical - electric power mismatch. Both the mechanical and electric powers can be complex functions of things external to the synchonous machine, not necessarily a function of the machine itself.
 
  • #22
Sorry, but the effect is entirely analogous to a DC machine. Max speed is determined by available voltage and the induced BEMF, forget frequency, the inverter and position sensors take care of that. You described the thing perfectly with the cowboy riding the rotor in the other thread, the controller cares naught about frequency, it doesn't even know frequency, you are regulating from the view of the cowboy.

So at full field, BEMF reaches maximum voltage at a lower rotating speed than it does if you reduce the field current.

Parasitic load does obviously affect this speed, but fundamentally its the reducing BEMF per rpm as you reduce field current that increases the machine speed.
 
  • #23
anorlunda said:
I think the only universal statement you can make about the speed is that the rate of change of speed is proportional to the mechanical - electric power mismatch.
Not so. One property of a shunt wound motor is constant speed regulation with a varying mechanical load. It's not perfect of course but many times better than a series wound motor.
 
  • #24
Averagesupernova said:
One property of a shunt wound motor is constant speed regulation with a varying mechanical load.
Sorry, that post was responding to comments about AC synchronous motors, not DC motors of any type including shunt wound.

It is very easy to get lost in threads because there are many post commenting on other comments rather than the OP subject. If it becomes extreme, the mentors will take actions, but even in the best threads we can't restrict comments to those which reply only to the OP.
 
  • #25
anorlunda said:
Sorry, that post was responding to comments about AC synchronous motors, not DC motors of any type including shunt wound.

It is very easy to get lost in threads because there are many post commenting on other comments rather than the OP subject. If it becomes extreme, the mentors will take actions, but even in the best threads we can't restrict comments to those which reply only to the OP.
I couldn't agree more. Sometimes a lot more things are learned from an offshoot of the original question. After I posted I wondered if I had gotten my threads mixed up. Would have felt pretty silly then.
 

Similar threads

Replies
12
Views
3K
Replies
21
Views
3K
  • · Replies 15 ·
Replies
15
Views
3K
  • · Replies 5 ·
Replies
5
Views
2K
  • · Replies 7 ·
Replies
7
Views
3K
Replies
2
Views
2K
Replies
5
Views
6K
Replies
9
Views
3K
Replies
7
Views
2K
Replies
0
Views
2K