How can DC-to-DC power transformers improve efficiency in power electronics?

  • Thread starter Thread starter anorlunda
  • Start date Start date
  • Tags Tags
    Power Transformer
Click For Summary

Discussion Overview

The discussion centers on the potential applications and efficiency improvements of DC-to-DC power transformers in power electronics. Participants explore theoretical concepts, practical implementations, and comparisons with traditional DC-AC-DC configurations.

Discussion Character

  • Exploratory
  • Technical explanation
  • Debate/contested

Main Points Raised

  • One participant shares insights on the use of DC-to-DC transformers for connecting different voltage level HVDC lines and integrating renewable energy sources like solar and offshore wind farms without converting to AC.
  • The proposed mechanism involves a "column" of capacitors with a sorting solution for charge equalization, allowing for high-frequency switching and smoothing of current.
  • Another participant expresses curiosity about the power losses associated with this DC-to-DC configuration compared to traditional DC-AC-DC setups, particularly regarding the discharge losses of capacitors.
  • There is a mention of the complexity in calculating power losses in power electronics, with one participant indicating uncertainty in providing a definitive comparison of losses.

Areas of Agreement / Disagreement

Participants express interest in the topic, but there is no consensus on the comparison of power losses between the proposed DC-to-DC transformers and conventional methods. The discussion remains unresolved regarding the efficiency and practicality of the different configurations.

Contextual Notes

Calculating power losses in power electronics is noted as a complex task, and assumptions regarding the performance of the proposed system versus traditional methods are not fully explored.

anorlunda
Staff Emeritus
Science Advisor
Homework Helper
Insights Author
Messages
11,326
Reaction score
8,755
I am sharing this to brag about my former boss and mentor Lionel Barthold. He is well into his 90s, but his mind is so sharp that he continues with brilliant inventions. I'm very proud of him.

What would power level DC-DC transformers be good for?
  • Connecting different voltage level HVDC lines without conversion to AC.
  • Direct connection of solar farms to HVDC without conversion to AC.
  • Offshore wind farms are best connected to land with underwater HVDC cables. They can generate low voltage DC and connect to HVDC without conversion to AC.
How does it work? You can read the details in this CIGRE paper, or this patent application. Or you can read my 10 cent simplified version below.

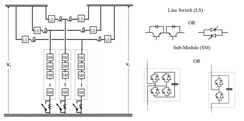
The basic element is a "column" which is a collection of a large number of capacitors in series, with a bypass switch around each capacitor. Connect the column to the high voltage side and the capacitors charge up. Now disconnect the high voltage side (all switching is done at current zeroes), bypass some of the capacitors and connect the column to the low voltage side. But that's unstable, because on the next cycle the capacitors don't begin with equal initial charges. The solution is to choose different subsets of the capacitors for each half cycle. That is called the "sorting" solution for charge equalization. None of the capacitors ever get fully discharged. With a large number of capacitors to choose from, you can do a lot of smoothing. The switching frequency is as high as possible, limited by switching speeds. Also throw in a little L to charge resonantly.

I think it is very clever. All of us could solve the simple DC circuit for each half cycle. But the circuit configuration is changed 800 times per second. If we say that each of 500 capacitors can have 4 charge levels, and switching frequency is 400 hertz, then there are ##800*2^{500}*4^{500}## possible combinations per second. But ##4^N## is an overestimate because initial charges are not fully independent, they depend on the time history. Even so, the result is a very large number of switching+initial_condition configurations per second, well above ##10^{100}##. Some of the capacitors are redundant, allowing for failures.

The scheme is shown below. One "column" on the left and with three parallel "columns" on the right. The three columns help smooth the current. (Don't get confused, this is not three phase power, it is three DC devices in parallel.)
slask.png
Here's a schematic showing details of the switching electronics.
slask.png


Here's a little simulation. We have a 640KV bus, 200 km of HVDC line, the transformer, another 200 km of line, and an 800 KV bus. The transformer has 400 submodules in each column. Switching frequency is 400 hertz.

slask.png


The simulation shows a transient, +1000 MW transfer, zero MW, then -1000 MW, in only 6 seconds. demonstrating bidirectional power flow with the same bus voltages. The transients show below are at the transformer. The currents have an enormous amount of ripple, but it is high frequency. At the bus ends of the lines, the ripples are largely filtered out by the inductance and capacitance of the 200 km of line, so that the DC looks fairly smooth.

slask.png


Just wanted to share. I think this stuff is cool.
 
Last edited:
  • Like
Likes   Reactions: donpacino and jim hardy
Engineering news on Phys.org
"Bucket and Ladle" charge pump taken where no man has tread before !

That's great !

thanks ..
 
  • Like
Likes   Reactions: mheslep
Thats really cool. I like it. just a note both of your links appear to go to the same article.

How do you think the power loses would compare vs a typical DC-AC-DC configuration.
Yes you are getting rid of the transformers but you gain the power loss that occurs with each capacitor discharge. Just curious if the simulation holds that data?

Again really cool!
 
donpacino said:
both of your links appear to go to the same article.

Thanks, i repaired the link to the patent application.

To me, calculating power losses in power electronics is very difficult, so I can't answer your question. But the losses comparison for transforming DC voltage the conventional way should not be DC-AC/AC-DC but rather DC-AC/transformer/AC-DC.
 

Similar threads

  • · Replies 8 ·
Replies
8
Views
3K
  • · Replies 10 ·
Replies
10
Views
5K
  • · Replies 4 ·
Replies
4
Views
2K
  • · Replies 11 ·
Replies
11
Views
3K
  • · Replies 10 ·
Replies
10
Views
2K
  • · Replies 7 ·
Replies
7
Views
4K
  • · Replies 9 ·
Replies
9
Views
4K
Replies
1
Views
2K
Replies
1
Views
2K
  • · Replies 1 ·
Replies
1
Views
3K