Jahnavi
- 848
- 102
The discussion revolves around determining the equivalent resistance between two points in a circuit, utilizing symmetry considerations. Participants are exploring how to simplify the circuit based on its symmetrical properties.
The discussion is active, with various participants sharing their thoughts on symmetry and its application in the circuit analysis. Some have expressed uncertainty about the effectiveness of their approaches, while others are attempting to validate their reasoning through dialogue. There is no clear consensus, but several productive lines of inquiry are being explored.
Participants note that all provided options for the equivalent resistance may be incorrect, which raises questions about the assumptions made in the problem setup. There is also mention of the need for clarity on which points can be considered equipotential based on symmetry.
Consider splitting node C into two nodes.Jahnavi said:not sure how to use this to simplify the circuit .
haruspex said:Consider splitting node C into two nodes.
Of the current which flows from O to C, how much then flows to B? Can you replace C by two nodes, one connected to O and B, the other to O and D, in such a way that the currents to B and D do not change?Jahnavi said:Could you please elaborate .
You can convert the star BC-OC-DC into delta and then apply symmetry argument to the resulting circuit. It will be easier IMO.Jahnavi said:Could you please elaborate .
cnh1995 said:all the options are incorrect
Yes, I was deliberately avoiding the need to know the star/delta rules.cnh1995 said:You can convert the star BC-OC-DC into delta and then apply symmetry argument to the resulting circuit. It will be easier IMO.
(And yes, as haruspex said, all the options are incorrect.)
Yes.Jahnavi said:Are you getting 7/15 Ohms ?
cnh1995 said:You can convert the star BC-OC-DC
Yes. Then apply symmetry argument for further simplification.Jahnavi said:Are you sure to convert BC-OC-DC ? Will this be sufficient ?
cnh1995 said:Then apply symmetry argument

Well, this will be easier than using symmetry from the beginning (at least for meJahnavi said:These symmetry arguments are killing me![]()
cnh1995 said:BTW, how did you calculate 7/15?
haruspex said:Edit: anyway, my way is quite easy. Split OC into OC' and OC", 2Ω each. OC'B is 3Ω. Combining with OB gives 3/4Ω. Tacking BA onto that gives 7/4Ω. Similarly on the right.
This leaves us with three parallel paths, having resistances 7/4, 1, 7/4.
.Looks like you nailed it!Jahnavi said:I am just shooting in the dark
Maybe teacher overlooked the currents in the upper half...haruspex said:By the way, all of the given options are wrong
Jahnavi said:The problem is solved . But I am still not very confident about exploiting symmetries and arguing which points are equipotential. If you have some insight in that problem or would like to share your reasoning as to how you would tackle that problem , please do so .

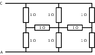
TSny said:Just to show a somewhat different (not better) way. By symmetry it should be clear that points B and D will be at the same potential.
View attachment 223844
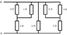
So you can fold the network about line AC so that triangle ABC is folded over on top of triangle ADB and let junctions B and D become the same junction. Then resistors BC and DC are in parallel, resistors BO and DO are in parallel, and resistors BA and DA are in parallel. So, the circuit reduces to
View attachment 223845
which is easy to reduce to an equivalent resistance.
TSny said:By symmetry it should be clear that points B and D will be at the same potential.
Good!Jahnavi said:I don't know what to say . It is as if you have read my mind
This is exactly what I have been thinking all the time and in fact this is how I got the answer in post#6 .
In finding the equivalent resistance between A and O, I imagine using a source of emf to apply a potential difference ##V## between A and O. Current ##I## from the source enters the network at A and returns to the source at O. The equivalent resistance is the ratio ##V/I##. From symmetry, the amount of current from A to B will be the same as the current from A to D. So, the potential drop from A to B will be the same as the potential drop from A to D. Thus, B and D can be assumed to be at the same potential when finding the equivalent resistance between A and O.How did you conclude that B and D are equipotential ? Is there a systematic way to identify which points are equipotential while using symmetry arguments ?
TSny said:From symmetry, the amount of current from A to B will be the same as the current from A to D.
Yes. Flipping the network over about the line AC doesn't change the network.Jahnavi said:What type of symmetry ?
Is it because if we draw a line along AC , the circuit is divided in two parts with left part being the mirror image of right part ?
And if we interchange the left and right parts circuit remains same ?
TSny said:You would not necessarily be able to treat B and D as being at the same potential if you are finding the equivalent resistance between other points of the network.
If you imagine applying a potential difference between A and D, then symmetry can be used to see which branches of the network would have the same current. However, symmetry does not imply in this case that any of the junctions would be at the same potential. Nevertheless, the reduction in the number of independent currents due to symmetry allows the problem to be easily solved using junction and loop equations.Jahnavi said:How would you find which points are equipotential if equivalent resistance is to be found between , say A and D ?
TSny said:However, symmetry does not imply in this case that any of the junctions would be at the same potential.
Yes, that's what I get also.Jahnavi said:Do you get 8/15 Ohms as equivalent resistance between A and D ?
Yes, that is essentially the same as in post #7, but definitely a neater way to express itTSny said:Just to show a somewhat different (not better) way. By symmetry it should be clear that points B and D will be at the same potential.
View attachment 223844
So you can fold the network about line AC so that triangle ABC is folded over on top of triangle ADB and let junctions B and D become the same junction. Then resistors BC and DC are in parallel, resistors BO and DO are in parallel, and resistors BA and DA are in parallel. So, the circuit reduces to
View attachment 223845
which is easy to reduce to an equivalent resistance between A and O.