Find Node A and B Voltage with Mesh Analysis

Click For Summary

Discussion Overview

The discussion revolves around using mesh analysis to find the voltages at Node A and Node B in a circuit. Participants explore the formulation of mesh equations and the application of Ohm's law to derive the node voltages.

Discussion Character

  • Homework-related
  • Mathematical reasoning
  • Technical explanation

Main Points Raised

  • Participants present mesh equations for the circuit, with one participant questioning the correctness of their equations.
  • Some participants affirm that the mesh current equations appear to be correct.
  • There is a discussion on how to calculate the voltages at Node A and Node B using Ohm's law and the currents derived from the mesh analysis.
  • One participant suggests a method for calculating the voltage at Node A by multiplying the difference of currents (I1-I2) with a 10-ohm resistor.
  • Another participant confirms the approach for calculating the voltage at Node A and provides a specific voltage value for Va.
  • There is a proposal for calculating Vb using the difference of currents (I2-I3) and a specific impedance, with a participant affirming the calculations.
  • A note is made that Vb could also be derived by adding a fixed voltage source to Va, indicating an alternative method for the calculation.

Areas of Agreement / Disagreement

Participants generally agree on the correctness of the mesh equations and the methods for calculating the node voltages, but there are multiple approaches suggested for deriving Vb, indicating some level of disagreement or uncertainty about the best method.

Contextual Notes

Participants do not explicitly resolve the potential differences in methods for calculating Vb, leaving some assumptions and dependencies on the chosen approach unaddressed.

eehelp150
Messages
235
Reaction score
0

Homework Statement


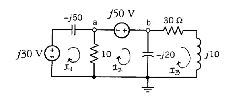
PK88BSE.png


Use Mesh analysis to find voltage of Node A and B

Homework Equations


V=IR
KVL

The Attempt at a Solution


Are my mesh equations correct?

Mesh1:
-j30V + (-j50 + 10)I1 - 10I2 = 0

Mesh2:
(10-j20)I2 - 10I1 - j50V - I3(-j20) = 0

Mesh3:
(-j20+30+j10)I3 - (-j20)I2 = 0
 
Last edited:
Physics news on Phys.org
Yes, your mesh current equations look fine.
 
gneill said:
Yes, your mesh current equations look fine.
How would I get the voltage of Node A and B?
 
eehelp150 said:
How would I get the voltage of Node A and B?
Ohm's law. You've solved for the currents so now you can find the potentials across any components you wish. Choose a path from the reference node to the location where you wish to know the potential and sum up the PD's along the way.
 
gneill said:
Ohm's law. You've solved for the currents so now you can find the potentials across any components you wish. Choose a path from the reference node to the location where you wish to know the potential and sum up the PD's along the way.
So if I wanted the voltage at Node A, I would multiple (I1-I2) with 10ohm resistor?
 
eehelp150 said:
So if I wanted the voltage at Node A, I would multiple (I1-I2) with 10ohm resistor?
That would work, yes. Any path from the reference node to a would work, and that happens to be a pretty convenient choice :smile:
 
gneill said:
That would work, yes. Any path from the reference node to a would work, and that happens to be a pretty convenient choice :smile:
I ended up getting:
14.329 < -71.74 degrees for Va
Is that right?Would Vb be: (I2-I3)*(-j20) -> 4.48 + 36.39j?
 
Last edited:
eehelp150 said:
I ended up getting:
14.329 < -71.74 degrees for Va
Is that right?Would Vb be: (I2-I3)*(-j20) -> 4.48 + 36.39j?
They look good to me.

Note that for Vb you could also have just added j50 to Va; there is a fixed source of that amount tying them together.
 
  • Like
Likes   Reactions: eehelp150

Similar threads

  • · Replies 7 ·
Replies
7
Views
3K
Replies
18
Views
2K
  • · Replies 7 ·
Replies
7
Views
2K
  • · Replies 7 ·
Replies
7
Views
2K
  • · Replies 13 ·
Replies
13
Views
4K
Replies
2
Views
3K
Replies
9
Views
2K
  • · Replies 4 ·
Replies
4
Views
7K
  • · Replies 11 ·
Replies
11
Views
5K
  • · Replies 1 ·
Replies
1
Views
3K