Fully differential opamp for impedance matching

Click For Summary

Discussion Overview

The discussion revolves around the design of a differential op-amp circuit intended for impedance matching with a 100 ohm transmission line, specifically using CAT6A twisted pair cable. The application involves capturing time-varying magnetic fields while minimizing electrostatic noise and stray capacitance.

Discussion Character

  • Technical explanation
  • Debate/contested
  • Experimental/applied

Main Points Raised

  • One participant questions the schematic's design, noting that the feedback configuration may create a mismatch due to the amplifier inputs being at virtual ground.
  • Another participant suggests using 1kΩ resistors instead of 50Ω to eliminate the mismatch and reduce load on the amplifier.
  • Concerns are raised about the use of two 50Ω transmission lines and how they are matched to the source, with a request for clarification on this aspect.
  • A participant mentions the need for calibration against a known magnetic field using a Helmholtz coil, indicating uncertainty about how to match the loop to the source.
  • There is a suggestion to explore specialized components for each step of the process, including differential amplifiers and ADCs, but the relevance of the CAT6 cable and signal frequencies remains unclear.
  • Another participant emphasizes the importance of operating the coil into a virtual earth to detect induced current effectively, while also questioning the necessity of op-amps due to potential bandwidth reduction.
  • Formatting conventions for component values and units are discussed, highlighting the need for clarity in communication.

Areas of Agreement / Disagreement

Participants express differing opinions on the circuit design and its components, with no consensus reached on the best approach to impedance matching or the use of specific components. Multiple competing views remain regarding the effectiveness and configuration of the proposed circuit.

Contextual Notes

Participants note limitations in understanding the signal frequencies involved and the specific role of the CAT6 cable in the design. There is also mention of unresolved questions regarding the matching of the 100Ω line to the oscilloscope.

Helmholtzerton
Messages
30
Reaction score
4
Hello,

I'm trying to get some feedback on my circuit design (picture below). I am attempting to use a differential op amp to impedance match a 100 ohm transmission line. The transmission line is CAT6A twisted pair. I'm using CAT6A as a feed through into a vacuum chamber.

The design is to capture a time varying magnetic field which will induce a voltage on a loop. The design is to compensate for electrostatic noise/pickup due to local charges.

I'm curious as to if my circuit design schematic looks correct.

This design will be used in another application in which using a balanced line out will reduce stray capacitance. CAT6A twisted shielded wire has a much lower stray capacitance than 50Ohm coaxial cable, which will effect the frequency response of my signal. The lower I can get the stray capacitance, the better.

Any insight or tips on best practices would be greatly appreciated!

Bdot_Differential.png
 
Engineering news on Phys.org
Your schematic is unusual at best...

One comment: With the feedback shown, the amplifier inputs are at virtual ground (assuming that the amplifier can handle the current). Thus the 50Ω transmission line is looking into 50Ω (to GND) in parallel with 50Ω (to virtual ground), creating a huge mismatch. I suggest replacing the 50Ω resistors around the amplifier with 1kΩ. This will eliminate the mismatch and reduce the load on the amplifier.

Question: Why do you use two 50Ω transmission lines? And how do you match them to the source?

By the way, CAT6 is usually connected through a transformer:

a28-7.jpg
 

Attachments

  • upload_2017-3-4_18-29-1.png
    upload_2017-3-4_18-29-1.png
    4.3 KB · Views: 849
  • Like
Likes   Reactions: berkeman
Svein said:
Your schematic is unusual at best...

One comment: With the feedback shown, the amplifier inputs are at virtual ground (assuming that the amplifier can handle the current). Thus the 50Ω transmission line is looking into 50Ω (to GND) in parallel with 50Ω (to virtual ground), creating a huge mismatch. I suggest replacing the 50Ω resistors around the amplifier with 1kΩ. This will eliminate the mismatch and reduce the load on the amplifier.

Question: Why do you use two 50Ω transmission lines? And how do you match them to the source?

By the way, CAT6 is usually connected through a transformer:

a28-7.jpg
Svein,

Thank you for taking the time to respond to my post. It is greatly appreciated!

I am trying to reproduce a triple axis Bdot probe from a paper found here: http://plasma.physics.ucla.edu/papers/Everson-RSI-Bdot.pdf

The schematic from the paper is listed below, which I found somewhat confusing (maybe I still do?).
I initially thought two op amps where used in their design but the schematic clearly shows one differential op amp outlined in a square.

I will use 1kOhm resistors around the amplifier as you suggested.

Bdot_Sch.png
I am using the two transmission lines as that is what was outlined in the paper. As far as I know they are needed to provide shielding up to the loop and to negate electrostatic pickup. The electrostatic pickup will be identical on both loops, and will be subtracted out by the differential amplifier.

If by matching to the source you mean the loop, I am unsure how that is matched. I don't believe it is matched. Depending on the frequency of the time varying magnetic field this probe is used to detect, this probe needs to be calibrated against a known magnetic field with a Helmholtz coil with a known current going into the Helmholtz coil.

I'm concerned with matching the 100Ohm line back to my oscilloscope. I was unable to find any baluns that match 100Ohm CAT6A cable to 50Ohm coaxial cable.

I was able to find a 4 channel 100Ohm to 75Ohm device - in which I could just terminate to my oscilloscope at 75Ohms.

Video Balun.png


The schematic that you attached. Is that for a particular PCB all in one component I can buy, or something that needs to be pieced together?Here is a more recent schematic

Bdot_Sch_ver2.png
 
Last edited:
Now I am starting to see what you are trying to do. It might possibly work, but I think you are trying to do too much using that circuit. As I understand you, you are trying to:
  1. Match the two 50Ω transmission lines
  2. Subtract the two voltages in order to get hold of the measurement voltage
  3. Look at the resulting value in an oscilloscope
Somehow, I also think that you want to
  • Convert the measured value to a digital representation
  • Store the digital value somewhere
Now, there are specialized components for each step. I am still not sure why you introduce the CAT6 cable (distance?) and what signal frequencies we are talking about, but I suggest looking through these links
Note: I am not associated with TI. The fact that all links point there is pure laziness on my side.
 
Helmholtzerton said:
I'm curious as to if my circuit design schematic looks correct.
You must decide how to interface the coil by what you are wanting to detect. A pick up coil is operated into a virtual earth, (= short circuited), only when you want the induced current detected to be converted to a voltage. If the coil is not operated into a VE, it will be detecting the voltage induced which is proportional to the rate of change of the magnetic field.

The Fig.2. shows 50 ohm lines all the way. The 50 ohm termination can be in the scope, or you can use a 'T' connector with a 50 ohm line termination. I see no reason why the differentially twisted pair loop cannot feed directly into twisted pair lines. A sailor would recognise the coil as a Dutch Splice.

What part number is the amp? Why use any op-amps? They will reduce your signal bandwidth.
An A to D converter will need to terminate the line when the oscilloscope is replaced.

Helmholtzerton said:
I'm concerned with matching the 100Ohm line back to my oscilloscope. I was unable to find any baluns that match 100Ohm CAT6A cable to 50Ohm coaxial cable.
I was able to find a 4 channel 100Ohm to 75Ohm device - in which I could just terminate to my oscilloscope at 75Ohms.
Are you trying to confuse us? Please put a space between the value and the unit. When a unit is named after a person and written in full, the person is capitalised but the unit is not. When only the persons initial is used it is capitalised. For example 12 volt = 12 V.

There is a convention with electronic component values where the multiplier takes the place of the decimal point. 1200 ohm = 1.2 k ohm = 1k2. The greek omega is replaced with R. So 1.5 ohm = 1R5. 100 ohm = 100R.
 
Svein said:
Now I am starting to see what you are trying to do. It might possibly work, but I think you are trying to do too much using that circuit. As I understand you, you are trying to:
  1. Match the two 50Ω transmission lines
  2. Subtract the two voltages in order to get hold of the measurement voltage
  3. Look at the resulting value in an oscilloscope
Somehow, I also think that you want to
  • Convert the measured value to a digital representation
  • Store the digital value somewhere
Now, there are specialized components for each step. I am still not sure why you introduce the CAT6 cable (distance?) and what signal frequencies we are talking about, but I suggest looking through these links
Note: I am not associated with TI. The fact that all links point there is pure laziness on my side.

1-3 yes, this is correct.

Yes, I will convert these signals to a digital representation along with the relative spatial location at which the signals where acquired.
I just use LabVIEW to move the data from my oscilloscope to store the binary data on a computer.

One reason I absolutely need the CAT6 cable because of the stray capacitance associated with it. The parasitic capacitance of CAT6 is lower than that of 50Ω coaxial cable.In fact, I want to use CAT7 cable because the stray capacitance is much much lower for a balanced transmission line. This particular diagnostic will segway into another diagnostic I am building in tandem where stray capacitance greatly effects the frequency response of the diagnostic.

Also, because this is a means of a feedthrough for a vacuum system, it takes up much less real estate than using several coaxial cables.

The stray capacitance isn't that big of an issue for this circuit, however it will be a major issue for the next diagnostic.

Thank you for the links, and your responses! I will check into them.
 
Baluncore said:
You must decide how to interface the coil by what you are wanting to detect. A pick up coil is operated into a virtual earth, (= short circuited), only when you want the induced current detected to be converted to a voltage. If the coil is not operated into a VE, it will be detecting the voltage induced which is proportional to the rate of change of the magnetic field.

The Fig.2. shows 50 ohm lines all the way. The 50 ohm termination can be in the scope, or you can use a 'T' connector with a 50 ohm line termination. I see no reason why the differentially twisted pair loop cannot feed directly into twisted pair lines. A sailor would recognise the coil as a Dutch Splice.

Are you saying that I should remove the 50R terminations used on the transmission lines shown on my schematic?
This is where I think I'm running into some confusion regarding Fig.2. It appeared to me that's what was being represented in the paper.

I think I'm going to test this circuit tomorrow on a breadboard. I can use my dual channel waveform generator with a 180 degree phase difference between the two channels and input them into my differential op amp to see what happens with and without the terminating resistors. After that I can try building a simple version without the impedance matching o and attempt to induce a voltage on some current loops connected to the Op Amp.
What part number is the amp? Why use any op-amps? They will reduce your signal bandwidth.
An A to D converter will need to terminate the line when the oscilloscope is replaced.

This is the op-amp I will test on a breadboard: http://www.digikey.com/product-detail/en/analog-devices-inc/AMP03GPZ/AMP03GPZ-ND/820285
I will use lower frequency signals for testingThis is the op-amp I will use in the circuit design: http://www.digikey.com/product-detail/en/texas-instruments/THS4504DGK/296-16796-5-ND/634953
I expect signals up 60MHz for the application.

I don't plan on replacing the oscilloscope though. An oscilloscope is needed for this measurement.

I could use two oscilloscope lines to act as a differential op amp I suppose, but then I would need 6 of them for the measurement.
Are you trying to confuse us? Please put a space between the value and the unit. When a unit is named after a person and written in full, the person is capitalised but the unit is not. When only the persons initial is used it is capitalised. For example 12 volt = 12 V.

There is a convention with electronic component values where the multiplier takes the place of the decimal point. 1200 ohm = 1.2 k ohm = 1k2. The greek omega is replaced with R. So 1.5 ohm = 1R5. 100 ohm = 100R.

Thank you for the examples and the naming conventions, I will use these from now on as to not confuse anyone.
 
No op-amps are needed.

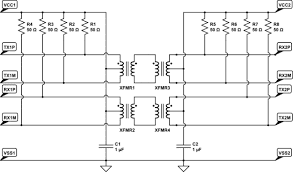
I assume that Zo = 50 ohm semi-rigid coaxial cable with an 0.085” (or 0.141” ?) diameter copper outer, with PTFE? insulation will be used to exit the hostile environment.
As an example of the dimensions available, go to; https://www.micro-coax.com/products/cable/semi-rigid/
Select 50 ohm, a solid PTFE dielectric and a copper outer.

Then the transition to the Cat 5 or Cat 6, (which has Zo = 100 ohm), can be done by grounding the coax outer conductors and connecting the two inner conductors to a Cat 6 twisted pair. 50R + 50R = 100R so it will be matched without any changes. You might slide UHF ferrite beads over the end of each Cat 6 pair to reduce conduction of common mode noise.

Now you have a balanced differential signal in Cat 6 cable, with Zo = 100 ohm, and need to convert it to unbalanced 50 ohm for the oscilloscope. That means you need a balun. The 50 ohm output will go to the oscilloscope with an internal 50 ohm, or via a T connector with an external 50 ohm termination.
For that balun see; MCL. Application Note on Transformers. Sections 8 and 9.1
https://www.minicircuits.com/app/AN20-002.pdf
Then see selection guide for impedance ratio = 2, with the frequency range you require.
https://www.minicircuits.com/WebStore/Transformers.html

There is a good introduction to transmission line transformers.
See; Transmission Line Transformers. By Jerry Sevick. For 2:1 baluns start at chapter 9. Then Fig 9-23 to Fig 9-26
http://www.okdxf.eu/files/Noble Publishing - 2001 - Transmission Line Transformers, 4ed.pdf
 
Here are a couple of baluns that I think would transform the Cat 6, Zo = 100 ohm to oscilloscope Zo = 50 ohm.

I would suggest you consider the Minicircuits ADT2-1T.
Operate it backwards, with the centre tap floating or grounded.
Here is the datasheet; https://www.minicircuits.com/pdfs/ADT2-1T.pdf
Minimum qty x10. Buy x20 for US $3.65 each.
https://www.minicircuits.com/WebStore/dashboard.html?model=ADT2-1T

Pulse Electronics Corporation also make a transformer with similar specs; CX2045LNL.
Data sheet; http://productfinder.pulseeng.com/files/datasheets/C203.pdf
Available from Digi-Key, Part Number 553-1500-ND approx US $3.00 each.
 
  • #10
Baluncore said:
No op-amps are needed.

I assume that Zo = 50 ohm semi-rigid coaxial cable with an 0.085” (or 0.141” ?) diameter copper outer, with PTFE? insulation will be used to exit the hostile environment.
As an example of the dimensions available, go to; https://www.micro-coax.com/products/cable/semi-rigid/
Select 50 ohm, a solid PTFE dielectric and a copper outer.

Then the transition to the Cat 5 or Cat 6, (which has Zo = 100 ohm), can be done by grounding the coax outer conductors and connecting the two inner conductors to a Cat 6 twisted pair. 50R + 50R = 100R so it will be matched without any changes. You might slide UHF ferrite beads over the end of each Cat 6 pair to reduce conduction of common mode noise.

Now you have a balanced differential signal in Cat 6 cable, with Zo = 100 ohm, and need to convert it to unbalanced 50 ohm for the oscilloscope. That means you need a balun. The 50 ohm output will go to the oscilloscope with an internal 50 ohm, or via a T connector with an external 50 ohm termination.
For that balun see; MCL. Application Note on Transformers. Sections 8 and 9.1
https://www.minicircuits.com/app/AN20-002.pdf
Then see selection guide for impedance ratio = 2, with the frequency range you require.
https://www.minicircuits.com/WebStore/Transformers.html

There is a good introduction to transmission line transformers.
See; Transmission Line Transformers. By Jerry Sevick. For 2:1 baluns start at chapter 9. Then Fig 9-23 to Fig 9-26
http://www.okdxf.eu/files/Noble Publishing - 2001 - Transmission Line Transformers, 4ed.pdf

Wow...I can't thank you enough for this. This simplifies the design significantly and would only require 3 oscilloscope channels.

Sorry, I should probably do the research before asking this question...but I have to ask

The balanced line carrying a signal on each wire, if we assume that the signal is equal and opposite in phase on each wire. Are the voltages then added when passing through the balun such that.

Balanced line into balun
Line 1 is 1 V at 0 degrees
Line 2 is 1 V at 180 degrees

Unbalanced line output from balun
Coaxial cable center conductor is 2 V at 0 degrees

If this is the case, the only worry I would have then is the frequency response of the balun. That is, that it will add (or subtract) the phases correctly.

Again, thank you so much. And I'll update this thread as progress is made.
 
  • #11
Helmholtzerton said:
The balanced line carrying a signal on each wire, if we assume that the signal is equal and opposite in phase on each wire. Are the voltages then added when passing through the balun such that.

Balanced line into balun
Line 1 is 1 V at 0 degrees
Line 2 is 1 V at 180 degrees

Unbalanced line output from balun
Coaxial cable center conductor is 2 V at 0 degrees

If this is the case, the only worry I would have then is the frequency response of the balun. That is, that it will add (or subtract) the phases correctly.
Not quite. The output voltage will be 1.4142V at 0° due to the impedance matching ratio.
The voltage ratio will be included in the calibration, the story goes something like this.

There are two coils, they drive 50 ohms each and produce let us say 1 volt each. The current from each coil that drives the line is therefore 1V / 50R = 20mA. The power from each coil is 1V * 20mA = 20mW in each coaxial cable. Total signal power is therefore 40mW.

Where that coaxial currents and voltages meet the cat 6, the wanted signal voltages are added, while the electrostatic common mode voltage pulse is canceled and so becomes common mode noise. (That is why I advocate a ferrite bead over each cat 6 twisted pair). The cat 6 signal voltage is then 1V + 1V = 2V. The currents are in series so the cat 6 current is 20mA. Check the impedance; 2V / 20mA = 100R. Check the power; 2V * 20mA = 40mW.

A 2:1 impedance balun is rare because it needs an irrational turns ratio of √2:1.
That can be approximated, with an error of only 1%, by integer turns ratios of 10:7 or 14:10.
A centre tap makes for serendipitous turns ratios of either (5+5):7 or (7+7):10.

Continuing the example analysis with the √2:1 balun turns ratio.
The balun primary current is 20mA, so the secondary current is 28.28mA.
The balun primary voltage is 2V, so the secondary voltage is 1.4142V.
Input power is 2V * 20mA = 40mW. Output power is 1.4142V * 28.28mA = 40mW, correct.

I expect the low frequency response of your flux probe will be limited more by the probe than by the balun transformer. But if you needed a flatter low frequency response you could parallel the balun with a slow op-amp in a low-pass circuit. You can avoid that for now.

Note that cat 6 is used for digital data, so there is some tolerance for cross-coupling over the limited 100 metre span. Your application is analogue, so in a 3-axis detector you may have some fixed rotational mapping errors due to cross-coupling of proportions of the x, y and z signals amongst each other.

I guess you have seen this example; Hantek 6254BC PC USB Oscilloscope, 4 chan, 250MHz, 1GSa/s. Often available for US $215 via AliExpress. It has Hi-Z inputs so would need to be driven from 50 ohm coax passing a 'T' connected 50 ohm termination.
 
  • Like
Likes   Reactions: Helmholtzerton
  • #12
I just used two signal generators with 1 V signals out of phase by 180 degrees on one end of a balun and a coax on another end.
I received a 2 V signal. So it appears this will work.
Baluncore said:
Not quite. The output voltage will be 1.4142V at 0° due to the impedance matching ratio.
The voltage ratio will be included in the calibration, the story goes something like this.

There are two coils, they drive 50 ohms each and produce let us say 1 volt each. The current from each coil that drives the line is therefore 1V / 50R = 20mA. The power from each coil is 1V * 20mA = 20mW in each coaxial cable. Total signal power is therefore 40mW.

Where that coaxial currents and voltages meet the cat 6, the wanted signal voltages are added, while the electrostatic common mode voltage pulse is canceled and so becomes common mode noise. (That is why I advocate a ferrite bead over each cat 6 twisted pair). The cat 6 signal voltage is then 1V + 1V = 2V. The currents are in series so the cat 6 current is 20mA. Check the impedance; 2V / 20mA = 100R. Check the power; 2V * 20mA = 40mW.

A 2:1 impedance balun is rare because it needs an irrational turns ratio of √2:1.
That can be approximated, with an error of only 1%, by integer turns ratios of 10:7 or 14:10.
A centre tap makes for serendipitous turns ratios of either (5+5):7 or (7+7):10.

Continuing the example analysis with the √2:1 balun turns ratio.
The balun primary current is 20mA, so the secondary current is 28.28mA.
The balun primary voltage is 2V, so the secondary voltage is 1.4142V.
Input power is 2V * 20mA = 40mW. Output power is 1.4142V * 28.28mA = 40mW, correct.

I expect the low frequency response of your flux probe will be limited more by the probe than by the balun transformer. But if you needed a flatter low frequency response you could parallel the balun with a slow op-amp in a low-pass circuit. You can avoid that for now.

Note that cat 6 is used for digital data, so there is some tolerance for cross-coupling over the limited 100 metre span. Your application is analogue, so in a 3-axis detector you may have some fixed rotational mapping errors due to cross-coupling of proportions of the x, y and z signals amongst each other.

I guess you have seen this example; Hantek 6254BC PC USB Oscilloscope, 4 chan, 250MHz, 1GSa/s. Often available for US $215 via AliExpress. It has Hi-Z inputs so would need to be driven from 50 ohm coax passing a 'T' connected 50 ohm termination.

I'm going to order the mini-circuits baluns and give this a shot. I'd also like to test out the op amp method as well.
One concern I have with only using the baluns and no amplification - is not getting enough of a signal.

I had to use some mini-circuits amplifiers for when I constructed a simple Bdot probe from semi-rigid coax cable as the signal from that device was barely registering on my oscilloscope.

Once this part of the design works, I will want to construct an integrator circuit into this design so that I can directly extract B rather than having to integrate Bdot from the digitized signal in Matlab.

Thank you so much!
 
  • #13
Too late to edit the last post.

Whatever it is I used earlier, was not a balun as I should not have had a 2V signal, however I wasn't using twisted pair for testing.
I tore apart my 4CH passive receiver and desoldered one of the "baluns" inside of it. There were 6 pins on the device and it looked like a ferrite ring with several windings. The device did not behave as I expected it to. I'll keep the progress updated.
 
  • #14
Screendump of Semi-rigid to Cat 6 to BAL-UN to Oscilloscope.
Here are LTspice files for simulation of transmission lines.
Remove .txt extension to run source .asc file.
 

Attachments

  • #15
I have not used LTspice yet. My colleagues were telling me about it the other day. Looks like I will have to check into this now! Thank you so much!
 
  • #16
Baluncore said:
Screendump of Semi-rigid to Cat 6 to BAL-UN to Oscilloscope.
Here are LTspice files for simulation of transmission lines.
Remove .txt extension to run source .asc file.

My baluns came in.

Here are the results. Seems good except for when I apply an offset. Not sure why it behaves the way it does with the offset.

In phase, 1Vpp applied to each signal going into the balun. Output no signal. Exactly what we should expect.
0.jpg


1Vpp 180 out of phase between the two signals (no 50ohm termination). I see a peak of 1.4 volts
180.jpg


90 degrees out of phase. 1 Volt peak
90.jpg


And then 180 degrees out of phase with an offset voltage I thought I would get an output with an offset. That was not the case. So there is something about the theory I'm not understanding.

Offset.jpg


Now, if I used an op amp in this case. Would I see an offset voltage? Is this where fully differential op amps differ from baluns?

Also, I am getting 5mV of noise from this set up. I need to find a way to shore up this problem. Perhaps in a shielded box on PCB? I expect to have a very weak signal from the diagnostic I am going to build so this signal might have to be amplified somewhere.
 
  • #17
Looks OK.

A DC offset will cause heating of the transformer wire and magnetisation of the core. The output is limited to 5MHz so the DC offset will not pass the transformer. That is an advantage since it gives some isolation from ground noise. One problem with offset bias is that it will have an asymmetric saturation and so have harmonic generation possibilities. The circuit shown in post #14 as my LTspice T-Line model of your system shows there can be no DC bias present in the BALUN.

In the final circuit it may be good to place two ERA50SM or similar MMICs where the 50 ohm coaxial lines meet the Cat 6. They would be in parallel, but differential, so they should cancel harmonics at the same time as providing signal gain before the Cat 6 twisted pair (antenna). The MMICs could be biassed by current fed down the two Cat 6 wires, injected at the BALUN CT, (Centre Tap).

Which brings up another observation about the reciprocal nature of transformers. You can operate them backwards without problems.

The MCL ADT2-1T I recommended has an impedance ratio 1:2CT, a 50 to 100 ohm UN-BAL with a CT on the balanced 100 ohm side. By operating it backwards you get a BAL-UN with a CT on the 100 ohm input side. The CT on the input side can be used to inject supply current for head amplifiers.

The MABA-011017 has an impedance ratio 2:1CT, a 100 to 50 ohm UN-BAL with a CT on the 50 ohm side. That places the CT on the unbalanced output side and does not provide an amplifier supply injection point. Notice also that configuration has a limited BW of 5 to 85MHz.

The MABA-011062 UN-BAL looks like a better choice for a 100 to 50 ohm BAL-UN. It has a configuration with a wider BW, 1 to 300MHz and when reversed will provides the 100 ohm CT on the balanced input side. It is a closer cheap equivalent to the MCL product.
 
Last edited:
  • #18
Baluncore said:
Looks OK.

A DC offset will cause heating of the transformer wire and magnetisation of the core. The output is limited to 5MHz so the DC offset will not pass the transformer. That is an advantage since it gives some isolation from ground noise. One problem with offset bias is that it will have an asymmetric saturation and so have harmonic generation possibilities. The circuit shown in post #14 as my LTspice T-Line model of your system shows there can be no DC bias present in the BALUN.

In the final circuit it may be good to place two ERA50SM or similar MMICs where the 50 ohm coaxial lines meet the Cat 6. They would be in parallel, but differential, so they should cancel harmonics at the same time as providing signal gain before the Cat 6 twisted pair (antenna). The MMICs could be biassed by current fed down the two Cat 6 wires, injected at the BALUN CT, (Centre Tap).

Which brings up another observation about the reciprocal nature of transformers. You can operate them backwards without problems.

The MCL ADT2-1T I recommended has an impedance ratio 1:2CT, a 50 to 100 ohm UN-BAL with a CT on the balanced 100 ohm side. By operating it backwards you get a BAL-UN with a CT on the 100 ohm input side. The CT on the input side can be used to inject supply current for head amplifiers.

The MABA-011017 has an impedance ratio 2:1CT, a 100 to 50 ohm UN-BAL with a CT on the 50 ohm side. That places the CT on the unbalanced output side and does not provide an amplifier supply injection point. Notice also that configuration has a limited BW of 5 to 85MHz.

The MABA-011062 UN-BAL looks like a better choice for a 100 to 50 ohm BAL-UN. It has a configuration with a wider BW, 1 to 300MHz and when reversed will provides the 100 ohm CT on the balanced input side. It is a closer cheap equivalent to the MCL product.

Well, now I know what can be done with the center taps, and that is very useful.

As for canceling harmonics. This could possibly pose problems

Here what I have seen using simple Bdot probes... and these frequencies are supposed to be there according to theory.

Excited frequencies
f1 = 200 MHz
f2 = .5 MHz

Observed frequencies.
f1, f2 , f1+ f2 , f1- f2 , f1 + 2*f2 , f1 - 2*f2 ... 2*f1 + f2 , 2*f1 - f2 , etc

In otherwords, I'm seeing sidebands which I'm most interested in. Similar to inter-modulation seen from amplifiers. The second harmonic and the sidebands associated with them are not that important.
 
  • #19
Helmholtzerton said:
As for canceling harmonics. This could possibly pose problems
NOT cancellation of that type of signal harmonic.
A slightly non-linear amplifier will introduce additional harmonics of the larger signals. When two identical amplifiers are used in a differential mode, the distortion caused by one will often be canceled by the other.

It would be good to get a high impedance wideband voltage follower such as a CFA closer to the probe. But that will involve putting semiconductors close to a hostile environment. Minimum capacitance coaxial cable comes with maximum impedance since Zo = Sqrt( L / C ). The problem is that 75 ohm coax usually has a foam dielectric which is thick and does not seal as well as semi-rigid. Remember that a transmission line does not look like a capacitor if it is terminated in Zo.

It might be possible to take the CAT 6 all the way to the loop and throw out the coaxial cable. The 2x one-turn loops for each axis would share a common ground point for all wire loops.
 

Similar threads

Replies
1
Views
2K
  • · Replies 20 ·
Replies
20
Views
4K
Replies
33
Views
4K
Replies
20
Views
3K
  • · Replies 6 ·
Replies
6
Views
2K
  • · Replies 8 ·
Replies
8
Views
3K
  • · Replies 11 ·
Replies
11
Views
4K
  • · Replies 7 ·
Replies
7
Views
3K
  • · Replies 19 ·
Replies
19
Views
5K
Replies
8
Views
3K