Help with Node Analysis Circuit Problem

Click For Summary

Discussion Overview

The discussion revolves around a node analysis problem in circuit theory, where participants are attempting to solve for voltages and currents using nodal analysis techniques. The scope includes mathematical reasoning and technical explanations related to circuit analysis methods.

Discussion Character

  • Homework-related
  • Technical explanation
  • Debate/contested

Main Points Raised

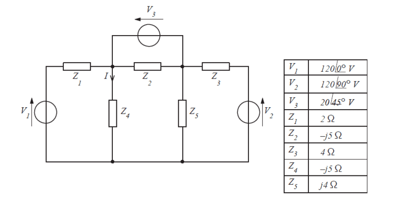
  • One participant presents a circuit with a current labeled I and expresses uncertainty about their node analysis method and calculations.
  • Another participant points out that complex numbers should be added in rectangular coordinates rather than polar coordinates, suggesting a correction to the original calculations.
  • Some participants discuss the substitution of equations in nodal analysis, questioning whether the approach taken is correct or if it leads to loop analysis instead.
  • There are repeated mentions of confusion regarding the correct application of Kirchhoff's current law (KCL) and the identification of unknown voltages at nodes.
  • Participants express frustration over not achieving the correct answers despite following textbook methods, indicating a struggle with the underlying concepts.
  • A suggestion is made to avoid plugging in numbers too early in the process to maintain clarity in the algebraic derivation.

Areas of Agreement / Disagreement

Participants do not reach a consensus on the correct approach to the node analysis problem. There are multiple competing views regarding the methods of substitution and the handling of complex numbers, leading to ongoing confusion and debate.

Contextual Notes

Participants mention limitations in their textbooks and notes, indicating that the resources available may not adequately cover the methods being discussed. There is also a reference to another thread that may provide additional context or solutions, but it remains unclear how applicable that information is to the current problem.

Who May Find This Useful

This discussion may be useful for students and practitioners of circuit analysis, particularly those struggling with nodal analysis techniques and the application of complex numbers in electrical engineering contexts.

billyray
Messages
58
Reaction score
1

Homework Statement


I have a circuit which I have a current through labelled I on circuit. I have -9.18 +j17.31. we agreed this was correct. I have a node analysis problem but cannot find the correct answer. I feel my method and my maths may be off but would like some advice if possible please.[/B]

Homework Equations


I have included all my workings and circuit below. There may be a lot wrong but I thought I was doing well. I am hoping for some pointers please. Thanks again to the people who have helped before.[/B]

The Attempt at a Solution


My attempt is included.[/B]
 

Attachments

  • node analysis.PNG
    node analysis.PNG
    11.3 KB · Views: 544
  • node analysis.pdf
    node analysis.pdf
    652.1 KB · Views: 287
Physics news on Phys.org
At the end of your work where you have V30 = V20 - V3, following that you have two values in polar coordinates. You have added both the magnitude and the angle of those two numbers. You can't do that. If you want to add two complex numbers they should be in rectangular coordinates and you add the two parts. If you want to multiply two complex numbers, you express them in polar coordinates and multiply the magnitudes, add the angles.

Following all that, you need to substitute the expression V20 - V3 for V30. You haven't done that correctly. Check your work.
 
Hi Electrician and gneill
I see what you mean about adding the angles.
I have attempted a 2nd attempt but it does not match my previous answer.
 

Attachments

billyray said:
Hi Electrician and gneill
I see what you mean about adding the angles.
I have attempted a 2nd attempt but it does not match my previous answer.

This attachment shows a loop solution. I thought you are now working on a nodal solution?
 
hi electrician
the nodal sheets I was given say to find the node and divide by the resistor for current in that branch. Am I doing my substitution of V20 - V3 = V30 wrong?
 
You showed some work in post #1. Redo that part near the end, following V30 = V20 - V3, fixing the errors I described in post #3.
 
ok thanks electrician. was my second attempt really wrong then? I was trying to correct those errors there. i continued from that part.
 
billyray said:
ok thanks electrician. was my second attempt really wrong then? I was trying to correct those errors there. i continued from that part.
Your first attempt showed a nodal analysis. You second attempt shows a loop analysis. Your second attempt is wrong if you're trying to correct errors in a nodal analysis.
 
  • #10
hi electrician. I have been looking into the node analysis and found very little on solving the method by node analysis. Was I wrong to substitute my second equation into my first as I did. is that loop analysis? in my book and the notes I have are not great. am I wrong to divide the node V20 by the resistor. There is a lot of matrix online node solving problems but not a lot about this way.
 
  • #11
billyray said:
hi electrician. I have been looking into the node analysis and found very little on solving the method by node analysis. Was I wrong to substitute my second equation into my first as I did. is that loop analysis? in my book and the notes I have are not great. am I wrong to divide the node V20 by the resistor. There is a lot of matrix online node solving problems but not a lot about this way.

gneill referred you to another thread on the forum which dealt with this problem. The discussion of nodal analysis begins here: https://www.physicsforums.com/threads/ac-circuit-analysis-mesh-and-nodal.791744/page-2#post-5117909

Have a look at that and see if it helps you.
 
  • #12
Hi electrician

I have been through the stuff online many times. in the forum they change the value of V30 in the equation and then try to simplify to as Gneill says
V20 [ some terms ] + [ more terms]
I believe I can do the maths from here but what I am confused about is that this means I can get rid of V30 in this equation. Is that ok. then can I use the equation where I have changed V30 to solve V20 or do I need something else. in my books and online they always have two equations and then substitute one from the other rather than substituting one into another. am I wrong to change V3 to V20 - v3 in the first equation and then solve that equation for V20.
 
  • #13
hi I just noticed I put up wrong sheet for second attempt will reload.
 
  • #14
Hi

sorry to be a pain Gneill and electrician.
My way of solving the first part seems different in method to yours am I wrong in my approach.Also
 

Attachments

  • #15
billyray said:
Hi

sorry to be a pain Gneill and electrician.
My way of solving the first part seems different in method to yours am I wrong in my approach.Also
It looks like you're off to a good start. What's your next step?
 
  • #16
Hi gneill and electrician
I really thought i had it this time i did it the same way as my book but answers no where near right. i am really frustrated with this question. don't spose you can help please
 

Attachments

  • #17
billyray said:
Hi gneill and electrician
I really thought i had it this time i did it the same way as my book but answers no where near right. i am really frustrated with this question. don't spose you can help please
I really can't see what you are doing here. What is 60+I30 ? Where do you use V1 and V2? For the node analysis you need to identify unknown voltages with nodes and then use KCL in those nodes to find the unknown voltages. I Can't see how you do this. Try to use a bit more text in your workings, to explain what you are doing.

For node analysis there is really only one unknown voltage, so you should be able to solve for it by using Kirchhoff's current rule only once.
If you have two nodes separated by a voltage source it's hard to find the current through the voltage source, but you don't have to.
You can draw a box around V3, Z2, and the two nodes to the left and right of them. The sum of all outgoing currents for this box should be 0.
 
  • #18
60 plus j30 is what i got from 3rd attemp where gniell agreed i was correct. this was continued from that attempt. I was removing the devisors by deviding in polar form to get V20(answer) plus V30(answer). The book then said to use my second equation to remove V30 by multiplying second equation so i can sum both equations to remove V30.
 
  • #19
billyray said:
60 plus j30 is what i got from 3rd attemp where gniell agreed i was correct. this was continued from that attempt. I was removing the devisors by deviding in polar form to get V20(answer) plus V30(answer). The book then said to use my second equation to remove V30 by multiplying second equation so i can sum both equations to remove V30.
I think you need to throw that out. If you assume one unknown voltage in your circuit, you should be able to work out all currents in the circuit as , and then use KCL to work out the unknown voltage. Don't try to fill in complex numbers too early, or nobody will understand anymore what is meant.
 
  • #20
billyray said:
Hi gneill and electrician
I really thought i had it this time i did it the same way as my book but answers no where near right. i am really frustrated with this question. don't spose you can help please
I have to say that I'm not a big fan of plugging in numbers until the smoke has cleared from the essential algebra. It's difficult to follow the provenance of a numeric value back through a derivation if you're looking for possible errors. Variables are unique and easily tracked.

Because this problem has been thoroughly thrashed out in another thread, with complete solutions attained, I'll take the liberty of providing a summary of what I consider to be a good approach for this portion of the overall problem (note that if no such solutions were arrived at previously this would be a forum rules violation!). You've already done much of the same work, but working with numbers makes it tedious to track down the details where things go off the rails. Here's a purely algebraic version of what you've attempted in your recent attempt:

upload_2017-12-21_19-28-21.png
 

Attachments

  • upload_2017-12-21_19-28-21.png
    upload_2017-12-21_19-28-21.png
    9.5 KB · Views: 519
  • #21
Here is the substitution of your equation (2) into equation (1) in the kind of detail you should have shown. You just haven't shown enough detail to make it easy to follow what you did.

Mistake.png


At the point where you have "(1) + (2) =" you made a simple arithmetic mistake. You should have added .5 and .25 and gotten .75, but you made a mistake.
 

Attachments

  • Mistake.png
    Mistake.png
    8.7 KB · Views: 346
  • #22
ok thanks so much guys i hope my algebra is up to it. i see what i come up with
 
  • #23
thanks electrician and gneil you put in a lot of work for this thanks so much
 
  • #24
hope my answer comes out as -9.18 +j17.31 like my spread sheet answer from first attemp.
 
  • #25
wow it worked thanks you guys your great. answers dead on. As you may have guessed i am doing a distance learning course and have no teachers to help so you guys have been wonder full. the material i have is also lame and my confidence has been crushed a bit. thanks and you guys and happy Christmas to all. i will study hard now for my next assignments on three phase.
 
  • #26
Good luck in your studies!
 

Similar threads

Replies
15
Views
3K
  • · Replies 5 ·
Replies
5
Views
2K
  • · Replies 2 ·
Replies
2
Views
2K
  • · Replies 2 ·
Replies
2
Views
2K
  • · Replies 4 ·
Replies
4
Views
2K
  • · Replies 8 ·
Replies
8
Views
2K
  • · Replies 1 ·
Replies
1
Views
2K
  • · Replies 6 ·
Replies
6
Views
2K
  • · Replies 2 ·
Replies
2
Views
2K
  • · Replies 15 ·
Replies
15
Views
4K