Help with operating an optoisolator

  • Thread starter Thread starter Dextrine
  • Start date Start date
Click For Summary

Discussion Overview

The discussion revolves around operating an optoisolator, specifically focusing on achieving linear mode operation for voltage regulation in a circuit involving a 360V input and a desired 2.5V output. Participants explore the functionality of the optoisolator, circuit design considerations, and troubleshooting issues related to current transfer and voltage output.

Discussion Character

  • Technical explanation
  • Debate/contested
  • Experimental/applied

Main Points Raised

  • One participant seeks clarification on how to operate the optoisolator in linear mode to achieve a variable 2.5V output based on a 360V input.
  • Several participants request circuit diagrams and clearer explanations of the problem to better understand the setup.
  • Concerns are raised about the proper operation of the optoisolator, including the implications of current transfer ratio (CTR) and the potential need for feedback mechanisms.
  • Another participant questions the consistency of the 360V input, asking for clarification on whether it is fixed or variable.
  • One participant discusses using the UCC28950 in conjunction with the optoisolator, referencing application notes and seeking advice on component selection.
  • Participants share insights on circuit design, including the use of zener diodes and gain stages to stabilize voltage outputs.
  • One participant describes their calculations for expected output voltage and expresses confusion over discrepancies in actual measurements.
  • Another participant shares their troubleshooting experience, noting issues with current transfer and adjustments made to the circuit that resolved the problem.
  • A participant comments on the general operation of the transistor within the optoisolator, suggesting it can function similarly to a standard BJT.

Areas of Agreement / Disagreement

Participants express varying levels of understanding regarding the operation of the optoisolator and the specifics of the circuit design. There is no consensus on the best approach to achieve the desired functionality, and multiple competing views on circuit design and troubleshooting remain present.

Contextual Notes

Participants mention limitations related to the CTR of the optoisolator, the need for feedback in circuit design, and the importance of resistor values in maintaining linear operation. Some assumptions about the circuit's behavior and component interactions are not fully resolved.

Dextrine
Messages
102
Reaction score
7
Hello everyone,

I am in need of some help operating the following component:
http://www.vishay.com/docs/83615/il211at.pdf

The 360V and 5V inputs are fixed, as well as the need for 2.5V at the indicated location.

The trouble I'm having is really understanding how the chip works as well as how to have it operating in, I believe it's called, linear mode?

Essentially, I want the 2.5V to change as a function of the 360V changing as well.My current understanding is that the current going through the diode is halved (because of the CTR) and then that current is represented by the transistor behaving as a sort of resistor, which causes a sort of voltage divider behavior. Thanks for any help!
 
Engineering news on Phys.org
I don't really understand what you are trying to do .

Please post a circuit diagram and explain your problem a bit more clearly .
 
Nidum said:
I don't really understand what you are trying to do .

Please post your circuit diagram and explain your problem a bit more clearly .l
Oh, I'm sorry. I thought i had posted it:

opto.png
opto.png
 
That's not really the proper way to operate that type of device. The CTR is specified as a minimum and typical value with an unbounded maximum. CTR decreases over time under load.

You can fix this by adding a second isolator as feedback. How much does the input voltage change? What is the impedance of the source?

BoB
 
Dextrine said:
Essentially, I want the 2.5V to change as a function of the 360V changing as well.
You want a circuit where the presence or absence of the 360V on one side causes a voltage on the other side to jump from 2.5V to ...what...?
 
First you stated that the 360V input was fixed, then you stated that it varies. What is the problem you are trying to solve with this circuit?

I should wait for your clarification rather than guess, but does the 360V represent the peak of a 240V ± 6% ac source that you are trying to read safely with an ADC, with the zero point at 2.5V?
 
Thanks for all the responses guys, I'll try to be clearer:

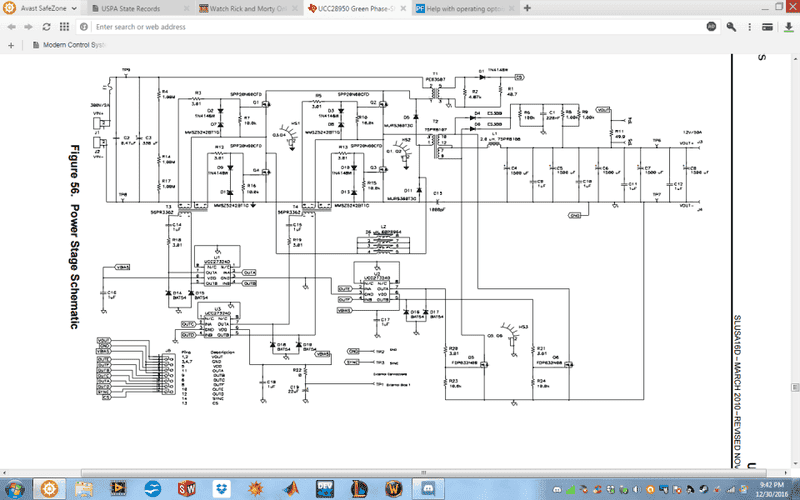
I am using the UCC28950 pretty much exactly how it is outlined in their application note. The only differences are that the output will be 360V DC and the regulation mechanism I plan to employ has optoisolation between the control stage and the power stage. So the signal going into the EA- pin will come from the optocoupler in a common-emitter configuration. (basically the last picture i posted will be how I isolate the power stage and control stage from one another)

Here is the datasheet for the UCC28950. Luckily, there is an excel sheet that they link to which I am using to select components (along with double checking to make sure it follows with their math on the datasheet).

http://www.ti.com/lit/ds/symlink/ucc28950.pdfSo, in short, my question could most clearly be:

How can I best operate the optocoupler in linear mode so as to allow optically isolated regulation.

I have attached the screenshot of the powerstage schematic as presented in the datasheet.
 

Attachments

  • pwrstage.png
    pwrstage.png
    42.8 KB · Views: 615
https://www.eeweb.com/company-blog/power_integrations/20-w-standby-power-supply-reference-design

This is the common way. U2 sets the voltage. The switching controller can sense if the voltage is at the correct voltage. There is a small linear region around the set voltage. This allows the design to be relatively immune to difference in the CTR of the opto. U2 has a gain stage included to further stabilize the setpoint. This design can be modified to allow use of a plain zener diode in place of U2 but with less accuracy.

BoB
 
  • Like
Likes   Reactions: Dextrine
Thanks for the reply rbelli1, I guess what I'm really getting it is, how do you choose resistor values so that the optocoupler operates in the linear region, perhaps some document that contains a crash course on operating optocouplers in the linear region or an explanation of it? The topology makes sense, but it's just the specifics of ensuring that the device will stay operating in linear mode.
 
  • #10
See the datasheet for the Tinyswitch-4. An example included is the zener only design.

BoB
 
  • Like
Likes   Reactions: Dextrine
  • #11
Hmmm, so I've read through the application notes for the optocoupler and I came up with the following circuit which according to my math, should give me Vo=2.624V for the following reasons:
CTR = 1.1 @ 5mA
Vce (sat) = 0.4V

So in my circuit:
I_f=5mA
I_emitter = 5.5mA
I_emitter*432 = 2.376V
V_o = V_CE = 5-2.376=2.624

However, when I actually build this, I get Vo = 4.9, basically 5 almost as if there is no current transferred at all
opto.png
.

Can someone let me know if my understanding of how optocouplers work is off or my analysis on this circuit?
 
  • #12
Also, even taking into consideration the 1.3 forward voltage and assuming CTR=.5, I remade the circuit with the input resistor now 430 so that If = 0.01157, I_emitter = .005785 and I still get Vo=5 instead of the calculated 2.49.
 
  • #13
Also, the device is actually this one: http://datasheet.octopart.com/MOC212R1M-Fairchild-datasheet-1287.pdf

I tried hooking up the input side to a constant current source but no matter how high i put it (up to about 100mA), no current was transferred to the other side. I even got a new optocoupler and still have the same problem... I'll keep trying stuff and posting anything here in case anyone else ever has the same problem.
 
  • #14
I figured out the issue, I had tied the base and emitter to ground (as per an older schematic), however, upon more reading, I discovered that there should be some resistance (or capacitance) between base and ground. This fixed my problem. Thank you to everyone who helped.
 
  • #15
The transistor in there is essentially just the same as any other BJT. It is just optimized to be light sensitive. You could ignore the LED part and use it like any other BJT.

You could saw the top off of most other BJT's and aim a light at them to make an opto-isolator. The usable wavelengths are unknown and the CTR is going to be poor but it will work.

BoB
 
  • Like
Likes   Reactions: Dextrine

Similar threads

Replies
68
Views
7K
  • · Replies 13 ·
Replies
13
Views
3K
  • · Replies 49 ·
2
Replies
49
Views
7K
  • · Replies 2 ·
Replies
2
Views
2K
  • · Replies 6 ·
Replies
6
Views
2K
  • · Replies 7 ·
Replies
7
Views
2K
  • · Replies 3 ·
Replies
3
Views
3K
  • · Replies 9 ·
Replies
9
Views
9K
  • · Replies 7 ·
Replies
7
Views
6K
  • · Replies 33 ·
2
Replies
33
Views
13K