How does an open collector work?

  • Thread starter Thread starter nothing909
  • Start date Start date
  • Tags Tags
    Collector Work
Click For Summary

Discussion Overview

The discussion revolves around the functioning of an open collector configuration, particularly in the context of the SN7407 integrated circuit. Participants explore the roles of the NOT gate and the transistor, examining how they interact to control a load based on logic inputs. The conversation includes technical explanations and clarifications regarding the operation and design of the circuit.

Discussion Character

  • Technical explanation
  • Conceptual clarification
  • Debate/contested

Main Points Raised

  • Some participants express confusion about how the open collector works, particularly whether the load operates when the transistor is turned on.
  • One participant describes the configuration as effectively two inverters, suggesting that they cancel each other out, while others question this characterization.
  • A participant explains that the NOT gate is necessary for providing isolation and ensuring a healthy binary signal to the open collector stage, preventing it from operating in a linear region.
  • Another participant notes that the transistor acts as an inverter, allowing current to flow through the load when it is turned on, which could operate devices like lamps.
  • Concerns are raised about the schematic representation of the input and the need for a reverse-biased diode, indicating potential inaccuracies in the provided diagrams.

Areas of Agreement / Disagreement

Participants exhibit some agreement on the basic function of the open collector and the role of the NOT gate, but there is disagreement regarding the characterization of the circuit as having two inverters and the necessity of the additional inverter. The discussion remains unresolved on these points.

Contextual Notes

There are limitations in the discussion regarding the clarity of the schematic representations and the assumptions made about the operation of the open collector configuration. Some participants express uncertainty about the implications of the circuit design on performance.

nothing909
Messages
168
Reaction score
4
I'm slightly confused as to how an open collector works.

When a logic low input, the NOT gate is high, turning on the transistor and allows the current to flow from collector, through the load to the emitter, which is connected to ground. In this condition, does the load operate?

When a logic low high input, the NOT gate is low, turning off the transistor. So in this condition, the load doesn't operate?

What is the need for the NOT gate?

 

Attachments

  • IMG_0992.JPG
    IMG_0992.JPG
    49.2 KB · Views: 543
Engineering news on Phys.org
This is effectively two inverters, one driving the other inside the integrated circuit. So, the effect is that, logically, they cancel each other.

However, the benefit of using the IC is that a very small amount of power at the input of the IC is used to control a much larger power in the load.
 
How is there two inverters, it's only one. Maybe it's the way I've drawn it.

6794892030_0b1f2919bf.jpg


Here’s a simplified model of what is inside each buffer channel.

The buffer input goes into a logical NOT gate. The output of that NOT gate goes to the base of an NPN bipolar transistor. The emitter of the transistor is connected to ground and the collector of the transistor is connected to the output. This is the “open collector.”

When a logical input to the SN7407N is low, the output of the NOT gate is high, so the base of the transistor is held at a voltage above the emitter. This “turns on” the transistor, which means that if there is any voltage (above about 1.5 V) connected to the collector– that is, connected to the output of the SN7407N channel –current will flow from the collector, through the transistor to ground.

When a logical input to the SN7407N is high, the output of the NOT gate is low, so the base of the transistor is held low, at the same voltage as the emitter. The transistor is off, and does not conduct current. That is to say, no current flows to or from the output. It’s as though the output is simply not connected to anything.

That in bold is copied from a webpage, but I'm having trouble understanding how it works.

When there's a logic low, the output of the NOT gate is high, so the transistor is turned on and current will flow from the collector through the transistor to ground. In this condition, will the load operate or not?

I don't understand why there is a NOT gate, can you explain?
 
Last edited by a moderator:
Yes, the open collector transistor is also an inverter.

A voltage on its base great enough to turn the transistor on will cause the output voltage to drop as the collector conducts current.

So, the transistor acts as an inverter. Current flows through the load causing it to operate. If it is a lamp, this may be enough current to make the lamp filament glow, for example.

The input to the NOT gate may be less than a milliamp, while the current in the load may be many mA. So less power is drawn from whatever is driving the IC than if it tried to drive the load on its own.
 
Okay, the transistor is also an inverter. What is the need for the other inverter?
 
The first stage gives isolation. It provides gain, and squares-up the input so that the O/C stage is driven by a healthy binary signal. Otherwise, with poor quality input the O/C stage could easily be only half turned on and operating in its linear region.
 
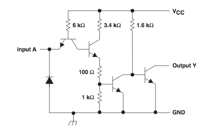
Here is a schematic of one of the gates in a 7407:
7407circuit.GIF

The input transistor (and the next) is there to present a standard TTL load to the other IC's. The two output transistors are there to fulfill the specifications for the 7407.

Comment: The 7407 is really old technology, it burns a lot of power in order to do a simple thing.
 
Svein said:
The input transistor
It's strange to have the input shown internally solidly grounded.
 
  • Like
Likes   Reactions: Averagesupernova
NascentOxygen said:
It's strange to have the input shown internally solidly grounded.
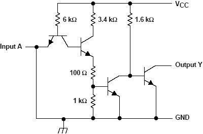
Agree. I picked the schematic from the website of one of the original suppliers. There should be a reverse-biased diode from the input to ground. Here is the correct schematic:
YOW1R.png
 
  • Like
Likes   Reactions: NascentOxygen

Similar threads

Replies
80
Views
5K
  • · Replies 10 ·
Replies
10
Views
3K
Replies
10
Views
2K
  • · Replies 15 ·
Replies
15
Views
7K
  • · Replies 5 ·
Replies
5
Views
4K
  • · Replies 5 ·
Replies
5
Views
2K
  • · Replies 3 ·
Replies
3
Views
2K
  • · Replies 34 ·
2
Replies
34
Views
3K
  • · Replies 15 ·
Replies
15
Views
8K
  • · Replies 5 ·
Replies
5
Views
4K