How Does Changing Capacitor Value Affect OPAMP Output Voltage?

Click For Summary

Discussion Overview

The discussion revolves around the effects of changing capacitor values in an operational amplifier (OPAMP) circuit on the output voltage. Participants explore the behavior of the circuit under different conditions, specifically comparing the output voltages when the capacitor value is altered from 200nF to 33nF. The focus includes theoretical analysis and circuit behavior in response to both DC and time-dependent pulse waveforms.

Discussion Character

  • Technical explanation
  • Conceptual clarification
  • Debate/contested

Main Points Raised

  • One participant describes using the superposition method to analyze the circuit, noting the output voltage behavior for both positive and negative input voltages.
  • Another participant emphasizes the need for a feedback resistor to prevent saturation in practical circuits, although they acknowledge that this is not necessary for an ideal OPAMP.
  • A third participant identifies the circuit as an integrator, explaining that the output for a pulse waveform will produce a triangular wave, while a DC input results in a straight line with a negative slope. They suggest that the clipping observed in the second output waveform occurs due to the output going below the lower threshold of the OPAMP, leading to saturation.

Areas of Agreement / Disagreement

Participants express differing views on the necessity of feedback resistors in the context of ideal versus real OPAMP circuits. There is also a lack of consensus on the interpretation of the output waveforms and the implications of capacitor value changes, as some participants provide clarifications while others raise questions.

Contextual Notes

Some assumptions about the circuit configuration and the nature of the input signals are not fully described, which may affect the analysis. The discussion also lacks detailed mathematical steps following the initial calculations provided by the first participant.

etf
Messages
179
Reaction score
2
Warning! Posting template must be used for homework questions.
Hi!
Here is my task:

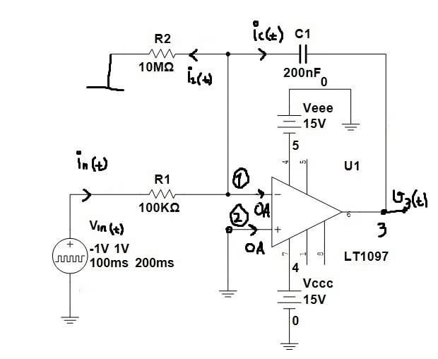
OPAMP circuit and output voltag are shown in image below. Assuming that OPAMP is ideal, come up with a solution by hand.

View attachment 73553

Then change capacitor's value from 200nF to 33nF and output voltage will be:

View attachment 73554

Explain why output voltages are different ( first has triangle shape and gradually decreases and second has cut off bottom and doesn't decrease).

Here is what I have done:
Since there are two sources, one DC and one time dependent pulse waveform, I used superposition method. When time dependent source is active, our circuit is:
View attachment 73555
[tex]v2(t)=0\rightarrow v1(t)=0[/tex]

[tex]i2(t)=0\rightarrow iin(t)=ic(t)[/tex]

[tex]iin(t)=\frac{vin(t)}{R1}[/tex]

[tex]v3(t)+\frac{1}{C}\int ic(t)dt+R1iin(t)-vin(t)=0[/tex]

For positive input voltage [tex]vin(t)=1V[/tex] we have:

[tex]v3(t)=-\frac{1}{RC1}\int vin(t)dt=-50\int 1dt=-50t,\,\, 0\leq t\leq 100*10^{-3}s[/tex]

For negative input voltage [tex]vin(t)=-1V[/tex] we have:
[tex]v3(t)=-\frac{1}{RC1}\int vin(t)dt=-50\int (-1)dt=50t,\,\,100*10^{-3}s\leq t\leq 200*10^{-3}s[/tex]
But I don't know what to do next :(
 
Physics news on Phys.org
1. you need a feedback resistor to keep from saturation if you're looking at a simulation or a real circuit. With an ideal op amp that's not necessary.
2. you have not described the inpt in words. I'm not familiar with LTSpice.
 
  • Like
Likes   Reactions: etf
The circuit you have is an integrator.The output for pulse waveform will be triangular wave and the output for the dc signal will be a straight line with a negative slope. When you add the equation of both of your output for ac and dc inputs you will have waveform as given in first figure. Second figure that you have shown has clipping of waveform at the bottom that is since the output waveform has gone below the lower threshold of OP-AMP and thus into saturation (-Vee).
I hope this would help.
 
  • Like
Likes   Reactions: etf
Solved it :)
 

Similar threads

  • · Replies 12 ·
Replies
12
Views
3K
  • · Replies 9 ·
Replies
9
Views
2K
Replies
15
Views
3K
Replies
0
Views
2K
  • · Replies 28 ·
Replies
28
Views
4K
  • · Replies 1 ·
Replies
1
Views
2K
  • · Replies 5 ·
Replies
5
Views
4K
  • · Replies 5 ·
Replies
5
Views
3K
Replies
7
Views
2K
  • · Replies 11 ·
Replies
11
Views
5K