barakudaxxl
- 3
- 0
Homework Statement
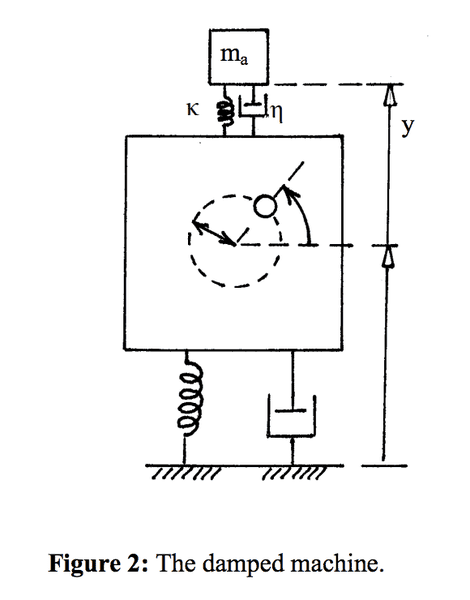
I have a project in university that's about creating a simplified model of a washing machine in the program ADAMs View. Here is a picture of how it's constructed: https://imgur.com/a/zZzS5
So basically to oversimplify the problem I've understood that the rotating mass will cause a force on the machine resulting in a damped driven harmonic oscillation. If we take a look at the bottom of the machine there is damper and a spring. The damper constant and the spring constant are both fixed values given to us. (spring constant k = 9,35*106 N/m and damping constant c = 3000 Ns/m): We are also given the mass of the machine mh, mass of rotor mr and the velocity of rotor ω.
The problem to solve is to design the upper part (the second spring and damper) of the machine to minimize the amplitude of the machine's oscillation. We have three parameters that we have to vary. K being the spring constant, n being the damping constant and being the mass (where ma≤10 kg)
Using ADAMS and running simulations when I vary one factor at a time I have come to the conclusion that ma being as high as possible (10 kg), n being as low as possible (=0) and K being around 106 N/m will result in a small amplitude.
Homework Equations
I have derived the equation of motion for the washing machine and the damper and spring on the bottom from the free body diagram of the machine, not taking into consideration the upper damper and spring because this was the first part of the project.
[tex]x''+2ξω_{n}x' + ω_{n}x = \frac{F_{0}}{m}sin(ωt+φ_{0}) + \frac{kx_{0}}{m}[/tex] where [tex]2ξω_{n}=\frac{c}{m}, ω_{n}^2=\frac{k}{m}, F_{0}=m_{r}eω^2, m=m_{h}+m_{r}[/tex]
(I'm from Sweden so if these formulas doesn't look exactly the same in your country then I think that's the reason.)
The Attempt at a Solution
Aside from the conclusions above I have to derive a strategy for this optimal design (minimize the amplitude), explaining what's happening using formulas. To minimize this amplitude I think I need to explain what's happening with the superposition principle. There must be destructive interference but my problem is between what parts of this system. The upper part really complicates things for me and this is the part where I would like some help.
I'm very grateful for every tip! Thanks.

, the one from the first part