HR neuron model using analog computer technique

Click For Summary

Discussion Overview

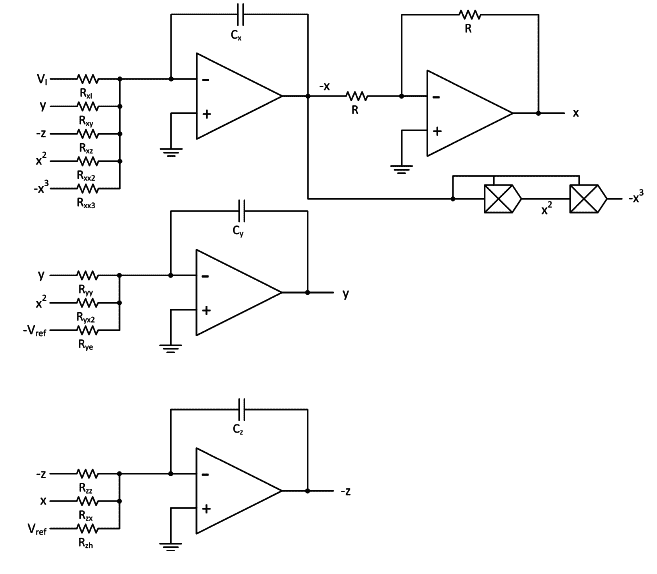
The discussion revolves around simulating the HR neuron model using analog computer techniques, specifically with HSPICE. Participants are addressing issues related to obtaining the expected response from the simulation, focusing on the components used, particularly the uA741 op-amp and MLT04 multiplier.

Discussion Character

  • Technical explanation
  • Debate/contested

Main Points Raised

  • One participant reports difficulties in achieving the required response from the HR neuron model simulation, suspecting issues with DC level adjustments.
  • Another participant asks for clarification on the actual response being received versus the expected response.
  • There is a suggestion to use a more modern op-amp instead of the uA741, which is considered obsolete, as small offsets could accumulate and affect performance.
  • A later reply proposes the TL081 as a potential modern op-amp alternative and raises concerns about the stability of the circuit, suggesting that it might be oscillating or latching.
  • Concerns are expressed regarding the high-frequency response of the multiplier and the possibility of noise or oscillation in the SPICE simulation.

Areas of Agreement / Disagreement

Participants express differing views on the choice of op-amp and its impact on the simulation results. There is no consensus on the specific cause of the issues being faced, and multiple potential explanations are offered.

Contextual Notes

Participants mention the potential for instability in the circuit and the importance of offset adjustments, but these aspects remain unresolved in the context of the discussion.

Who May Find This Useful

Individuals interested in analog computer techniques, neural modeling, and simulation using HSPICE may find this discussion relevant.

zulqar
Messages
2
Reaction score
0
Circuit.png
CalcNew.png
Hi Everyone,

I am simulating(using HSPICE) HR neuron model using analog computer technique but I am not getting the required response.
I am using uA741 model of opamp and MLT04 model of multiplier. I have tested these components individually and they are working fine. I doubt there is something wrong in adjustment of DC levels.
If anyone can figure out what might be the problem , I will be extremely thankful.
 

Attachments

Last edited:
What response are you getting and what did you expect?
 
zulqar said:
View attachment 83872 View attachment 83873 Hi Everyone,

I am simulating(using HSPICE) HR neuron model using analog computer technique but I am not getting the required response.
I am using uA741 model of opamp and MLT04 model of multiplier. I have tested these components individually and they are working fine. I doubt there is something wrong in adjustment of DC levels.
If anyone can figure out what might be the problem , I will be extremely thankful.
Why don't you choose a more modern op-amp which has more perfect performance? The 741 is very obsolete. Small offsets etc can add up in a circuit like this.
 
tech99 said:
Why don't you choose a more modern op-amp which has more perfect performance? The 741 is very obsolete. Small offsets etc can add up in a circuit like this.
Thanks tech99 for the response.
Could you please let me know any modern opamp which I can use.
 
zulqar said:
Thanks tech99 for the response.
Could you please let me know any modern opamp which I can use.
TL081 is possible. Most Op Amps have an offset adjustment, and I don't know if SPICE simulates this - maybe you have overlooked it if so.
One possibility with the circuit is that it is unstable and either oscillating, maybe at high frequency, or latching one way or the other. I think in hardware we would try breaking the signal path somewhere to see if it stabilises. I don't know the multiplier but I notice there is nothing to limit its high frequency response, so maybe SPICE will create noise or oscillation.
 

Similar threads

  • · Replies 130 ·
5
Replies
130
Views
13K
Replies
1
Views
3K
Replies
9
Views
3K
  • · Replies 12 ·
Replies
12
Views
2K
  • · Replies 28 ·
Replies
28
Views
4K
  • · Replies 2 ·
Replies
2
Views
3K
Replies
2
Views
2K
  • · Replies 2 ·
Replies
2
Views
5K
Replies
4
Views
4K
  • · Replies 11 ·
Replies
11
Views
7K