Input and Output Impedance of circuit

Click For Summary

Discussion Overview

The discussion revolves around the input and output impedance of a circuit involving multiple transistors, specifically focusing on the small signal model and how different amplifier stages interact with each other. Participants explore the implications of loading effects between stages and the calculations involved in determining impedances.

Discussion Character

  • Exploratory
  • Technical explanation
  • Debate/contested
  • Mathematical reasoning

Main Points Raised

  • One participant expresses confusion about rewriting a circuit with three transistors into a small signal model.
  • Another participant questions whether the output impedance of the first amplifier stage is affected by the input impedance of the second stage.
  • Some participants suggest that the input impedance of the second stage loads the output drive of the first stage, but this does not change the output impedance of the first stage.
  • There is a discussion about the implications of the FET's infinite input impedance on the current flow from the first amplifier.
  • A participant provides a detailed explanation of how to analyze the input and output impedances, mentioning specific resistor values and configurations.
  • Another participant confirms the correctness of expressions related to voltage calculations between the two amplifiers.

Areas of Agreement / Disagreement

Participants express differing views on how the input and output impedances interact, with some suggesting that loading effects do not alter the output impedance while others explore the implications of these interactions. The discussion remains unresolved regarding the specific effects of one amplifier stage on another.

Contextual Notes

Participants reference specific circuit analysis techniques and models, indicating that assumptions about transistor input and output impedances may vary. There is mention of the complexity introduced by DC biasing and the use of interstage isolation capacitors.

Who May Find This Useful

This discussion may be useful for individuals studying circuit design, particularly those interested in small signal analysis and the interactions between multiple amplifier stages in transistor circuits.

David331
Messages
31
Reaction score
1
Homework Statement
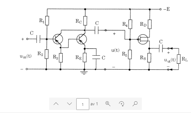
Determine the outimpedance of the first amplifier stage and the inimpedance of the second amplifier stage.
Relevant Equations
KCL, KVL, ohms law etc
Hi, I have a circuit with 3 transistors I want to rewrite to a small signal model. When multiple transistors are in the circuit I get confused how to do it. This is the signal model and small signal model I have. Is it wrong?
 

Attachments

  • 2021-12-07 (11).png
    2021-12-07 (11).png
    10.4 KB · Views: 190
  • ellära 5.2.jpg
    ellära 5.2.jpg
    75.7 KB · Views: 241
Physics news on Phys.org
Two similar threads merged into one
Hi, I have a question regarding a transistorscircuit. I have drawn the small signal model of the circuit in the first picture, with capacitors replaced with short-circuit and grounded "-E". Furthermore, this simplified small signal model, with 1/g0, h22, h12 neglected. So, for this circuit is the outimpedance of amplifier stage 1, Zout1, Rc and the inimpedance for the second amplifier stage, Zin2, R4//R5? Or does for example the second amplifier stage somehow affect Zout1?
2021-12-07 (11).png

ellära 5.3.jpg
 
Of course, but I cannot find the particular thing I search for: how amplifier 1 affects Zin2 and vice versa. Because if I for example only had the second amplifier I know that the inimpedance is R4//R5...
 
David331 said:
Or does for example the second amplifier stage somehow affect Zout1?
In this case, I think it's better to think of it as the input impedance of the 2nd stage loads the output drive of the first stage.
 
  • Like
Likes   Reactions: Tom.G
berkeman said:
In this case, I think it's better to think of it as the input impedance of the 2nd stage loads the output drive of the first stage.
Oh, so Zin2=Rload for amplifier 1? Because in my notes I have that Rload does not affect the outputimpedance. When you decide Zout you remove Rload. This is how my examiner said. Have I understood it wrong or?
 
The input impedance of the second amplifier loads the output impedance of the first amplifier, but that effect does not change Zout1. What it does affect is the impedance at the node which is the connection of the collector of the bipolar transistor and the gate of the FET. If you're still having trouble understanding something, please explain in detail.
 
Thanks for clarifying. I only have one more question. This is atleast how I have understood it, correct me if I am wrong.

When I calculated U between amplifier 1 and 2 I had the input impedance from amplifier 2 in my calculations. The inimpedance of the FET is infinity (given in the assignment), therefore no current from amplifier 1 flows through the FET transistor. If I call the current through U Ic, then U=-Ic*(Rc//R4//R5) and Ic is the collector current from both BJT-transistors.

Furthermore, U is also (by using KVL): U=Ugs+gmUgs(R3//RL).
 
I believe you are in Sweden, so U is a voltage; is this so? If U is the voltage at the node which is connected to the collector of the BJT and the gate of the FET, then what current are you referring to when you say "the current through U"? It would be helpful if you posted a schematic with the nodes labeled and currents shown as arrows where they flow.

So, I don't see a question in your last post. What is your question?
 
  • #10
Yes, U is a voltage. I was referring to the scheamtic above, but I can show an updated one, I should have been more clear (in red the currents are IB1, IB2, IC). Furthermore, I can show you what current I have calculated so you know what I mean. My question was if my reasoning in the message prior was correct.
ellära 5.5.jpg

ellära 5.6a.jpg
 
  • #11
Your two expressions for U in post #8 are correct.
 
  • #12
Oh okay, then I know I have thought a bit correct. Thanks for the help, I really appreciate it.
 
  • Like
Likes   Reactions: berkeman
  • #13
David331 said:
Of course, but I cannot find the particular thing I search for: how amplifier 1 affects Zin2 and vice versa. Because if I for example only had the second amplifier I know that the inimpedance is R4//R5...

It affects it by simply circuit analysis.

The hard part is knowing what the transistor "input impedance" is. Typically there are memorized once you learn them - for a bipolar base input from a Hybrid pi model it's Rb + (Rpi + Re) * (Beta + 1). A common range of values is 1K-10K in practice: Rb is typically 10 ohms and Rpi typically 100-500 ohms and Re is a few ohms. Assuming a beta of 100, and you get 1K-10K roughly.

This become a "load resistance" of the rest of the input circuit which is all just Freshman circuit analysis then.

The same can be done for the output impedance. The output of a bipolar collector is dominated by Ro which is usually 100K-10M. This is then a "source Norton resistance" for the rest of the output circuit. Say you have a 50 ohm out in "parallel" with this out: well, 50 will dominate that exactly as desired. It's only a complication if your load impedance is with 10x of Ro and then you have to resort to analysis in more detail.

This same analysis can be used for how Stage 1 affects Stage 2 - you have a Norton with some high resistance connected with the input load/impedance of the next stage. Because Ro is generally larger than the input impedance, you have the luxury plenty of control by passives between the stages.

The painful part is DC biasing (all of the above is small signal AC). That's when you end up with interstage isolation capacitors. But at an IC level, that's not an option so you tend to do an explicit analysis of the interstage impedance matching without them combined with assuring DC bias all in the same analysis. This you'll do by hand but finish up with SPICE.
 

Similar threads

  • · Replies 17 ·
Replies
17
Views
4K
  • · Replies 6 ·
Replies
6
Views
3K
  • · Replies 13 ·
Replies
13
Views
3K
  • · Replies 2 ·
Replies
2
Views
3K
  • · Replies 5 ·
Replies
5
Views
3K
  • · Replies 4 ·
Replies
4
Views
3K
  • · Replies 1 ·
Replies
1
Views
2K
Replies
4
Views
2K
  • · Replies 12 ·
Replies
12
Views
3K