Kirchoff's Equation w/ 2 Batteries and 4 resistors

Click For Summary

Homework Help Overview

The discussion revolves around a circuit problem involving two batteries and four resistors, where participants are attempting to determine the currents flowing through specific resistors using Kirchhoff's laws.

Discussion Character

  • Mixed

Approaches and Questions Raised

  • Participants explore the application of Kirchhoff's voltage law and junction rule to set up equations for the circuit. There are attempts to derive relationships between the currents and to express them in terms of each other.

Discussion Status

Some participants have provided guidance on the need for additional equations and the relationships between the currents. There is ongoing exploration of how to correctly apply the junction equation in conjunction with the loop equations. Multiple interpretations of the circuit's behavior are being discussed.

Contextual Notes

Participants note the challenge of using the junction equations alongside the loop equations, indicating potential inconsistencies in their setups. There is mention of the need to clarify the direction of current flow in the equations.

wizzleman
Messages
5
Reaction score
0

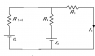
Homework Statement



The circuit in the figure is composed of two batteries (ε1 = 9.0 V and ε2 = 5.0 V) and four resistors (R1 = 110.0 Ω, R2 = 40.0 Ω, R3 = 30.0 Ω, and R4 = 50.0 Ω) as shown.

1). What is the current I1 which flows through R1?

2). What is the current I3 which flows through R3?

vgW4K.gif

Homework Equations



I used

ε1-R1I1+I2R2-R4I1-ε2=0

and

ε1-R1I1-R3I3-R4I1=0

The Attempt at a Solution



I've tried plugging in variables and attempting to solve for I3 but it's not the correct answer.
 
Physics news on Phys.org
wizzleman said:

Homework Statement



The circuit in the figure is composed of two batteries (ε1 = 9.0 V and ε2 = 5.0 V) and four resistors (R1 = 110.0 Ω, R2 = 40.0 Ω, R3 = 30.0 Ω, and R4 = 50.0 Ω) as shown.

1). What is the current I1 which flows through R1?

2). What is the current I3 which flows through R3?

vgW4K.gif

Homework Equations



I used

ε1-R1I1+I2R2-R4I1-ε2=0

and

ε1-R1I1-R3I3-R4I1=0

The Attempt at a Solution



I've tried plugging in variables and attempting to solve for I3 but it's not the correct answer.
Hello wizzleman. Welcome to PF !

What you have looks correct.

You need another equation --- or a method to avoid using I2.

How is I2 related to I1 and I3 ?
 
SammyS said:
Hello wizzleman. Welcome to PF !

What you have looks correct.

You need another equation --- or a method to avoid using I2.

How is I2 related to I1 and I3 ?

For the junction equation is I1= I2+I3 ?
 
wizzleman said:
For the junction equation is I1= I2+I3 ?
To make your equation, ε1-R1I1+I2R2-R4I1-ε2=0, correct, you need I1 + I2 = I3 .
 
SammyS said:
To make your equation, ε1-R1I1+I2R2-R4I1-ε2=0, correct, you need I1 + I2 = I3 .

Thanks for all the help so far, but I still can't get the answer.

I decided to make three loops

Left loop was ε1-R1I1+R2I22-R4I1=0

Right loop was ε2-R2I2-R3I3=0

And the whole loop was ε1-R1I1-R3I3-R4I1=0

Junction was I1=I2+I3

Solving through and using elimination I got up to 8V-320I1+80I2=0

How am I supposed to use the junction equations in here?
 
wizzleman said:
Thanks for all the help so far, but I still can't get the answer.

I decided to make three loops

Left loop was ε1-R1I1+R2I22-R4I1=0

Right loop was ε2-R2I2-R3I3=0

And the whole loop was ε1-R1I1-R3I3-R4I1=0

Junction was I1=I2+I3

Solving through and using elimination I got up to 8V-320I1+80I2=0

How am I supposed to use the junction equations in here?
Two loop equations plus the junction equation give three equations in three unknowns. That is enough to solve for the three unknowns. The addition loop equation is not independent of the other two.

Your junction equation is inconsistent with your Left Loop & Right Loop equations. Both loop equations are consistent with I2 flowing in the upward direction. That implies that I[1/SUB] + I2 = I3, as I said in post #4.

Solve that for I2: I2 = I3 - I1 .

Plug that into the equation for the right loop.

ε2 - R2(I3 - I1) - R3I3=0

This can be written:
ε2 + R2I1 - (R2+R3)I3 = 0

Use that with the "whole loop" equation:
ε1 - (R1 + R4)I1 - R3I3 = 0
 
Last edited:
The circuit is equivalent to this one. You can apply KCL to the bottom node to get an equation for the voltage across R3. Call that VR3

I3 + I2 + I1 = 0

VR3/R3 + (VR32)/R2 + (VR31)/R1+4 = 0

Solve for VR3

It's then easy to calculate all three currents.

Edite to make it clearer.
 

Attachments

  • vgW4K.png
    vgW4K.png
    1.3 KB · Views: 763
Thanks for all the help guys, I figured out the answers for I1 and I3.
 

Similar threads

  • · Replies 1 ·
Replies
1
Views
2K
  • · Replies 2 ·
Replies
2
Views
2K
  • · Replies 9 ·
Replies
9
Views
4K
Replies
5
Views
3K
  • · Replies 1 ·
Replies
1
Views
4K
Replies
22
Views
4K
  • · Replies 7 ·
Replies
7
Views
4K
  • · Replies 1 ·
Replies
1
Views
3K
  • · Replies 6 ·
Replies
6
Views
18K
  • · Replies 5 ·
Replies
5
Views
5K