Mesh Analysis w/ Supermesh and "different" current direction

Click For Summary

Discussion Overview

The discussion revolves around using mesh analysis to find the power absorbed by a resistor, capacitor, and inductor in a circuit. Participants explore the assignment of mesh currents, the implications of current direction, and the calculation of complex power in both AC and DC contexts.

Discussion Character

  • Homework-related
  • Technical explanation
  • Mathematical reasoning
  • Debate/contested

Main Points Raised

  • Some participants question how to assign mesh currents when they are in different directions.
  • There is a discussion about the necessity of AC sources for calculating complex power, with some noting that the phase angles of the sources were initially omitted.
  • Participants clarify that mesh currents can be assigned in any direction, provided the equations reflect those definitions.
  • There is a proposal to calculate power absorbed by components using the formula P = (I)(Z)(I*), with discussions on using complex conjugates for AC calculations.
  • Some participants express skepticism about the calculated powers for the resistor, capacitor, and inductor, particularly regarding the resistor's power being complex.
  • Participants discuss the interpretation of voltage across components and the importance of establishing reference points in circuit diagrams.
  • After corrections, new values for power absorbed by the components are presented, indicating a shift towards more accurate calculations.

Areas of Agreement / Disagreement

There is no clear consensus on the correctness of the initial power calculations, with some participants expressing doubts about the results for the resistor and the interpretation of complex power. The discussion remains unresolved regarding the proper approach to display and interpret the calculated values.

Contextual Notes

Participants highlight the need for careful interpretation of voltage and power calculations, particularly in distinguishing between real and reactive power. There are unresolved assumptions regarding the circuit configuration and the nature of the sources.

Who May Find This Useful

This discussion may be useful for students and practitioners interested in circuit analysis, particularly those learning about mesh analysis and complex power calculations in AC and DC circuits.

eehelp150
Messages
235
Reaction score
0

Homework Statement


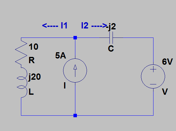
Find power absorbed by resistor, capacitor and inductor. Find the total complex power absorbed by all the loads.[/B]
upload_2016-10-24_22-12-11.png


Homework Equations


KVL/KCL

The Attempt at a Solution


I want to solve this using Mesh analysis. There is a supermesh where the 5A source is, so I start it like this:
upload_2016-10-24_22-13-33.png


How do I assign the mesh currents? I1 and I2 are going in different directions.
 
Physics news on Phys.org
eehelp150 said:

Homework Statement


Find power absorbed by resistor, capacitor and inductor. Find the total complex power absorbed by all the loads.[/B]
View attachment 107963

Homework Equations


KVL/KCL

The Attempt at a Solution


I want to solve this using Mesh analysis. There is a supermesh where the 5A source is, so I start it like this:
View attachment 107964

How do I assign the mesh currents? I1 and I2 are going in different directions.
You have been given reactances of the reactive elements while the sources seem to be dc. If you want to calculate the complex power, the sources must be ac. Is that the complete circuit diagram you have? Aren't the phase angles of the sources mentioned?
 
cnh1995 said:
You have been given reactances of the reactive elements while the sources seem to be dc. If you want to calculate the complex power, the sources must be ac. Is that the complete circuit diagram you have? Aren't the phase angles of the sources mentioned?
Sorry about that, the phase angles are 0 degrees.
 
eehelp150 said:
How do I assign the mesh currents? I1 and I2 are going in different directions.

You can assign mesh currents in any direction you like so long as you write the mesh equations according to the resulting definitions. That is, when you write the equations pay attention to the defined current directions. The alternative is to just apply your wrote procedure and then interpret the results in terms of the currents you "really" want. That is, extract your ##I_1## and ##I_2## from the mesh currents after solving for the mesh currents; signs imply directions.
 
gneill said:
You can assign mesh currents in any direction you like so long as you write the mesh equations according to the resulting definitions. That is, when you write the equations pay attention to the defined current directions. The alternative is to just apply your wrote procedure and then interpret the results in terms of the currents you "really" want. That is, extract your ##I_1## and ##I_2## from the mesh currents after solving for the mesh currents; signs imply directions.
-I1(10+j20) + 6V + I2(-j2) = 0
I1 + I2 = 5
Are these correct?
 
Yes, those look good!
 
gneill said:
Yes, those look good!
I1 = (-15-26i)/53
I2 = (280+26i)/53
Correct?
 
Yup.
 
gneill said:
Yup.
Finding the power absorbed by the inductor/resistor/capacitor is simply 6V * I? Where I = I2 for the capacitor and I1 for the resistor and inductor?
 
  • #10
eehelp150 said:
Finding the power absorbed by the inductor/resistor/capacitor is simply 6V * I? Where I = I2 for the capacitor and I1 for the resistor and inductor?
The 6 V voltage source is not across any of the individual components. Use the currents through the components and the component impedances. Remember the DC version P = I2R? There's an AC version of that. Hint: One of the I's in I2 should be the complex conjugate.
 
  • #11
gneill said:
The 6 V voltage source is not across any of the individual components. Use the currents through the components and the component impedances. Remember the DC version P = I2R? There's an AC version of that. Hint: One of the I's in I2 should be the complex conjugate.
So basically (I)(I*)(Z)
 
  • #12
eehelp150 said:
So basically (I)(I*)(Z)
Correct. This works because with a little rearrangement we can see:

P = (I)(Z)(I*) = (V)(I*)
 
  • #13
gneill said:
Correct. This works because with a little rearrangement we can see:

P = (I)(Z)(I*) = (V)(I*)
Capacitor: -j2 * I2 * I2*
Resistor: 10 * I1 * I1*
Inductor: j20 * I1 * I1*

Correct?
Total would be everything added up?
 
  • #14
Yes, that looks fine.
 
  • #15
gneill said:
Yes, that looks fine.
I ended up getting these values, would you mind double checking?
Resistor = -1.61 + 2.8i
Capacitor = 10.37 - 55.3i
Inductor = -5.6 - 3.21i
What is the proper way to display these values? Converting to complex power(S = sqrt(P^2+Q^2))?

Just out of curiosity, would the voltage across resistor be -I1 * 10ohm because of the direction?
 
  • #16
eehelp150 said:
I ended up getting these values, would you mind double checking?
Resistor = -1.61 + 2.8i
Capacitor = 10.37 - 55.3i
Inductor = -5.6 - 3.21i
What is the proper way to display these values? Converting to complex power(S = sqrt(P^2+Q^2))?
Can you show your calculations in detail? I'm immediately suspicious because the power you found for the resistor turned out to be complex; Resistors have no reactance and can only dissipate real power no matter if the current is complex or not. Inductors and capacitors have no resistance and cannot dissipate real power, yet your results show them both dissipating some real power.

For display of complex power in general I'm partial to the rectangular form so that I can immediately see the real and reactive parts. But some prefer to see the magnitude of the apparent power and the power factor. When in doubt provide both.
Just out of curiosity, would the voltage across resistor be -I1 * 10ohm because of the direction?
You need to specify how you will interpret a voltage before you even calculate it. That is, establish a reference point or orientation on your circuit diagram for interpretation of the voltage. Otherwise you can only talk about the magnitude of the potential change. When we write KVL equations, for example, we agree on interpreting the potential change in light of the arbitrarily decided current direction and direction of our "KVL walk" around the loop.
In the figure below, the voltage ##V_R## across the resistor would be positive in one interpretation and negative in the other. Yet it's the same potential drop. It's all in how you define the "measurement" on the circuit diagram.

upload_2016-10-27_8-31-26.png
 
  • #17
gneill said:
Can you show your calculations in detail? I'm immediately suspicious because the power you found for the resistor turned out to be complex; Resistors have no reactance and can only dissipate real power no matter if the current is complex or not. Inductors and capacitors have no resistance and cannot dissipate real power, yet your results show them both dissipating some real power.

For display of complex power in general I'm partial to the rectangular form so that I can immediately see the real and reactive parts. But some prefer to see the magnitude of the apparent power and the power factor. When in doubt provide both.

You need to specify how you will interpret a voltage before you even calculate it. That is, establish a reference point or orientation on your circuit diagram for interpretation of the voltage. Otherwise you can only talk about the magnitude of the potential change. When we write KVL equations, for example, we agree on interpreting the potential change in light of the arbitrarily decided current direction and direction of our "KVL walk" around the loop.
In the figure below, the voltage ##V_R## across the resistor would be positive in one interpretation and negative in the other. Yet it's the same potential drop. It's all in how you define the "measurement" on the circuit diagram.

View attachment 108066
Forgot to use conjugate.
New values:
Resistor: 3.2W
Capacitor: -56.3 VAR
Inductor: 6.4 VAR
 
  • #18
Yes, that's much better! :smile:
 

Similar threads

  • · Replies 7 ·
Replies
7
Views
3K
  • · Replies 6 ·
Replies
6
Views
3K
  • · Replies 3 ·
Replies
3
Views
2K
  • · Replies 13 ·
Replies
13
Views
4K
  • · Replies 4 ·
Replies
4
Views
7K
  • · Replies 1 ·
Replies
1
Views
5K
Replies
2
Views
3K
  • · Replies 7 ·
Replies
7
Views
2K
  • · Replies 1 ·
Replies
1
Views
2K
Replies
18
Views
2K