Parallel RC with current source

Click For Summary

Discussion Overview

The discussion revolves around analyzing a parallel RC circuit with a current source, focusing on Thevenin transformations, capacitor behavior, and voltage calculations over time. Participants explore the implications of circuit configurations before and after a switch operation, as well as the application of the RC time constant in their analysis.

Discussion Character

  • Homework-related
  • Technical explanation
  • Debate/contested
  • Mathematical reasoning

Main Points Raised

  • One participant describes their understanding of the circuit, noting the initial steady-state voltage across the capacitor as 90 V and expressing confusion over a different reading of 30 V from a simulation.
  • Another participant questions the Thevenin equivalent calculations, suggesting that the results may not be correct.
  • A participant explains their Thevenin calculations, detailing the use of an 18 Ω resistor and a 5 A source to arrive at a voltage of 90 V.
  • Concerns are raised about the role of a 9 Ω resistor in the circuit, with suggestions to incorporate it into the Thevenin model for simplification.
  • One participant asserts that with a DC voltage source, the capacitor is shorted, implying that the resistors are in series, while another counters this by discussing the parallel configuration of components.
  • Another participant proposes using a voltage divider to calculate the voltage across the 9 Ω resistor, arriving at a value of 30 V.
  • Participants discuss the RC equation for the circuit after the switch is opened, with one confirming the expression for voltage over time as v(t) = 30e^(-t/0.6).

Areas of Agreement / Disagreement

There is no clear consensus on the correct approach to the Thevenin transformation or the behavior of the capacitor in the circuit. Multiple competing views remain regarding the configuration and calculations involved.

Contextual Notes

Participants express uncertainty about the implications of the circuit configuration, the role of the capacitor, and the accuracy of their calculations. There are unresolved aspects regarding the integration of different resistors into the Thevenin equivalent and the resulting voltage calculations.

Who May Find This Useful

This discussion may be useful for students and individuals interested in circuit analysis, particularly those studying Thevenin transformations, RC circuits, and voltage behavior over time.

dwn
Messages
165
Reaction score
2

Homework Statement



See images

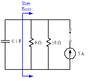
In the first image, I made a circuit with the switch closed and then two when the switch is opened.
The bottom circuit is the Thev transform.

Homework Equations


The Attempt at a Solution



Let me first explain my understanding of the circuit. Prior to t = 0, the dc source been suppling a current to capacitor for an lengthy amount of time in which case the cap would reach a 'steady state' of voltage. I decided to find this voltage by using a Thevenin transformation ( 90 V and 6Ω series).

vc(0) = 90 V
My concern with this is that when I created the new circuit in iCircuit app, the cap voltage only read 30 V..?

vc(∞) = 0 V (intuitive understanding of the circuit)

In order to find vc(t), I went back to the original circuit and decided to try:
Code:
v[SUB]c[/SUB](t) = 1/C ∫i dt
At this point, I just got lost and wasn't sure how to continue.
 

Attachments

  • Screen Shot 2014-04-28 at 10.27.57 AM.jpg
    Screen Shot 2014-04-28 at 10.27.57 AM.jpg
    14 KB · Views: 1,161
  • Screen Shot 2014-04-28 at 10.29.19 AM.jpg
    Screen Shot 2014-04-28 at 10.29.19 AM.jpg
    9.7 KB · Views: 1,193
Physics news on Phys.org
Can you explain your Thevenin equivalent calculations? The result you get doesn't look right.
 
Sure thing, I was doing this late in the evening/early morning depending on perspective, so that could be why.

Starting with 18 Ohm and 5 A source and treating the rest as open circuit: V = IR = 18 * 5 = 90 V

1/18 + 1/9 = 1/R R = 6
 
dwn said:
Sure thing, I was doing this late in the evening/early morning depending on perspective, so that could be why.

Starting with 18 Ohm and 5 A source and treating the rest as open circuit: V = IR = 18 * 5 = 90 V

Okay, what about the 9 Ω resistor? Won't it form a voltage divider with your new Thevenin model? Did you consider incorporating the 9 Ω into the Thevenin model to make things simpler?
 
With a dc voltage source, isn't the capacitor shorted? Which would mean the resistors are in series?

If I did use the voltage divider: V = 9(90/27) = 30V
 
dwn said:
With a dc voltage source, isn't the capacitor shorted? Which would mean the resistors are in series?
Nope. If you take only one of the resistors into your Thevenin equivalent the you have a voltage source in series with one resistor which together parallel the remaining resistor and capacitor.

You know that you can change around the depicted order of components in parallel without altering the circuit (the same is true of components in series --- the sum of their resistances and potential drops are constants). If you rearrange and simplify your circuit before applying Thevenin then things will be easier:

attachment.php?attachmentid=69174&stc=1&d=1398698412.gif

If I did use the voltage divider: V = 9(90/27) = 30V

Right. But it's better to simplify the resistor network first and reduce the complexity.
 

Attachments

  • Fig2.gif
    Fig2.gif
    2.3 KB · Views: 2,033
Yes, I think I remember that now that you mention it.

This stuff is killing all confidence I had in myself as a human being...may be time for a beer.
 
Last edited:
Analyzing the circuit for t > 0

RC equation : v(t) = V0e-t/RC = 30e-t/0.6

Correct?
 
dwn said:
Analyzing the circuit for t > 0

RC equation : v(t) = V0e-t/RC = 30e-t/0.6

Correct?

Yes. You got it :approve:
 
  • #10
FINALLY! Are we allowed to make donations to you guys?!? If not, you should talk to someone about that!
 
  • #11
dwn said:
FINALLY! Are we allowed to make donations to you guys?!? If not, you should talk to someone about that!

You can upgrade your Membership to become a paying member (QUICK LINKS ---> Upgrade Membership). Fees contribute to the upkeep of the site infrastructure (all staff are unpaid volunteers; we do it because promoting and encouraging science education is its own reward).
 

Similar threads

Replies
9
Views
3K
Replies
15
Views
3K
  • · Replies 2 ·
Replies
2
Views
2K
  • · Replies 7 ·
Replies
7
Views
3K
  • · Replies 3 ·
Replies
3
Views
4K
  • · Replies 4 ·
Replies
4
Views
3K
  • · Replies 10 ·
Replies
10
Views
4K
  • · Replies 2 ·
Replies
2
Views
2K
  • · Replies 5 ·
Replies
5
Views
2K
  • · Replies 11 ·
Replies
11
Views
6K