Performance of DC converter between equal and opposing EMFs?

Click For Summary

Discussion Overview

The discussion revolves around the performance of a DC converter in a circuit where a battery and induced EMFs interact. Participants explore the implications of having equal and opposing induced EMFs on the behavior of the converter, particularly under varying input and output conditions. The focus is on understanding the limits and behavior of the converter in this complex scenario.

Discussion Character

  • Exploratory
  • Technical explanation
  • Debate/contested
  • Conceptual clarification

Main Points Raised

  • Some participants describe a circuit where a battery and an induced EMF are in series, with a second induced EMF opposing the first, raising questions about the net voltage and current behavior through the DC converter.
  • One participant notes the absence of feedback in the circuit design, questioning whether it is intended to operate open-loop.
  • Another participant emphasizes the educational aspect of the inquiry, focusing on the behavior of the converter with fluctuating inputs rather than practical applications.
  • Concerns are raised about the cancellation of induced EMFs and how the converter's presence might affect this outcome, particularly when the output voltage is lower than the input voltage.
  • Discussion includes the energy dynamics in the circuit, with some participants suggesting that the induced EMFs do not cancel out and that the converter fundamentally alters the energy interactions.
  • Participants explore the implications of high input voltage and low output voltage scenarios, considering the role of inductors in managing opposing EMFs.
  • There is mention of the diode's behavior in the circuit, particularly regarding its conduction when the transistor is off and the implications for capacitor discharge.
  • Some participants express uncertainty about the circuit design, suggesting that certain components may be unnecessary or incorrectly included.
  • Questions arise about whether the converter is assumed to be closed-loop and how that affects the voltage at the output.

Areas of Agreement / Disagreement

Participants do not reach a consensus on the behavior of the DC converter in the presence of opposing EMFs. Multiple competing views are presented regarding the cancellation of induced EMFs, the role of energy in the circuit, and the practical implications of the circuit design.

Contextual Notes

Limitations include potential missing assumptions about circuit behavior, the dependence on ideal component characteristics, and unresolved questions about the impact of varying input and output conditions on the overall performance of the converter.

Who May Find This Useful

This discussion may be of interest to individuals studying electrical engineering, circuit design, or those seeking to deepen their understanding of DC converters and the effects of induced EMFs in complex circuits.

PhiowPhi
Messages
203
Reaction score
8
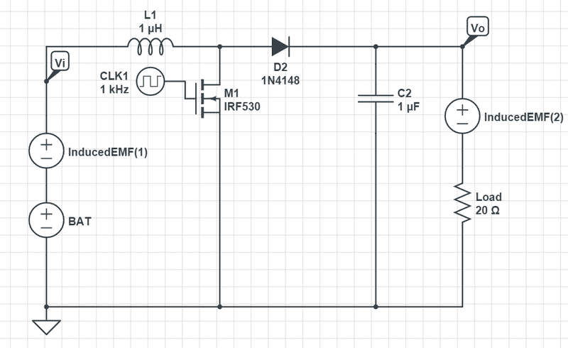
A battery of constant voltage is in series to a conductor that is placed in a changing magnetic field over time, inducing an EMF with a polarity as indicated in the circuit as "Induced EMF(1)", both the battery and the induced EMF(1) are in series as the input voltage to the DC converter, the intention is to increase or decrease the applied voltage and ultimately the current(if there is a load). The outputted voltage( BAT + Induced EMF(1)) is opposed by Induced EMF(2) that is exactly the same in magnitude to the induced EMF(1), both I-EMF(1) AND I-EMF(2) are induced at the same time. I'm confused as to how things would turn out due to the converter, in a general sense what might happen?

Circuit schematic:

Xe7ydyo.png


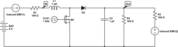
If I excluded the DC converter like so:
8Idwpf3.png


It would be easy, the net voltage would be: BAT + Induced EMF(1) - Induced EMF(2) = BAT. Since the Induced EMF(1) = Induced EMF(2). However, what if the convert is in between as the first schematic? And let's say the inputV(to the converter circuit)>outputV or vice versa intputV < outputV? The result is the same?

This thread & question are to touch base on the understanding and knowing limits of a DC converter when in a complex and odd situation of induced EMF's or to be exact varying voltages as input and opposing voltages and such. I hope the circuit is clear, I'm new to circuitry still so... I copied this circuit from a source as a reference and aid.
 
Engineering news on Phys.org
You don't show any feedback. Is that intentional? Do you intend for this circuit to be run open-loop at some fixed duty cycle for the switch?
 
Yes I did that intentionally, I'm focusing primarily on the odd situation of the induced EMF's(hence why there isn't even a reasonable load...). More concerned on how the converter would behave considering fluctuating inputs, and the whole EMF issue. I guess this is more educational for my self teaching than an actual circuit that I would use.
 
Initially while working on the circuit, I concluded that the induced EMF's(1&2) would cancel out since their equal and opposing even if the converter is present in between. But, what confused me and made me think twice was the fact that the applied input voltage( that is BAT+ Induced EMF(1)) goes through the converter and is outputted for example at a lower voltage the output voltage is less than the induced EMF(2) it would cancel it and then what...? The remaining voltages is inputted through the converter in reverse :confused:?
 
I'll assume that 1KHz is enough time to fully charge and discharge, and all elements are ideal.

Break it down into the energy at the end of the charge period in L (1/2 L*I2) where I is (5V + EMF)/100

That get dumped into C (where Energy = 1/2 CV2 and drained by the 100 ohms and 100 ohms in series with EMF2

Note that EMF1 will increase the current through the inductor and EMF2 reduces the current through the second resistor (I think your polarities are wrong).

Think about the increase in energy in the inductor due to EMF1 relative to the effect of EMF2 on the energy drained from the capacitor.

It is a strange question. What is the nature of this EMF mechanism? Doesn't seem in any way practical. More like an extra credit homework assignment.
 
meBigGuy said:
(I think your polarities are wrong).
Of what?

meBigGuy said:
Think about the increase in energy in the inductor due to EMF1 relative to the effect of EMF2 on the energy drained from the capacitor.

From this and the previous points about the energy breakdown, the net voltage would be that of the BAT? The induced EMF's would cancel even when the converter is a part of the circuit?
What if the input(BAT + Induced EMF(1)) we're of high voltage and the output was lower voltage and high current. What the?

meBigGuy said:
Doesn't seem in any way practical. More like an extra credit homework assignment.

It's educational, not practical use just evolving my understating & analysis of how a DC convert would work under such a situation.
 
Forget my remark about the polarities.
The DC/DC converter totally changes the interaction.

Think about the energy as I described. There is more energy put into the inductor during the charge cycle because the voltage is higher by EMF1. The EMF2 has no impact on that.
Then, the energy is dumped into the capacitor
There is less energy taken out of the capacitor because of EMF2.

So, they do not cancel. I'd have to work it a bit to determine how to make EMF2 remove the same energy from the capacitor that EMF1 put into the inductor.
 
  • Like
Likes   Reactions: PhiowPhi
meBigGuy said:
Think about the energy as I described. There is more energy put into the inductor during the charge cycle because the voltage is higher by EMF1. The EMF2 has no impact on that.

That's true, but think about the case when the input to the converter is of high voltage from BAT + Induced EMF(1) at lower current, and the output would be lower voltage and higher current how would things work out there? I think, if there is an output of high current an inductor can be added to the output that would compensate for the opposition caused by Induced EMF(2)?

meBigGuy said:
Then, the energy is dumped into the capacitor
There is less energy taken out of the capacitor because of EMF2.

Makes sense.

meBigGuy said:
So, they do not cancel.
Maybe if there is an inductor in the output I can cancel them out leaving BAT's applied voltage.

meBigGuy said:
I'd have to work it a bit to determine how to make EMF2 remove the same energy from the capacitor that EMF1 put into the inductor.

Please do! This got me stuck for a bit haha, but consider varying inputs/outputs too!
 
I think you meant to leave out the extra 100 ohms on the DC/DC circuit (R2). Not sure why it is there.

One thing I overlooked is that the diode will conduct when the transistor is off and the capacitor has discharged to a voltage that allows the diode to conduct. The capacitor will never go to zero when the transistor is off, but will go to zero when the transistor is on.

I really don't have an answer for you. You need to set up a sim.
 
  • #10
meBigGuy said:
I think you meant to leave out the extra 100 ohms on the DC/DC circuit (R2). Not sure why it is there.

I'll review that... I copied the circuit from someone so not really either.

meBigGuy said:
One thing I overlooked is that the diode will conduct when the transistor is off and the capacitor has discharged to a voltage that allows the diode to conduct. The capacitor will never go to zero when the transistor is off, but will go to zero when the transistor is on.

Well that's a pickle, thanks for point that out.

meBigGuy said:
I really don't have an answer for you. You need to set up a sim.
Haven't worked with any honestly, do you recommend one that would work with this problem?

@jim hardy, @NascentOxygen could you please share your opinion?
 
  • #11
meBigGuy said:
the diode will conduct when the transistor is off and the capacitor has discharged to a voltage that allows the diode to conduct
I don't think that is anything to worry about - except that some protection may be needed if the drive fails to provide ON periods. And the charging through the diode when the switch turns off is the principle of the converter.
meBigGuy said:
The capacitor will never go to zero when the transistor is off, but will go to zero when the transistor is on.
It won't discharge through the diode - just through the output load, till it reaches EMF2.

I agree that adding the inductor / switch circuit changes things fundamentally, beyond the linear, resistor circuit (the second one). Even in that simpler circuit, if you add a parallel 100R resistor as in the first circuit, the EMF's don't just 'cancel' because they both contribute (one way or another) to the current through that extra R.
 
  • Like
Likes   Reactions: PhiowPhi
  • #12
Do we assume that converter is closed loop, maintaining some voltage at OUT ?

Ohm and Kirchoff rule !

Induced EMF1 simply adds to battery voltage
so you'd write Vbatt + EMF1(t) instead of Vbatt
and duty cycle of clk1 will vary accordingly..

Induced EMF2 only reduces current through R3
so voltage at node OUT = IR3 + EMF2(t), meaning EMF2 will also reach backward to affect duty cycle

It might be useful to write KVL and KCL equations in time domain assuming some constant duty cycle, just to work the kinks out of your algebra
and then solve them again with for duty cycle at whatever condition you impose
because the only thing a converter can do is adjust its duty cycle

your voltage at OUT is going to be AC with some average DC value because 1 uf and 50 ohms has time constant 50 microsec, a lot less than your switching period of 1000 microsec. So i'd solve for average. Don't be surprised if quadratics appear and you find it has dual solutions.

old jim
 
Last edited:
  • Like
Likes   Reactions: PhiowPhi and sophiecentaur
  • #13
You've just got to be right there, Jim. Mostly.
Obviously EMF1 is just added to the battery Volts for all versions. I guess we're assuming an ideal diode with no voltage drop. When you say "solve for average", I'm not sure where I'd start. The nonlinearity would surely show itself somewhere and make things harder. Are you just suggesting to look at the exponential changes as the volts on the Inductor change due to the RL time constant (L/R= 10-8 s.
In fact, I wonder about the choices of reactive component values and frequency. Are they just arbitrary or based on some strategy that I haven't spotted. As you say, it isn't really a DC DC converter. If it were, I think the DC approximations would make things easier.
 
  • #14
Sorry, I lost myself within the mist of the discussion... reviewing and analyzing the points made by both of you.
However, @jim hardy @sophiecentaur considering varying inputs/outputs is it still possible(with the presence of the converter) to cancel out the EMF's?
Consider the case of where Vbatt + EMF(1) are at a high voltage and low current input, and the output would be of high current and low voltage < EMF(2). Now the EMF(2) would oppose this and try to go in reverse, I proposed adding an inductor with the output creating a high field(due to the high current) and that would try and make EMF(2) = 0. Leaving out what's provided by Vbatt. Is that a possibility?

I'd like to apply (KVL & KCL)& Ohm's equations but I feel lost with the point made above.
And to note sophiecentaur's point yes approximating with DC would make it A LOT easier for me personally.

NOTE: I know my circuit(terrible one sorry...) is of a boost-converter, but consider it as a DC/DC convert to be both boost and a buck converter[Adjusted Circuit's below post #16].
 
Last edited:
  • #15
sophiecentaur said:
It won't discharge through the diode - just through the output load, till it reaches EMF2.

It will only do that when the transistor is ON. When the transistor is off the capacitor voltage will never go below Vbat +EMF1 through 100 ohms feeding the load network of 100 ohms in parallel with 100 ohms and EMF2 (let's call that inductor current If2) . In other words, when the transistor is off, the diode is forward biased due to the Vbat + EMF2 supply. When the transistor is on, the voltage at the diode is 0 (and the current through the inductor settles to If), so the capacitor will then discharge as you describe.

Of course, starting at the time when the transistor turns off, a bunch of energy is dumped into the capacitor as the inductor tries to maintain If. It then settles down to what I will call If2.

This assumes that the circuit settles since the switching frequency is so slow (1Khz)

BTW, this is a terribly useless circuit, and analysis of it will provide little useful knowledge beyond the pure exercise of analyzing it. To me it is a pointless academic exercise, and a poorly constructed one at that.
 
  • #16
Adjusted the circuit diagrams for Buck converter:

G2kQoyB.jpg


And for Boost converter:

YTv3c2H.png

In both cases, can I manipulate the circuit so that the Load would have only the BAT's applied voltage?
And somehow cancelling InducedEMF(1) & InducedEMF(2)?

meBigGuy said:
BTW, this is a terribly useless circuit, and analysis of it will provide little useful knowledge beyond the pure exercise of analyzing it. To me it is a pointless academic exercise, and a poorly constructed one at that.

For someone who's new and learning that's the most valuable thing for me.
And I hope it would benefit anyone else later on or bring any useful thoughts.
 
  • #17
You have the tools to analyze this. First you need to be able to analyze the simple boost and buck without the EMF. Once you understand the math of how they work you can determine how the EMF affects performance.

I don't think you understand the basic circuits even without the EMF. For example, what is the final current through L1 in the boost after the 500uS on period? And what will be the voltage at C2 at the end of the 500uS off period. You would be better served to first understand boost and buck operation in the fundamental sense and then the effects of real components, before tackling your seemingly random unrealistic question. At least that knowledge would be useful, and of course it might help you solve what you are asking.
 
  • Like
Likes   Reactions: PhiowPhi
  • #18
PhiowPhi said:
In both cases, can I manipulate the circuit so that the Load would have only the BAT's applied voltage?
And somehow cancelling InducedEMF(1) & InducedEMF(2)?
PhiowPhi said:
... Induced EMF(2) that is exactly the same in magnitude to the induced EMF(1),

You are asking whether
(Vbatt + EMF) X (converter ratio K) - EMF = Vbatt
is possible ?

What does 8th grade algebra tell you ?
 
  • #19
You could use a transformer as an analogy. EMF1 applied to 1:1 turns ratio transformer with EMF2 on the other side. Then replace with a 1:2 turns ratio.
 
  • #20
Can one of you reassure me that the time constants are not wrong (too short) for the clock frequency, if you actually want a 'DC-DC' converter? The time constant for 1μF and a load of 20Ω is way shorter than appropriate for 1kHz (or 20kHz - which is it??). It seems to me that you are just going to get a string of pulses out.
 
  • #21
sophiecentaur said:
Can one of you reassure me

not me.
 
  • #22
You are correct, they are nowhere close to acting as a DC-DC converter. It is a glitch generator. That's why I asked him to tell me the current in the inductor after 500uS on and the voltage on the capacitor after 500uS off.
 
  • #23
@meBigGuy
And that's why I've gone back to studying again, this time properly.
Thanks everyone for the attempt.
 
  • #24
There are two things you need to understand (plus others, I'm sure)

1. How does a DC to DC converter really work

2. What happens if you replace your DC source and DC to DC converter with AC signals and a transformer. You will find that the same EMF on either side of the transformer has different effects (that is, they do not cancel). But, if it sources the same POWER on either side, the result is different.
 
  • Like
Likes   Reactions: PhiowPhi

Similar threads

  • · Replies 15 ·
Replies
15
Views
3K
  • · Replies 4 ·
Replies
4
Views
3K
  • · Replies 2 ·
Replies
2
Views
2K
  • · Replies 35 ·
2
Replies
35
Views
5K
  • · Replies 5 ·
Replies
5
Views
2K
  • · Replies 9 ·
Replies
9
Views
4K
Replies
64
Views
8K
  • · Replies 4 ·
Replies
4
Views
2K
  • · Replies 13 ·
Replies
13
Views
3K
  • · Replies 9 ·
Replies
9
Views
4K