Questions about Circuit Models of Transmission Lines

Click For Summary

Discussion Overview

The discussion revolves around the circuit models of transmission lines, particularly in the context of graduate-level electromagnetic theory. Participants explore the arrangement and interpretation of RLC components in these models, their implications for signal propagation, and the differences between various types of transmission lines.

Discussion Character

  • Technical explanation
  • Conceptual clarification
  • Debate/contested

Main Points Raised

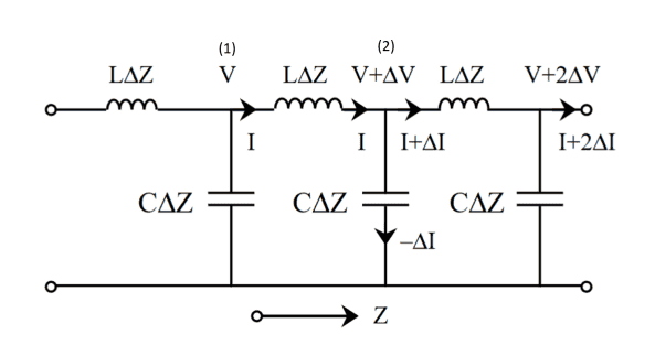
  • One participant questions the representation of the circuit model, asking whether the horizontal wires represent parallel plates or if one is a transmission line and the other is ground.
  • Another participant describes the model as a transmission line over a ground plane, noting its inductance and capacitance characteristics, and mentions its function as a low-pass filter.
  • There is a suggestion that the arrangement of RLC components in the circuit model is based on the physical properties of transmission lines, including series inductance and parallel capacitance.
  • A participant points out that while the lumped element circuit has a cutoff frequency, a real transmission line is continuous and does not have a cutoff frequency in the same sense, suggesting the need for more LC sections to accurately model it.
  • Another participant references a book by Leon Brillouin that discusses transmission lines from a physics perspective, suggesting it may be beneficial for those with a background in physics/optics.
  • There is clarification regarding the model for unbalanced transmission lines, such as coaxial cables, and how it differs from balanced transmission lines, which would include additional inductors in the return leg.
  • A later reply emphasizes the importance of including loss terms in the model to accurately reflect the characteristic impedance and its frequency dependence, particularly in practical applications like IoT communications.

Areas of Agreement / Disagreement

Participants express varying interpretations of the circuit model and its implications, with some agreeing on the basic characteristics of transmission lines while others raise questions about the accuracy and completeness of the lumped element model. The discussion remains unresolved with multiple competing views on the representation and behavior of transmission lines.

Contextual Notes

Participants note limitations in the lumped model, particularly regarding its inability to fully capture the continuous nature of real transmission lines and the effects of losses on characteristic impedance.

Who May Find This Useful

This discussion may be of interest to graduate students in electromagnetic theory, professionals working with transmission lines in communications, and those exploring the theoretical underpinnings of circuit models in physics and engineering.

stephen8686
Messages
42
Reaction score
5
TL;DR
Can someone explain lumped element circuit model of transmission lines please?
This is for my graduate EM Theory class. My background is physics/optics, so I was able to understand when we solved maxwells eqs. for waves propagating between parallel conducting plates, but that lead into the lumped element circuit model of transmission lines which I don't understand. I've attached the figure we used. My question is why does the circuit look this way? Do the two horizontal wires represent the two parallel plates, or is the top one the transmission line and the bottom one ground? And how do we know that the RLC components should be arranged in this way instead of some other way?
 

Attachments

  • circuit.png
    circuit.png
    7.2 KB · Views: 187
Engineering news on Phys.org
The model you show is of a transmission line over a ground plane.
The line has inductance per unit length, and capacitance to ground per unit length.
Drawn as a ladder network, it makes a low-pass filter, with a very high cutoff frequency.
https://en.wikipedia.org/wiki/Transmission_line#Telegrapher's_equations

From the lumped model, you can determine the characteristic impedance and the velocity factor. Your lumped model has no resistance, so it is an ideal lossless line.
 
Baluncore said:
The model you show is of a transmission line over a ground plane.
The line has inductance per unit length, and capacitance to ground per unit length.
Drawn as a ladder network, it makes a low-pass filter, with a very high cutoff frequency.
https://en.wikipedia.org/wiki/Transmission_line#Telegrapher's_equations

From the lumped model, you can determine the characteristic impedance and the velocity factor. Your lumped model has no resistance, so it is an ideal lossless line.
So the top wire represents the transmission line and the bottom is ground? And why would a transmission line act as a lo pass filter?
 
stephen8686 said:
And why would a transmission line act as a lo pass filter?
Because a transmission line has a cutoff frequency, by virtue of the fact that it has series inductance, with parallel capacitance, distributed over its length.
 
  • Like
Likes   Reactions: anorlunda and Averagesupernova
The lumped element circuit has a cut off frequency but a real line is continuous and does not. We need more LC sections to raise the cut off frequency of this equivalent circuit.
 
  • Like
Likes   Reactions: berkeman
Leon Brillouin wrote a beautiful little book called Wave Propagation in Periodic Structures that covers transmission lines from a physics perspective before moving on to waves (acoustic and optical) in crystals. With your background, it should be an enlightening read.
 
Last edited:
stephen8686 said:
So the top wire represents the transmission line and the bottom is ground?
What you show is the model for an unbalanced transmission like, like coax cable. The lumped model for balanced transmission lines (like twisted pair or twin-lead cable) would have inductors in the lower/return leg as well.

The Characteristic Impedance ##Z_0## of a Transmission Line includes the inductance per unit length and the capacitance per unit length, so for a lossless TL that is all you need to include in the lumpted model. Then all you have to decide is how fine you want that model to be per unit length (per meter, for example), based on the frequencies that you want to model propagating down that TL.

A better model includes the loss terms, because if you are trying to match a transmit impedance and a termination impedance to the TL, the loss terms and their effect on ##Z_0(f)## can be significant. In the twisted pair IoT world that I work in, this affects communication datarates in the 100kHz range, but not in the 10MHz range, for example.

1655073433170.png

https://en.wikipedia.org/wiki/Characteristic_impedance
 

Similar threads

Replies
1
Views
2K
  • · Replies 21 ·
Replies
21
Views
3K
Replies
8
Views
3K
  • · Replies 7 ·
Replies
7
Views
3K
  • · Replies 2 ·
Replies
2
Views
2K
  • · Replies 15 ·
Replies
15
Views
3K
  • · Replies 9 ·
Replies
9
Views
5K
Replies
24
Views
3K
  • · Replies 39 ·
2
Replies
39
Views
10K
  • · Replies 2 ·
Replies
2
Views
2K