Simulate a Chopper of Class A circuit in MATLAB Simulink

Click For Summary

Discussion Overview

The discussion centers around simulating a Class A chopper circuit in MATLAB Simulink, focusing on issues related to simulation results, efficiency calculations, and the impact of various parameters on the outcomes. Participants explore the effects of duty cycle, stop time, load torque, and initial conditions on the simulation's reliability and accuracy.

Discussion Character

  • Exploratory
  • Technical explanation
  • Debate/contested
  • Mathematical reasoning

Main Points Raised

  • One participant reports receiving unreliable results with an efficiency greater than 100% when the duty cycle is set to 20% and stop time is 0.02 seconds, questioning where the mistake lies.
  • Another participant suggests that the time constant of the field winding should be compared with the stop time to assess the simulation's validity.
  • A different participant modifies the stop time to 10 seconds and achieves reasonable results, but raises questions about the differences in speed and output power at specific times during the simulation.
  • Concerns are raised about the load torque values used in the simulation, which differ from those stated in the problem, prompting a discussion about the implications of these discrepancies.
  • One participant notes that the initial speed parameter is set to "1" rad/s, questioning whether this means the motor is already running at the start of the simulation.
  • Another participant observes that changing the initial speed does not affect the results and questions the reasonableness of obtaining negative energy values in the simulation.
  • A suggestion is made to try a different circuit configuration, as the circuit in one post differs from another, which may yield more realistic results.
  • Another participant recommends increasing the stop time to 50 seconds for stability during transient periods and emphasizes the need to include field winding voltage and current for accurate input power calculations.
  • It is suggested that averaging input and output power after the transient period is necessary to calculate efficiency correctly.

Areas of Agreement / Disagreement

Participants express various concerns and suggestions, but there is no consensus on the correct approach or resolution of the issues raised. Multiple competing views and uncertainties remain regarding the simulation parameters and their effects on the results.

Contextual Notes

Limitations include potential missing assumptions about the circuit configuration, the dependence on specific parameter definitions, and unresolved mathematical steps related to efficiency calculations.

Fatima Hasan
Messages
315
Reaction score
14
Homework Statement
Attached below.
Relevant Equations
-
1608777041015.png

1608777071978.png
1608777148059.png


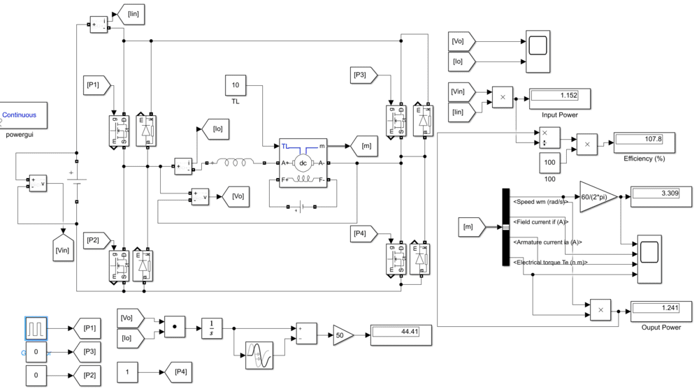
I tried to simulate the circuit but I got unreliable results. Here's what I got when I set the duty cycle to be 20%:
Stop Time = 0.02

1608777870511.png

The efficiency is more than100%.

Here's the parameters:
1608778062680.png
1608778108596.png
1608778151023.png

Could someone please let me where is my mistake?
 
Physics news on Phys.org
I'm definitely not an expert on this, but just looking at the numbers, these seem inconsistent.

What is the time constant of the Field winding?
How does that compare with the Stop Time?
 
Tom.G said:
I'm definitely not an expert on this, but just looking at the numbers, these seem inconsistent.

What is the time constant of the Field winding?
How does that compare with the Stop Time?
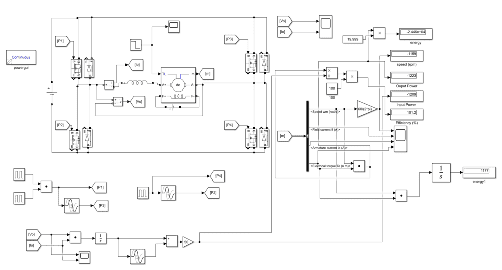
I modified the stop time and kept it equal to 10 sec. I got reasonable results. However, in the following part, I didn't.

To simulate a lift, let assume that the load torque is 20 Nm while going up and 10 Nm while going down as shown in figure 2(a). Also let the time of going up is 10 seconds and 10 seconds while going down. This can be done by gating the switches of figure 2 by the control blocks shown in figure 2(b).
1609109955313.png

Using figures 1 and 2, run the simulation for 20 s and record the machine speed, the power absorbed or generated by the machine, and the energy absorbed by the machine at times 9.999 seconds and 19.999 seconds respectively.

What are the differences of the speed and the output power in both cases (when t=9.999 and = 19.999 seconds) ?
 

Attachments

  • 1609110059233.png
    1609110059233.png
    21.6 KB · Views: 273
Fatima Hasan said:
What are the differences of the speed and the output power in both cases (when t=9.999 and = 19.999 seconds) ?
I don't know, I haven't run the simulation and know nothing about either MATLAB or Simulink. I (think) I can understand the diagram fairly well and don't spot any major errors.

Something that stands out though is:
Fatima Hasan said:
...let assume that the load torque is 20 Nm while going up and 10 Nm while going down...
But the problem statement says:
Applied load torque (TL=10nm during motoring and -10nm during regeneration)

...
Oh, Just spotted a questionable entry in the Parameters entries. Specifically the
Initial speed (rad/s) shows "1". Does this mean the motor is already running when the simulation starts?

Cheers,
Tom
 
Tom.G said:
Specifically the
Initial speed (rad/s) shows "1".
Even when I changed it, the results didn't change.
Also, the energy in both cases are negative. Is that reasonable?
 
The only thing I see is that the circuit in post #1 is different than the attached circuit in post # 5. If you are using the the circuit in post #1, try the one in post #5, it may give more realistic results.

I just put in a request for help on this. It may take a couple days for a response, but SOMEONE almost always does!

Sorry I couldn't be of more help, it looked a little simpler when I first looked at the problem. :sad:

Hang in there, we'll get thru it!

Cheers,
Tom
 
Increase your stop time to say 50 secs. Initially, during transient time none of the values will be stable.

Secondly, don't you also need to include field winding voltage and current for input power calculation?

Thirdly, since you are input and/or output signals are chopped, you need to do an average the input and output power after the transient period and then calculate efficiency.
 
  • Like
Likes   Reactions: Tom.G

Similar threads

  • · Replies 21 ·
Replies
21
Views
4K
  • · Replies 12 ·
Replies
12
Views
4K
  • · Replies 4 ·
Replies
4
Views
2K
Replies
15
Views
3K
  • · Replies 16 ·
Replies
16
Views
3K
  • · Replies 22 ·
Replies
22
Views
4K
  • · Replies 7 ·
Replies
7
Views
4K
  • · Replies 1 ·
Replies
1
Views
2K
Replies
1
Views
6K
  • · Replies 7 ·
Replies
7
Views
5K