SMPS transformer core getting hot advice

Click For Summary

Discussion Overview

The discussion revolves around the heating issue of an SMPS (Switched-Mode Power Supply) transformer core, specifically focusing on the EPCOS ETD59 core made of N87 material. Participants explore potential causes of the overheating, including winding turns, core material suitability, and design considerations such as air gaps and shorted turns.

Discussion Character

  • Technical explanation
  • Debate/contested
  • Experimental/applied

Main Points Raised

  • One participant notes that the transformer core heats up under load, despite the windings remaining cool, suggesting a potential issue with the number of turns in the primary winding.
  • Another participant warns that attaching a heatsink directly to the core may cause fractures due to thermal expansion differences, recommending cooling the entire transformer instead.
  • Concerns are raised about the core material's optimization for the operating frequency and the possibility of excessive flux in the core.
  • A participant mentions that their core has no air gap and questions whether adjusting the air gap could help with the heating issue.
  • Discussion includes the possibility of shorted turns in the transformer assembly, which could lead to heating issues.
  • One participant suggests adding turns to the primary winding as a potential solution, while another proposes testing with an insulated spacer to check the importance of the air gap.
  • There is a calculation presented regarding flux density and its relation to the core's area, comparing it to established rules of thumb for SMPS transformers.

Areas of Agreement / Disagreement

Participants express multiple competing views regarding the causes of the core heating, with no consensus reached on the best solution or the specific factors contributing to the issue.

Contextual Notes

Participants discuss various assumptions about the core design, including the absence of an air gap and the implications of winding turns. The discussion also touches on the suitability of the core material for the frequency of operation and the potential impact of shorted turns, but these remain unresolved.

  • #31
Tom.G said:
I'm using the equation from http://wcmagnetics.com/wp-content/uploads/2015/02/appnote11.28.10.pdf, page 9, Equation 2.
A lot of magnetics manufacturers still publish cgs . SI Tesla gets rid of that pesky 108

i love it when intuitive and book formulas agree .

@Tom.G Thanks !

ps
Tom.G said:
Last edited: Today at 2:54 AM
You too ?
'Tis a fine madness, is it not ?

old jim
 
Engineering news on Phys.org
  • #32
Ok, I'm back , here are some observations , maybe i will go into more detail later as this is the last day with high heat here and when temperatures are lower my head works better.

I rewound the bobbin.I put some 15 turns of primary instead of 16 as 15 turns matches an even number of secondary turns for the voltage I need , since it's rather messy to have say 17 turns of secondary which produces overvoltage or 16 which in my case would produce under voltage in case of a 16 turn primary.
So I put 15 on primary and 16 on secondary.
My observations are as follows , I'll start with the less dramatic ones.As awkward as it may seem but for the same loads it feels like my smps aluminum heatsink block is warmer than it was with the 11 turn primary.So it must waste more heat now. Atleast the volt turns are following some logic I put 15 turns on primary so it goes like 162/15=10.8 , so I should get about 10 volts per turn in the secondary winding.Which I get.

The ferrite core is still quite warm , there has been maybe a small improvement and the core isn't hot by touch anymore but it's temp is still i'd say some 50/60 degrees celsius.The savior for this is the fact that the core sits tightly to the common aluminum heatsink and so the heat slowly drifts away.
my whole box is one big aluminum heat sink so that kind of helps set matters evenly.

I will have to do some research more into this as the turns ration and core material might not be the only ones to blame
I did a test earlier with the 15 turn primary today I took out the fuses that connect my dc output rails from psu to my amp boards and simply connected a dummy load for test purposes which consisted of a water heater and a halogen lamp in parallel , for the output voltage of 160v DC the power i calculated from ohms law was somewhere around 300/400w I can't know for sure since the filament of the 200w bulb changes it's resistance upon heating up.
The core and the smps heat sink were warm with the core being a bit hot but still ok.
Now I connected back the fuses and listened to some music for some 30 mins maybe bit less and to my surprise the heat sink was almost as warm as with the previous dummy load , and the speakers were quite small and i was running only two out of 4 channels , the other two disconnected channels had warm heatsinks too which tells me that the idle currents are maybe higher than they need to be.
So maybe the core is also getting hot because the amplifier has 4 x500w boards with idle currents running and the smps output has 2x 15kOhm resistors as maximum idle voltage limiters etc , in other words it wastes quite some power even with light music loads.

Anyway the situation is better but not as good as your calculations showed , definitely not a 30% or so gain.
And the heatsink seems warmer now which I can't understand , maybe the ferrite core is better pushed to the heatsink now and causes the elevated temp, I'm not sure.I have added some pics just in case you Jim want to see my far from perfect and far from ideal home made magic box :D
Even though the wiring seems messy when I connected all the grounds in all the right places I miraculously have no hum or background noise in the output.
the amplifier boards are at the left side , in the middle there is the protection board and at the right side there is the smps unit.the pics are rather bad but i hope you are able to see the stuff and how its put.
 

Attachments

  • 20160626_223010.jpg
    20160626_223010.jpg
    76.9 KB · Views: 617
  • 20160626_223031.jpg
    20160626_223031.jpg
    77.1 KB · Views: 613
  • 20160626_223044.jpg
    20160626_223044.jpg
    57.4 KB · Views: 623
  • 20160626_223107.jpg
    20160626_223107.jpg
    37.3 KB · Views: 574
  • 20160626_223133.jpg
    20160626_223133.jpg
    57.8 KB · Views: 561
  • 20160626_223141.jpg
    20160626_223141.jpg
    60.6 KB · Views: 551
  • #33
Salvador said:
The core and the smps heat sink were warm with the core being a bit hot but still ok.
Now I connected back the fuses and listened to some music for some 30 mins maybe bit less and to my surprise the heat sink was almost as warm as with the previous dummy load , and the speakers were quite small and i was running only two out of 4 channels , the other two disconnected channels had warm heatsinks too which tells me that the idle currents are maybe higher than they need to be.
Have you understood yet that flux depends on voltage across the windings not load current through them ?
So if it's flux the core should run same temperature loaded or unloiaded.

SMPS cores lose less heat as they warm up note 25C and 100C curves on the graph

and is this a metal loop as Tom.G asked?

salscore1.jpg


Is the core pressed hard against aluminum ? I can't tell.
If so you might well be making eddy currents in the aluminum heating it right where core touches it. To test for flux fringing superglue a penny or piece of timfoil on top of the core and see if it gets hot. Beware , don't let it fall across something dangerous.
Salvador said:
The core and the smps heat sink were warm with the core being a bit hot but still ok.
It is easy in the heat of the chase to not realize when we've achieved success. Got a contact thermometer ? Or a thermistor?

old jim
 
  • #34
By the way - awesome project . Your homebrew SMPS is really impressive, as is that you don't get hum anymore.

An old engineer from Tennessee once gave me his litmus test for parts running too hot: "Does it fry spit?"

Salvador said:
water heater
?? How big? They can be kilowatts.

Looking forward to more observations

old jim
 
  • Like
Likes   Reactions: Averagesupernova
  • #35
jim hardy said:
"Does it fry spit?"old jim
^^^^Like^^^^:smile:
 
  • #36
Well Jim it's always fun to exchange posts with you.I smiled at the "does it fry spit" terminology :D
No it doesn't , thank god , if it would I doubt the thing would run anymore after all it's a device whose main survival depends on two small sized yet powerful rated semicondctor devices called IGBT's and we all know how well semiconductors behave under "frying ones spit" conditions :d

Oh and one other thing , the part you have cut out in your last post , I assume you took it for a transformer but it's actually a coke that sits in the mains input for mains filtering of unwanted HF noise.there are two identical such chokes in parallel sitting one on top of the other , the one you copied out is the upper one.Their quite large and I had to use two of them because with just one it was getting too hot when the smps was driving heavy loads.

Overall I can't blame , the amp sounds quite good for a high power AB class unit with input being driven by a NE5532 opamp topology.
Except for the heating of the core but I will make some high power music test soon to see and then if the core doesn't get hot to the level were it can damage isolation I will just leave it at that.First high power smps for me after all.
Also I have understood that if one wants to build a high power smps , a good scope that can deal with higher voltages is a must.Otherwise it's like walking into a dark room trying to find the light switch just to see the next morning that the bulb wasn't even in the lamp.

http://static1.tme.eu/products_pics/f/3/d/f3daeb3f5adba78ac940110c1de68ec0/20669.jpg

http://ferrite.com.ua/bobbins_and_acessories/etd_cores/images/b66398w1024t1.jpg
since i don't have a separate transformer picture here is how the transformer looks without being wound.exactly like the one I have.the water heater is not that big , it's about 1000w if I'm correct , but that's for 230v since I am attaching it to my smps output which without the middle tap is 160v DC so it runs with lower power.
Yes i now start to see the difference between flux and power delivered through a core.
Although I must say most of the heat comes from the flux probably since the heating effects with various loads change only minimally.

Another observation I have made is that many mains transformers run rather hot also , and also in their core not the windings.
I have this same thing going on in a Onkyo Integra m5060r , I repaired the thing and it works and all is well , but I put some LED orange warm lights in the place of the original burnt out bulbs for the front panel and after some 5 hours of listening the mains transformer cores are rather hot.
But since the listening happens on very low levels I assume the cores heated up gradually but I don't suspect pure flux to be the reason after all they are factory made things.P.S. Yes the hum thing was rather strange , I got this weird HF noise in two of the 4 channels I had but then i built the other two put all of them in wired the ground connections to the best of my knowledge of avoiding hum nd noises and now the noise is gone , it's quite weird given the fact that this was high frequency noise coming a bit through inductance via air and mostly in the form of ripple which was not filtered out in the DC smps output (even with my decent sized filter bank and snubbers) but now t's not there anymore yet I haven't changed a thing , so it's balancing on the edge with magic.I bet I could attache my scope and I would still see some small ripple on the DC bus voltage.PS 2, maybe I should try out @Baluncore idea of making a small airgap in the core although I read that it could only make the magnetizing curve less steep and not prevent saturation if it happened although I assume if the curve is less vertical then saturation point also moves further in time.Yet I'm not sure if saturation happens there since I haven't put any scope probes into the primary yet.
 

Attachments

  • EXPLAINED.jpg
    EXPLAINED.jpg
    63.2 KB · Views: 612
Last edited by a moderator:
  • #37
When it comes to reliability, I think the temperature of your power supply core is less critical than the temperature of your power semiconductors. Maybe that is an argument to thermally separate the core from the semiconductor heatsink.
 
  • Like
Likes   Reactions: jim hardy
  • #38
Salvador said:
Although I must say most of the heat comes from the flux probably since the heating effects with various loads change only minimally.

counterintuitive isn't it ? The core runs hot irrespective of load current, losses being in proportion to voltage.
We expect them to be in proportion to current because of the equation for flux
but they're in proportion to magnetizing current not load current. See Tim's old thread "how the power transfers across an ideal transformer"

okay now i see your transformer
if that hose clamp doesn't get hot you're okay on the external loop i think
don't worry about the core running hot to the touch did you see that note in the TDK info ?
Heating up
Ferrites can run hot during operation at higher flux densities and higher frequencies.
i'd say 1970 mt was high flux , from those curves
and anything over 140F is scalding , to my touch
salscore2.jpg


Here's a page from an old line magnetic core manufacturer with some interesting notes
clamping pressure, air gaps, things i don't know - i never did much with ferrties.

http://www.mag-inc.com/products/ferrite-cores/learn-more-about-ferrites

thanks for sharing your adventure with us i learned plenty
looking forward to more observations
.................................
What do you have for speakers ? i'll bet that brute does a great job with the cannons in 1812 Overture
though my usual test is track 12 of Titanic soundtrack CD

old jim
 
  • #39
Salvador said:
Yet I'm not sure if saturation happens there since I haven't put any scope probes into the primary yet.

You could put a 0.1 Ohm, 5W to 10W, resistor in series with the primary and measure across that to get the current waveform, could be enlightening. If you have a dual-trace scope that allows subtraction of the channels, it's easy. You can also do it with a single channel scope by isolating the scope ground from the mains supply and measuring across the resistor. This puts the scope chassis at the voltage of the resistor (transformer primary); it's called 'floating' the scope. Keep one hand in your pocket when doing this.:oldsurprised:
 
  • #40
Hmm , so now that you folks start telling me ferrites do run hot I kind of think about the core heat before and maybe it wasn't that hot because it wasn't close to the new terminology which goes by the lines of "frying spit" So maybe I could have done without the primary turns upgrade.

I will now see one thing , I will separate the traffo core from the general heatsink and watch whether the heatsink gets warm because with the 11 primary turns the IGBT's and mains and output rectifiers ran barely warm , now they suddenly run warmer than before with the same load , also the original schematic for this smps shows an ETD59 type core just like the one I have now and it says 12 turns for primary.
Could it be that I have now added 3 more turns than necessary and instead of getting my core cooler have made more losses for my switching devices through the primary resistance so I'm simply wasting more energy than necessary.

For speakers I have 4 old soviet small boxes called S30, basically a box with a small widerange speaker combined with a tweeter.They are nominally 25 watts , there's one thing i like about the Russians they never lie about their device power ratings , for example I push out more power from 4 of these low wattage old crap things than most can push out from their Chinese "1KW" car speakers :D:D and they even sound decently , but I have other stuff too just that I'm too lazy to bring it up for test , also since I'm trying to protect my ears I don't listen to high volumes anymore so i kept only a couple of these smaller speakers just in case I need to test a thing or two.

PS I'm in search for one older cinema speaker pair for my tube amp , their widerange and I have listened to them before and they sound atleast to my ear very pleasing so yeah maybe i will get lucky and find them somewhere.But that's another story.I'll maybe make a thread one day about tubes since i have more to come in that area.

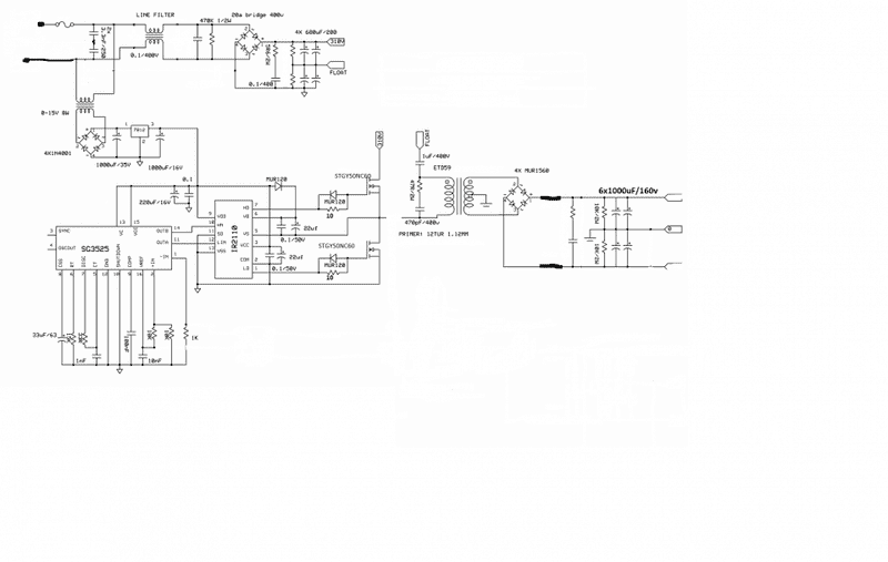
I will attach the schematic of the smps.
what do you think could the extra 3 turns since I have 15 for primary now cause extra losses in the switching IGBT's ?
could it be that with extra turns I'm running tiny bit of purely resistive losses on each cycle through the primary while with the lower turns I wasn't?
 

Attachments

  • 50khz-4n25-sg3525-smps-ir2110-smps-900w-70v-power-supply.png
    50khz-4n25-sg3525-smps-ir2110-smps-900w-70v-power-supply.png
    41.1 KB · Views: 1,381
  • #41
Salvador said:
with the 11 primary turns the IGBT's and mains and output rectifiers ran barely warm , now they suddenly run warmer than before with the same load
Just off the top of my head, that COULD be because the added turns changed the resonant (ringing) frequency of the transformer. It is possible that the original ringing frequency just happened to result in zero-voltage or zero-current switching and now it has moved off that sweet spot.

Another possibility is the snubber capacitance is too small for the increased inductance, try increasing its value to 1.9 times the current value.
 
  • #42
well i thought too about the zero volts and current switching , well i'll do some more testing and see because if the core temps don't change much i'd rather keep losses lower and semiconductors cooler , let the ferrite heat the room if he wants so desperately :D
 
  • #43
Ok so I separated the transformer core from the common heatsink and the heatsink isn't warm anymore so it was made warmer by the transformer core giving off it's heat to the heatsink , although I don't worry about this since the heat sink is rather big with reserve and it is attached to the aluminum cover plate once the plate is put on.
Yes the core runs hot but not as hot as to cause any danger , simply hot.Strange but seems it's way things are.

I think I will simply take a deeper breath for now and let things run for a while and then see how it goes with various loads and lengths of time and then tell some more if there is anything new.

As you Jim said, seems like the core heat develops after some amount of time pretty much irrespective of the load If I switch it on and listen to some louder music it doesn't get as hot as if I simply switch it on and let it sit there for a longer time.
 
  • #44
An old rule of thumb for solenoid coils is one square inch per watt keeps temperatures safe let's just guess you're operating it at 100kw/m3
100kw/m3 X 51200 X10-9 m3 / cm3 = 5.12 watts∝

and i calculated not quite 12 square inches of exposed core sides and ends

I'd say if you really were at 275 kw/m3 earlier that was pushing it, i wish we'd tried the "does it fry spit ?" test there.
I do note from datasheet the coil former is rated for 180C operating temperature . They must expect these cores to run noticeably warm.

Good job on separating it from heatsink. Did you see the notes in that Magnetics page about thermal shock in ferrites ? Any hotspots on it ?

I know this seems like idle piddling around, but for me it's great vicarious fun tweaking and observing effects. Already in just this thread I've expanded my Ferrite knowledge from zero to a little bit, which is a ratio of ∝ .

old jim
 
  • #45
Well every time you do something new while thinking it through makes you learn , same for me , I too now know more about this stuff , quite frankly I wasn't aware that they already have anticipated such levels of heat , I first thought that "oh my" as i touched the core it felt quite hot and I thought , something's wrong.
If the coil former is made for 180c , that's interesting at that temperature the enamel of the wires would probably come off , even though I must say even the wires I used from salvaged smps inductors were quite strong , I used my big soldering iron to put tin on the ends of the litz wire , were they would come out of the transformer but even thought I scraped the enamel off it was hard to make them catch anything , the enamel is really strong and heat resistant.

But anyway the wires are the ones being cooler so I have nothing to worry about.
I will try to find someone with big professional type speakers and try this amplifier out with such loads and see how things go.my protection circuit is simple but it has thermal tracking on both heat sinks via an added transistor and relays for dc at output and short circuit.

by the way the schematic asked me to use the BD241c transistor as the heat sink thermal diode , but I only had BD243C at stock so I used that , what do you think, it looks almost the same. only the 243 one has higher current rating.PS. No the ferrite seems to heat up evenly , as for the square inch of coil , well all household smps have tiny little transformers and they are being used at rather high power levels so I think the only place one can have this law about watt per inch is in mains iron core transformers?
 
  • #46
Salvador said:
well all household smps have tiny little transformers and they are being used at rather high power levels so I think the only place one can have this law about watt per inch is in mains iron core transformers?

Well the one square inch per watt would be for the losses in the device not the kilowatts transmitted through it
but your point about better insulation is spot on
today's vanish seems much better than what we had in 60's, and these SMPS transformers I've seen aren't wrapped in cloth... or if they are it's glass cloth... so i think as you have surmised they are expected to run hot to the touch.
But I'm no SMPS expert.

I see you're an accomplished hobbyist - look up "isobaric: loud speaker enclosure" ...

Thanks for sharing !
 
  • #47
Well I don't call myself under any name, sometimes i fail sometimes i gain , sometimes i simply drink a few beers and stop thinking altogether.:D
To be quite honest the amp itself sounds rather good given the crude conditions in which it was built and the simplicity of it's psu.Sadly we live across the ocean I would love to invite you over to some food and drinks and a lovely evening when one listens good music while enjoying some wine.I use an old transformer paper I have salvaged from old soviet era black n white tv transformers.It's like a thick oil paper that is soaked with paraffin , I must say a very good thing I have used it in many transformers and have never had a problem nor with heat nor with insulation.I added some plastic thing that was wrapped around in one other smps transformer which i put between the primary and secondary which is were the most isolation is needed.

I will look up the speakers you mentioned, although my neighbors are very welcoming and have never complained nor have i disrespected them and played at night yet I have understood that an apartment is no place for high power acoustics simply because ear damage is real and gradual and I have felt it a bit over the years.
 
  • #48
When you can't get your hands on 1KW speakers, use a dummy load and a lower power speaker in parallel. Works great to listen for distortion without many dollars and many irate neighbors. Don't put a series resistor in the circuit, many speakers sound terrible without stiff damping.
 
  • #49
Salvador said:
I will try to find someone with big professional type speakers and try this amplifier out with such loads...
When you can't get your hands on 1KW speakers, use a dummy load and a lower power speaker in parallel. Works great to listen for distortion without many dollars and many irate neighbors. Don't put a series resistor in the circuit, most speakers sound terrible without stiff damping.
 

Similar threads

  • · Replies 8 ·
Replies
8
Views
3K
  • · Replies 9 ·
Replies
9
Views
3K
Replies
19
Views
2K
  • · Replies 2 ·
Replies
2
Views
2K
  • · Replies 3 ·
Replies
3
Views
3K
Replies
3
Views
2K
  • · Replies 5 ·
Replies
5
Views
5K
  • · Replies 11 ·
Replies
11
Views
3K
  • · Replies 13 ·
Replies
13
Views
3K
Replies
64
Views
8K