Solving Mutual Induction Exercise | Let's Get Started!

  • Thread starter Thread starter charrotrust
  • Start date Start date
  • Tags Tags
    Induction
Click For Summary
SUMMARY

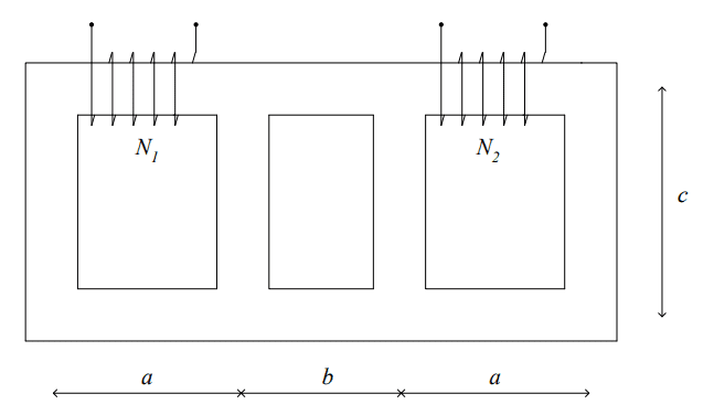
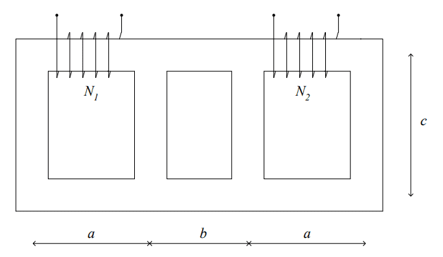
The discussion focuses on solving a mutual induction exercise involving two windings with specific parameters: a ferromagnetic core with permeability μ = 2000 μ0, geometric dimensions a = 4 cm, b = 2 cm, c = 3 cm, a cross-sectional area S = 8 cm², and number of turns N1 = 100 and N2 = 300. Participants are tasked with calculating the inductances of the windings, determining the mutual inductance, and identifying the dot convention for current direction. The relevant equations include the inductance formula L = (μμ0N²S)/l and the relationship φ = M·i for mutual induction.

PREREQUISITES
  • Understanding of mutual inductance and inductance calculations
  • Familiarity with magnetic permeability and its units
  • Knowledge of the dot convention in inductive circuits
  • Proficiency in using LaTeX for mathematical expressions
NEXT STEPS
  • Study the derivation and application of the inductance formula L = (μμ0N²S)/l
  • Learn about mutual inductance calculations and their significance in electrical circuits
  • Explore the dot convention and its impact on current direction in inductive systems
  • Review the use of LaTeX for formatting equations in academic discussions
USEFUL FOR

Students and professionals in electrical engineering, particularly those focusing on electromagnetic theory and circuit analysis, will benefit from this discussion.

charrotrust
Messages
2
Reaction score
0
Homework Statement
Mutual Induction
Relevant Equations
L=Φ/I
hello PF. I have this exercise to do but I don't know how to do it.
Let's assume that the core in the figure is made up of ferromagnetic permeability material
μ = 2000 μ0. Let a = 4 cm, b = 2 cm, c = 3 cm the geometric dimensions, S = 8 cm2 the section
transversal, N1 = 100, N2 = 300 the number of turns of the two windings.
• Calculate the inductances of the two windings and the mutual inductances between
same;
• the position of the dots needed to identify the sign of the mutual is established
inductance;
• if two currents I1 = 3 A, I2 = 4 A flow in the two windings, both entering
on the side of the dots, calculate the overall flow concatenated with the two
windings.
 

Attachments

  • jhkghjkjghkjhgjlkg.PNG
    jhkghjkjghkjhgjlkg.PNG
    3.2 KB · Views: 193
Physics news on Phys.org
charrotrust said:
Homework Statement:: Mutual Induction
Relevant Equations:: [tex]\[L=\frac{\phi}{Ic}\][tex] <br /> hello PF. I have this exercise to do but I don't know how to do it.<br /> Let's assume that the core in the figure is made up of ferromagnetic permeability material<br /> μ = 2000 μ0. Let a = 4 cm, b = 2 cm, c = 3 cm the geometric dimensions, S = 8 cm2 the section<br /> transversal, N1 = 100, N2 = 300 the number of turns of the two windings.<br /> • Calculate the inductances of the two windings and the mutual inductances between<br /> same;<br /> • the position of the dots needed to identify the sign of the mutual is established<br /> inductance;<br /> • if two currents I1 = 3 A, I2 = 4 A flow in the two windings, both entering<br /> on the side of the dots, calculate the overall flow concatenated with the two<br /> windings.[/tex][/tex]
[tex][tex] Welcome to PhysicsForums. <img src="https://cdn.jsdelivr.net/joypixels/assets/8.0/png/unicode/64/1f642.png" class="smilie smilie--emoji" loading="lazy" width="64" height="64" alt=":smile:" title="Smile :smile:" data-smilie="1"data-shortname=":smile:" /><br /> <br /> Per the PF rules, you need to show your best efforts to start working the problem before we can offer tutorial help. What concepts and equations should you use to calculate the magnetic coupling between the coils?<br /> <br /> Also, see the LaTeX Guide below the Edit window. The notation you are using apparently is not supported here.[/tex][/tex]
 
For the calculation of the inductance I thought I would apply the following formula which derives from the definition:
[tex]L=\frac{\mu \mu _{0}N^{2}S}{l}[/tex]
For the calculation of mutual inductions I know that:
[tex]\phi =M\cdot i[/tex]
But how can I find the current?
As for the pellets, he has no idea. Do you have any ideas for me?
 

Similar threads

  • · Replies 17 ·
Replies
17
Views
5K
  • · Replies 16 ·
Replies
16
Views
5K
  • · Replies 3 ·
Replies
3
Views
3K
  • · Replies 1 ·
Replies
1
Views
9K
  • · Replies 1 ·
Replies
1
Views
3K
  • · Replies 13 ·
Replies
13
Views
3K
  • · Replies 6 ·
Replies
6
Views
2K
  • · Replies 1 ·
Replies
1
Views
2K
  • · Replies 2 ·
Replies
2
Views
2K
  • · Replies 1 ·
Replies
1
Views
21K