Surface tension and water (the smallest hole water will flow through)

Click For Summary
SUMMARY

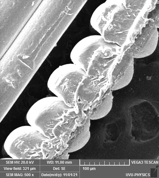
The discussion centers on determining the smallest hole through which water can flow, specifically in the context of a 3D printed cube with varying wall structures. The user observed that a single-walled cube leaks water between layer lines, suggesting that the spacing between these lines is critical. Measurements indicate that the gap could be around 1.5 to 2 microns, with speculation that it may be even smaller due to material compression. The user seeks a mathematical equation to quantify this phenomenon for a project.

PREREQUISITES
  • Understanding of surface tension in liquids
  • Familiarity with 3D printing technology and layer line structures
  • Basic knowledge of microscopy techniques, particularly Scanning Electron Microscopy (SEM)
  • Mathematical principles related to fluid dynamics
NEXT STEPS
  • Research fluid dynamics equations relevant to capillary action
  • Explore the effects of surface tension on water flow through small openings
  • Investigate the properties of materials used in 3D printing and their impact on water permeability
  • Learn about advanced microscopy techniques for measuring small gaps accurately
USEFUL FOR

This discussion is beneficial for materials scientists, 3D printing engineers, and researchers focused on fluid dynamics and surface tension phenomena.

LT72884
Messages
335
Reaction score
49
I am trying to find out what the smallest hole water will flow through. not a molecule of water, just water in general. Here is an example. I have a single walled cube that i 3d printed. When i put water in it, it leaks between the layer lines. I want to find out what the spacing between the layer lines is, because with a SEM scope i used at school, they look pretty solid. see attached image. So I am trying to figure out how small the space is. This is with regular tap water. I need to mention that a 3 walled cube held water indefinitely. Well, it sat for 7 days with no leaks, and then it started to slowly evaporate. We watched it very very close in lab. This means that at 3 walls, the spacing must be less than half a micron is my guess. so water flows through at least 1.5 microns but stops at a certain gap size, that's the size I am trying to find. not sure if it is 0.5 microns, or even smaller

thanks
cc8676_537ea74bc5104354bf8519c996eacaaf_mv2.png
 
Last edited:
Physics news on Phys.org
using some cad software, i measured one of the cusps where it could potentially leak, and i got roughly 1.5 to 2 microns.

but I am guessing the gap could be smaller due to squish.

trying to find a decent math equation and answer to help me with a project
 

Similar threads

  • · Replies 1 ·
Replies
1
Views
1K
  • · Replies 74 ·
3
Replies
74
Views
6K
  • · Replies 33 ·
2
Replies
33
Views
3K
  • · Replies 5 ·
Replies
5
Views
5K
  • · Replies 10 ·
Replies
10
Views
3K
  • · Replies 4 ·
Replies
4
Views
3K
  • · Replies 5 ·
Replies
5
Views
1K
  • · Replies 1 ·
Replies
1
Views
2K
  • · Replies 17 ·
Replies
17
Views
2K
  • · Replies 42 ·
2
Replies
42
Views
8K