solvejskovlund
- 73
- 2
- TL;DR
- How can a solar array be reconfigured (parallel vs series connections) based on sunshine conditions. Will relays do the job? How to avoid that a failing relay cases a dangerous short circuit?
We're off grid at 57degrees north. Our source of electricity is solar panels, with a diesel generator as backup. The solar has served us well, until this November, where we had almost 8 weeks of 0 sunshine. I got sick of running the generator. It's noisy, it needs refueling, smells... So I started experimenting with the solar system. What i found was that if I connect all the panels to a small solar charge controller that I had laying around as a spare, we got enough charging to run the equipment we need on a daily basis, even during during days of snowfall!
When the clouds go away, this small spare charger gets WAY overloaded. Hence, I need to find a way to use the main charger when the sun is up, and the spare charger when clouds block the sun. The problem is that the spare controller requires the solar panels to be connected in parallel short strings (max 3 in series), while the main controller requires long strings (at least 6 in series, 9 to be able to handle peak power). Currently the switchover is performed by me getting up on the roof, freezing my fingers of while disconnecting/reconnecting a bunch of connectors. I need a better solution.
I don't know why this spare controller does so much better than the main during cloudy days. One factor is that it has way less power consumption. Another might be that the Max Power Point Tracking algorithm is better.
First I was thinking to find an other spare charger, but with the ability to use the long strings. I've only been able to find one that might work. It is very expensive (11x what I paid for the current spare), has to be shipped from US to Europe, expensive shipping and tax, expensive returns, and there is no data available that can tell if it will be able to replace the current spare controller during cloudy days. Going this route will be an expensive experiment. I don't feel like going that route.
My second option is to make a network of relays behind the solar panels that makes me able to use a control signal to "reconnect" all panels with the flick of a switch. So I started drawing a connection diagram. What comes to my mind is that if all relays are controlled by the same signal, there is a risk that one relay switches before another, causing reverse voltage over a string of solar panels. This might damage the panels. I can avoid this if I split the control signal so that one group of relay gets the time to switch before the other gets the switching signal. But what if one relay gets stuck? Is there a way to implement some kind of feedback into this circuit? Something that can tell the second set of relays that one of the first relays has failed? Maybe relay is not the correct thing to use for this purpose? (Operating temperature is -30C to +30C, it will be in sealed box behind the solar panels (in shade).)
Maybe there are better ways to do this? Off course I'd like this electronic to consume near 0 power while in "clouds" state.
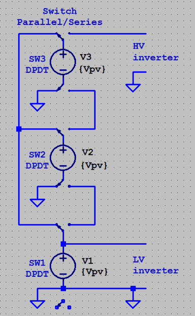
The attached drawing shows how I'm thinking 9 panels can be converted from 3 parallel strings of 3 (relaxed state, no signal), to a single string of 9 panels. The upper drawing shows how panels and control box are connected, while the lower drawing shows the inside of the control box. Drawing shows the relays in relaxed state (no input signal). When the switch signal input receives power, the upper relay will disconnect a panel string + from the "Bus+" (Charge controller +) and connect to the lower relay. The lower relay will disconnect a panel string from "Bus-" and connect to the upper relay. The sum of the two relays is that the negative of panel x will be connected to the positive of panel x+1. When signal power goes out, the relays will flip back to relaxed state.
The risk here is that if both relays in one control box goes from relaxed to engaged state before any of the relays in the other control box, there will be a condition where a string of 6 panels is parallel connected to a string of 3 panels. I imagine this will damage the 3. And the same risk will apply when signal power goes out.
So far all my ideas for relay feedback circuits has been a failure.
Any ideas for better ways to do this?

When the clouds go away, this small spare charger gets WAY overloaded. Hence, I need to find a way to use the main charger when the sun is up, and the spare charger when clouds block the sun. The problem is that the spare controller requires the solar panels to be connected in parallel short strings (max 3 in series), while the main controller requires long strings (at least 6 in series, 9 to be able to handle peak power). Currently the switchover is performed by me getting up on the roof, freezing my fingers of while disconnecting/reconnecting a bunch of connectors. I need a better solution.
I don't know why this spare controller does so much better than the main during cloudy days. One factor is that it has way less power consumption. Another might be that the Max Power Point Tracking algorithm is better.
First I was thinking to find an other spare charger, but with the ability to use the long strings. I've only been able to find one that might work. It is very expensive (11x what I paid for the current spare), has to be shipped from US to Europe, expensive shipping and tax, expensive returns, and there is no data available that can tell if it will be able to replace the current spare controller during cloudy days. Going this route will be an expensive experiment. I don't feel like going that route.
My second option is to make a network of relays behind the solar panels that makes me able to use a control signal to "reconnect" all panels with the flick of a switch. So I started drawing a connection diagram. What comes to my mind is that if all relays are controlled by the same signal, there is a risk that one relay switches before another, causing reverse voltage over a string of solar panels. This might damage the panels. I can avoid this if I split the control signal so that one group of relay gets the time to switch before the other gets the switching signal. But what if one relay gets stuck? Is there a way to implement some kind of feedback into this circuit? Something that can tell the second set of relays that one of the first relays has failed? Maybe relay is not the correct thing to use for this purpose? (Operating temperature is -30C to +30C, it will be in sealed box behind the solar panels (in shade).)
Maybe there are better ways to do this? Off course I'd like this electronic to consume near 0 power while in "clouds" state.
The attached drawing shows how I'm thinking 9 panels can be converted from 3 parallel strings of 3 (relaxed state, no signal), to a single string of 9 panels. The upper drawing shows how panels and control box are connected, while the lower drawing shows the inside of the control box. Drawing shows the relays in relaxed state (no input signal). When the switch signal input receives power, the upper relay will disconnect a panel string + from the "Bus+" (Charge controller +) and connect to the lower relay. The lower relay will disconnect a panel string from "Bus-" and connect to the upper relay. The sum of the two relays is that the negative of panel x will be connected to the positive of panel x+1. When signal power goes out, the relays will flip back to relaxed state.
The risk here is that if both relays in one control box goes from relaxed to engaged state before any of the relays in the other control box, there will be a condition where a string of 6 panels is parallel connected to a string of 3 panels. I imagine this will damage the 3. And the same risk will apply when signal power goes out.
So far all my ideas for relay feedback circuits has been a failure.
Any ideas for better ways to do this?

