Thévenin equivalent with dependent source

Click For Summary

Discussion Overview

The discussion centers around the process of finding the Thévenin equivalent resistance in circuits containing dependent sources. Participants explore the methods outlined in a textbook and express confusion regarding the application of these methods, particularly in relation to independent and dependent sources.

Discussion Character

  • Debate/contested
  • Technical explanation

Main Points Raised

  • One participant expresses confusion over the textbook's method for finding Thévenin resistance, stating that it contradicts the example provided.
  • Another participant suggests that it is acceptable to keep dependent sources active while adding an external voltage source, arguing that the behavior of linear circuits does not change with drive level.
  • A different perspective emphasizes that the method of shorting the output terminal to ground is equivalent to connecting a zero-volt voltage source, allowing for the measurement of current and calculation of resistance.
  • Concerns are raised about the validity of turning off independent sources in circuits with dependent sources, with one participant stating that this cannot be done without affecting the circuit's behavior.

Areas of Agreement / Disagreement

Participants do not reach a consensus on the correct method for finding Thévenin resistance in circuits with dependent sources. Multiple competing views remain regarding the application of the textbook's method and the validity of alternative approaches.

Contextual Notes

Participants highlight limitations in the textbook's explanation and the potential for confusion in applying the described methods. There is an acknowledgment of the complexity introduced by dependent sources in circuit analysis.

gfd43tg
Gold Member
Messages
949
Reaction score
48
Hello,

I had read in my textbook that when a dependent source is in a circuit, and you wish to find the thévenin resistance, then the method to solve for the thevenin resistance is to turn off the independent sources and add an external voltage, then find the external current.

The external voltage divided by the external current will give the thévenin resistance.

However, when the textbook actually does the problem, the example does not even follow the method described. It just adds a short circuit across the terminal and treats it no differently than a problem would have been if there was only independent sources.

I am now confused because they don't follow the method they said works, and I am trying to do it using the method described and cannot get the answer. Also, I know how to convert from thevenin to norton, so just assume I was looking for the thévenin first, and will convert to norton later.

In fact, I will quote the paragraph that is hypocritical

''The equivalent-resistance method described previously [independent sources] does not apply to circuits containing dependent sources. Hence, and alternative variation is called for. Independent sources again are deactivated (but dependent sources are left alone) and an external voltage Vex is introduced to excite the citcuit. After analyzing the circuit to determine the current Iex, Rth is found by applying

Rth = Vex/Iex''

This paragraph is a blatant lie as far as I can tell, since the example posted is done using a previous method.
 

Attachments

Physics news on Phys.org
Could someone confirm that Maylis's pdf file is a valid readable pdf file?
 
NascentOxygen said:
Could someone confirm that Maylis's pdf file is a valid readable pdf file?

It opened fine for me.

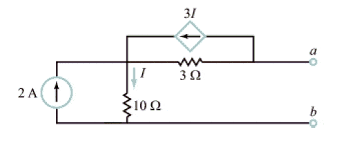
Here's a snapshot of the circuit in question taken from the pdf:

attachment.php?attachmentid=67079&stc=1&d=1393501247.gif
 

Attachments

  • Fig1.gif
    Fig1.gif
    3.6 KB · Views: 1,980
gneill said:
It opened fine for me.

Here's a snapshot of the circuit in question taken from the pdf:

[/QUOTE]
Thanks g.
 
Maylis said:
Hello,

I had read in my textbook that when a dependent source is in a circuit, and you wish to find the thévenin resistance, then the method to solve for the thevenin resistance is to turn off the independent sources and add an external voltage, then find the external current.

The external voltage divided by the external current will give the thévenin resistance.
Yes, you can do that. But you don't have to turn off internal sources, you can let them be and still add an external source, if you wish. They are linear circuits, so their behaviour doesn't change with drive level. I'd prefer that it be said that impedance is calculated as

R = ΔV / ΔI

rather than R = V/I so then we'd have just one equation that accommodates all circumstances.

The variation at which you say you have taken umbrage carries nothing untoward. They shorted the ouput terminal to ground. That is nothing more than connecting a voltage source (of 0 volts) to the output terminals, then measuring the (change of ) current. Then using R = ΔV / ΔI

All perfectly legal. :smile:

What you can't do is short out voltage sources and rub out current sources and then try to simplify the internal resistor network. You can't do that to a circuit that contains dependent sources.
 

Similar threads

  • · Replies 10 ·
Replies
10
Views
4K
  • · Replies 9 ·
Replies
9
Views
6K
  • · Replies 17 ·
Replies
17
Views
3K
  • · Replies 7 ·
Replies
7
Views
3K
  • · Replies 42 ·
2
Replies
42
Views
7K
  • · Replies 5 ·
Replies
5
Views
3K
  • · Replies 1 ·
Replies
1
Views
2K
  • · Replies 10 ·
Replies
10
Views
3K
  • · Replies 5 ·
Replies
5
Views
2K
  • · Replies 5 ·
Replies
5
Views
3K