Thevenins equivalent for an AC circuit

Click For Summary

Discussion Overview

The discussion revolves around finding the Thevenin equivalent for an AC circuit, specifically focusing on determining the Thevenin voltage (Vth) and the output voltage (V0) at a particular node. Participants explore different methods for calculating these values, including using Kirchhoff's Current Law (KCL) and introducing a voltage source between terminals.

Discussion Character

  • Homework-related, Technical explanation, Exploratory

Main Points Raised

  • One participant initially proposes using KCL to find the voltage at a node, questioning whether to add a voltage source to find Vth.
  • Another participant suggests that the Thevenin voltage can be found as the open circuit potential, noting that the controlled current source does not depend on the output voltage.
  • It is mentioned that adding a voltage source allows for determining both the Thevenin voltage and resistance simultaneously.
  • A participant shares their calculations for V0 using both methods, expressing a preference for the method that yields V0 in a specific form.
  • Concerns are raised about a potential error in the impedance of an inductor, prompting a correction regarding the value used in calculations.
  • Participants discuss the use of voltage division to find the voltage across the inductor, which is the same as V0, especially when a load impedance is present.
  • One participant expresses satisfaction with using KCL as a simpler approach to the problem.

Areas of Agreement / Disagreement

Participants generally agree on the validity of using KCL and the method of adding a voltage source, but there is no consensus on which method is definitively better for finding V0. The discussion remains exploratory with multiple approaches being considered.

Contextual Notes

Some calculations and assumptions regarding component values, such as the impedance of the inductor, are noted to be potentially erroneous, but no resolution is provided. The discussion also reflects varying preferences for methods without establishing a clear superiority of one approach over another.

stef6987
Messages
31
Reaction score
0

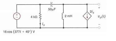
Homework Statement


kUjmV.png

Just before reading, i am posting this as this question seemed way to easy to solve in my assignment, problems aren't usually this easy ! haha.
I need to find V0, i originally just found the voltage at that node using KCL which was straight forward, but in my lecture notes the lecturer added a voltage source inbetween the two terminal, but he was trying to find thevenins equiv voltage, my question is, should i be adding the vth (or vo whatever you want to call it) voltage source between the terminals where v0 is and have a current going upwards (ith) in this case and solve for vth or vo? or can i just find the voltage at that node

Homework Equations


The Attempt at a Solution


I just took kcl at the vo node and got this:
V/(j754) + 2(ix) + (V-(16∠45°))/(-j53.05)) = 0?

If i was to add the voltage source between the terminals, my KCL equation would be the same except instead of it equalling 0 it would equal Ith

V/(j754) + 2(ix) + (V-(16∠45°))/(-j53.05)) = Ith

i just need clarification which method is correct, thankyou!
 
Last edited:
Physics news on Phys.org
For this circuit you can find the Thevenin voltage as the open circuit potential just fine; the circuit is such that the controlled current source does not depend upon the output voltage (it gets its reference value from a fixed current determined by a resistor and a fixed voltage source). Since the controlled source is really a fixed source in disguise, you can even suppress it to find the Thevenin resistance. However, it's not always the case that these conditions hold for a circuit under analysis.

The second method, adding a voltage source to the output port and finding the current that it drives into the network, kills two birds with one stone; It allows you to determine both the Thevenin voltage and the Thevenin resistance with the same procedure.

Consider the typical Thevenin model:

attachment.php?attachmentid=47424&stc=1&d=1337438576.gif


If voltage source V drives current I into the model, then we can write:

##V = Vth + I\cdot Zth##

Thus, if you stick a voltage source V onto the output of your circuit and solve for V, you should end up with an expression that you can wrangle into the form above, and you can simply pick out the two terms :wink:
 

Attachments

  • Fig1.gif
    Fig1.gif
    1.6 KB · Views: 623
gneill said:
For this circuit you can find the Thevenin voltage as the open circuit potential just fine; the circuit is such that the controlled current source does not depend upon the output voltage (it gets its reference value from a fixed current determined by a resistor and a fixed voltage source). Since the controlled source is really a fixed source in disguise, you can even suppress it to find the Thevenin resistance. However, it's not always the case that these conditions hold for a circuit under analysis.

The second method, adding a voltage source to the output port and finding the current that it drives into the network, kills two birds with one stone; It allows you to determine both the Thevenin voltage and the Thevenin resistance with the same procedure.

Consider the typical Thevenin model:

attachment.php?attachmentid=47424&stc=1&d=1337438576.gif


If voltage source V drives current I into the model, then we can write:

##V = Vth + I\cdot Zth##

Thus, if you stick a voltage source V onto the output of your circuit and solve for V, you should end up with an expression that you can wrangle into the form above, and you can simply pick out the two terms :wink:

thankyou for the well explained response :)
I only need to find the voltage v0, so i suppose it would be easier to use my original method, if you don't mind checking, is the KCL for my first equation correct? thankyou!
 
You're welcome. Your KCL looks okay to me :smile:
 
gneill said:
You're welcome. Your KCL looks okay to me :smile:

I attempted both methods just to ensuer my answer was correct, by adding a voltage source i got my V0 in the form of V0 = -56.92j*Ith + (12.43j + 11.79)

without using the source i just got 12.43j + 11.79 which makes sense because I'm just finding Vth in this case. I think i will go with the form of V0 = -56.92j*Ith + (12.43j + 11.79)

What do you think?

thanks :)
 
Have you misplaced a decimal point in the inductor impedance? The inductance is given as 2 mH, so its impedance should be 0.754j Ω. The reason I ask is that your result values look a little high.
 
Yes i just realized haha, thankyou. Now when i get the Voltage in the form of I.Z + V, can i just use voltage division? the voltage where trying to find being the voltage across the 2mH inductor?
 
stef6987 said:
Yes i just realized haha, thankyou. Now when i get the Voltage in the form of I.Z + V, can i just use voltage division? the voltage where trying to find being the voltage across the 2mH inductor?

The voltage across the inductor is the same voltage as Vo. If a load impedance is placed on the output then sure, a voltage divider is formed.
 
gneill said:
The voltage across the inductor is the same voltage as Vo. If a load impedance is placed on the output then sure, a voltage divider is formed.

I just used a simple KCL, seemed like a more simple answer, thankyou so much for your help, it's very appreciated :)
 

Similar threads

  • · Replies 5 ·
Replies
5
Views
2K
  • · Replies 10 ·
Replies
10
Views
4K
  • · Replies 5 ·
Replies
5
Views
3K
  • · Replies 8 ·
Replies
8
Views
3K
  • · Replies 2 ·
Replies
2
Views
4K
  • · Replies 42 ·
2
Replies
42
Views
7K
  • · Replies 7 ·
Replies
7
Views
3K
  • · Replies 7 ·
Replies
7
Views
3K
  • · Replies 4 ·
Replies
4
Views
2K
  • · Replies 35 ·
2
Replies
35
Views
7K