Troubleshooting a High Frequency Mixer: Oscilloscope Output Analysis

Click For Summary

Discussion Overview

The discussion revolves around troubleshooting a high-frequency mixer circuit designed to combine channels of an amplifier operating at approximately 52.892 kHz. Participants analyze the oscilloscope output, which deviates from expected performance, and explore potential reasons for the observed discrepancies in output voltage and waveform shape.

Discussion Character

  • Technical explanation
  • Debate/contested
  • Experimental/applied

Main Points Raised

  • Some participants note that the circuit appears to function as an adder rather than a true mixer, which typically multiplies input signals.
  • Concerns are raised about the pinout of the TL072 op-amp, with suggestions that it may be incorrectly connected.
  • One participant highlights potential issues with the circuit design, including a 10k potentiometer placed across op-amp inputs, which would result in zero output.
  • Another participant mentions that the op-amp's gain decreases at higher frequencies, which could affect performance and output signal quality.
  • There is a suggestion to test the circuit with different input waveforms, such as square or triangle waves, to observe changes in output behavior.
  • Participants discuss the importance of modifying the circuit based on feedback and testing to achieve desired results.
  • A link to the original schematic from instructables.com is provided, with commentary on discrepancies between the schematic and the actual circuit implementation.

Areas of Agreement / Disagreement

Participants express differing views on the circuit's functionality and design, with no consensus reached regarding the correct configuration or the reasons for the oscilloscope output issues. Multiple competing interpretations of the circuit's purpose and performance exist throughout the discussion.

Contextual Notes

Participants identify potential layout problems and incorrect connections in the circuit, but specific assumptions about component values and their impact on performance remain unresolved. The discussion also highlights the complexity of circuit design and the challenges in achieving expected outcomes.

Who May Find This Useful

This discussion may be of interest to electronics enthusiasts, engineers working with audio mixing circuits, and individuals troubleshooting similar high-frequency applications.

nst.john
Messages
163
Reaction score
1
Hi all,

I am making a frequency mixer to add together channels of an amplifier I have at 52.892kHz. I am attaching a picture of the schematic and the physical circuit I made along with the output on the oscilloscope I am measuring. Instead of the three outputs shown in the schematic, I am just using one, and same for the five inputs I am just testing with one right now. Here are the pictures and I wanted to know why the oscilloscope image is A) much less than the input voltage of 10Vp-p and B) not a clean sine wave, but is flat on the top peaks. Thank you guys for your help and hope to hear back soon!
IMG_20160726_112212782_HDR.jpg
IMG_20160726_112235197_HDR.jpg
mixer.jpg
 
Last edited by a moderator:
Engineering news on Phys.org
Sorry for all the extra pictures my computer was being weird.
 
The circuit appears to be an adder, not a mixer (a mixer multiplies the input signals). Also, the pinout of the TL072 looks strange. Can you post a copy of the schematic showing the two opamp symbols instead of the IC view?
 
  • Like
Likes   Reactions: davenn
berkeman said:
The circuit appears to be an adder, not a mixer
He will have heard terms such as "Mixing Desk", which is really an 'adding desk'. :wink: But that sounds like some sort of computer.
Even Engineers can't agree amongst themselves so what hope has the general public got?
 
Last edited by a moderator:
  • Like
Likes   Reactions: nsaspook, Merlin3189, davenn and 1 other person
berkeman said:
The circuit appears to be an adder, not a mixer

it is the most common method of "mixing" multiple audio inputs
As Sophic suggested, the description has always been dubious at bestDave
 
Thanks for the clarification, guys. Given the OP's base frequency of 53kHz, I wasn't thinking in the context of audio mixing, but I think you are right. :smile:

The opamp pinout still looks odd to me, though.
 
berkeman said:
Given the OP's base frequency of 53kHz

yup not exactly audible audio range huh
berkeman said:
The opamp pinout still looks odd to me, though.

you are correct ... I hadn't looked that close

wonder where the circuit came from @nst.john it has several incorrect pin connections and that circuit will never work wired like that

here is the correct pin connections for a TL072 ...

upload_2016-7-27_8-8-39.png


pin 1 being top left as usual
Dave
 
nst.john said:
I am making a frequency mixer to add together channels of an amplifier I have at 52.892kHz

and as an aside ... what are you using 52 kHz for ? ... that's a way up in the ultrasonic range
tho the TL072 can handle that freq., if you used the capacitor values in that circuit of yours, I suspect that their values are probably too highDave
 
Last edited:
  • #11
berkeman said:
The opamp pinout still looks odd to me, though.
it's usually helpful to draw the amplifiers inside the box
here's a snip from the center of his wiring diagram , i added them
upload_2016-7-26_18-45-7.png

i like hand drawn schematics
That way your brain is thinking about how it works .
 
  • Like
Likes   Reactions: davenn
  • #12
Looking at Jim's circuit in post #11, I see two irrational circuit features.
1. The 10k pot on the RHS is across the op-amp inputs. There will be zero output.
2. LHS, Pin 2, the inverting input has a series resistor, there is no feedback from the output.

Both non-inverting inputs are grounded which is sensible.
There must be layout problems with both the inverting stages that should make a non-inverting amplifier.
It certainly explains the loss of signal.
 
  • Like
Likes   Reactions: jim hardy
  • #13
This looks like it might be a better circuit.
upload_2016-7-26_18-45-7.png
 
  • Like
Likes   Reactions: jim hardy and berkeman
  • #14
The schematic was off of instructables.com but it's just not working with the dual op amp. If I made the circuit that @Baluncore made would it be able to work? Thanks for all the help it really is great.
 
  • #15
nst.john said:
If I made the circuit that Baluncore made would it be able to work?
It should. You should be able to modify that bit of your circuit to match my diagram. The LHS is an inverting summing amplifier with a gain of –1. The RHS is an inverting buffer amplifier with a gain of –1.

My circuit modifications are the closest sensible circuit to the layout we were given.
I would need a link to the instructables.com circuit to know what was intended.
Build it, if it works it will confirm we understand what is happening.

Then consider moving the potentiometer from the output to the point between the amplifiers so that gain would be more independent of output load.
 
Last edited:
  • Like
Likes   Reactions: davenn and jim hardy
  • #16
^^^^^^What Baluncore said...
Baluncore said:
2. LHS, Pin 2, the inverting input has a series resistor, there is no feedback from the output.

nst.john said:
I wanted to know why the oscilloscope image is A) much less than the input voltage of 10Vp-p
mixer2.jpg


How much output did you see? Can you put a number on it ?
I don't trust those computer generated numbers on o'scope screen because they might have come from a Microsoft program(see my signature).
mixer4.jpg

i see about half a division , now many millivolts is that ? Can i believe ~20 ?
EDIT - make that a whole division peak to peak, ½ a division up and ½ a division down(i knew i had something wrong - jh)

Now - why was there some output ?

At 52khz your opamp no longer has infinite gain(well, it's no longer a quarter million to be more precise)
meaning it can't hold its inverting input so close to zero as it could at lower frequency
http://www.ti.com/lit/ds/symlink/tl072.pdf , page 10 top left
mixer5.jpg

open loop gain is down to around only 75-ish !
and there's 90° phase shift
so it's no longer able to absorb all that 1/2 milliamp input drive current. Some of it flows through that top 10K resistor toward the other opamp . I'd guess he too is unable to absorb it all.

Why it's asymmetric i do not know but,,,
It might be informative to see what it looks like with square or triangle wave input.
That's because when you shift phase of a sinewave it doesn't change shape
but a square wave ... try it and see?

We all learn by our mistakes, so never let one go to waste !

Have fun,
and my hat is off to you for building this thing .

old jim
 
Last edited:
  • #17
Why was there any output ?
As Jim wrote, the time delay through the op-amps at higher frequencies will result in a phase shift and non-zero clamping of the op-amp outputs, hence some output signal will appear.

I think some of the small voltage seen as output may also be ground voltages due to signal generator and analogue ground currents. Where was the oscilloscope signal ground connected ?
Both op-amp outputs would be biassed by their input offset voltages, which might explain the amplitude asymmetry through power supply and ground currents.

The only way to advance this project is to modify the circuit and test it again. If that does not get a real output then we need a full link to the original circuit diagram and another photo of the components.
 
  • Like
Likes   Reactions: jim hardy
  • #19
  • Like
Likes   Reactions: davenn
  • #20
Here is my recommended mod that reduces sensitivity to output loading.
revised_1.png
 
  • Like
Likes   Reactions: jim hardy
  • #21
jim hardy said:
..Well you found the trouble

he says in step 8

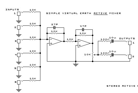
his step 8 does not faithfully represent the awesome schematic there,,, http://www.all-electric.com/schematic/simp_mix.htm

View attachment 103950

if he'd drawn in the little amps he'd have seen his mistake
can you email him ?

nice detective work
there's always a good explanation :smile:

instructables.com is about the worse place ever to get electronic projects from
so many of them are total crap. People put up whatever they want and there is no vetting system to weed out the rubbish or get errors correctedD
 
  • #22
Lastly

i don't see so well as i used to
tell me if I'm off the beam here...
mixer6.jpg
 
  • Like
Likes   Reactions: davenn
  • #23
jim hardy said:
Lastly

i don't see so well as i used to
tell me if I'm off the beam here...
View attachment 104087
agreed
 
  • Like
Likes   Reactions: jim hardy
  • #24
berkeman said:
The circuit appears to be an adder, not a mixer (a mixer multiplies the input signals). Also, the pinout of the TL072 looks strange. Can you post a copy of the schematic showing the two opamp symbols instead of the IC view?

I hope these resource will help you :) - TL072 Pinout Details
TL072_Pinout-1.png
 
  • #25
Is there any chance the polarized cap on the input coupling could be part of the problem as well?
 

Similar threads

  • · Replies 12 ·
Replies
12
Views
3K
  • · Replies 5 ·
Replies
5
Views
3K
  • · Replies 8 ·
Replies
8
Views
2K
  • · Replies 46 ·
2
Replies
46
Views
6K
  • · Replies 12 ·
Replies
12
Views
3K
  • · Replies 10 ·
Replies
10
Views
6K
  • · Replies 6 ·
Replies
6
Views
4K
  • · Replies 17 ·
Replies
17
Views
4K
  • · Replies 3 ·
Replies
3
Views
2K
  • · Replies 3 ·
Replies
3
Views
2K