Windadct
- 1,452
- 411
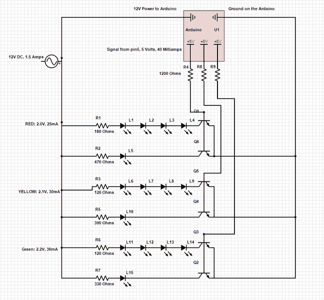
In the link, with an NPN, you keep the Emitter and Arduino close to 0V (GND) .
12+
Current Limiting Resistor
LEDs
Transistor
GND
12+
Current Limiting Resistor
LEDs
Transistor
GND
